Showing 115 of 115on this page. Filters & sort apply to loaded results; URL updates for sharing.115 of 115 on this page
Generator Exploded View Technical Drawing Electrical Generator Diagram
Figure 11-3. Generator Assembly, Exploded View
Northstar 165923Z Parts Diagram for Generator Exploded View Rev – Z
Northstar 165925S Parts Diagram for Generator Exploded View Rev-S
Exploded View Diagram for an Electric Generator
Powerhorse 74006B Parts Diagram for Generator Kit Exploded View – 74006 ...
Figure 5-39. Generator Rotor and Balance Assembly, Exploded View (sheet 1)
Northstar 165923Z Parts Diagram for Generator Head Exploded View Rev- X
Northstar 1654404 Rev A Parts Diagram for Generator Exploded View Rev – A
Generator Exploded View Technical Drawing Engineering Photos,Videos
Exploded view of a synchronous generator | Hazem Ahmed posted on the ...
FIGURE 27. GENERATOR ASSEMBLY, EXPLODED VIEW
Northstar 165939J Parts Diagram for Generator Exploded View Rev - J
Figure 7-1. Generator assembly, exploded view
Northstar 165938R Parts Diagram for Generator Head Exploded View Rev- N.1
Northstar 165926P Parts Diagram for Generator Head Exploded View Rev – O.1
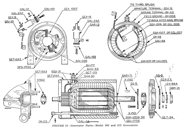
Figure 24. Generator Assembly - Exploded View
Exploded view of the generator construction | Download Scientific Diagram
Exploded View Tech Diagrams Generator App | PromptBase
Figure 8-1. Generator Exploded View (Sheet 1 of 2)
Northstar 165911V Parts Diagram for Generator Exploded View Rev- V
Northstar 165650B Parts Diagram for Generator Exploded View 165650 ...
Generac 10 kW Generator Model 0058831 – Parts Breakdown & Exploded View ...
Reactor I-Series Diesel Generator Exploded Diagram - Shop Online
Northstar 1654404 Rev A Parts Diagram for Generator Head Exploded Views ...
Reactor 2 I-Series Diesel Generator Exploded Diagram - Shop Online
K80 exploded view - NSM Generators
Figure 78. Exploded view of generator.
AI Exploded View Generator: Create Stunning Product Exploded Views | AIAI
Exploded illustration and brief description of the SP product system ...
WS-AC exploded view - NSM Generators
Figure 4-7. Generator Section Exploded View.
Exploded View Parts List (Map) | PDF
Exploded View
Lawn Mower Exploded View
SE100 exploded view - NSM Generators
Figure 5-36. Starter motor, exploded view (sheet 1 of 2).
Engineering Drawing Exploded View at Joyce Mckenzie blog
Figure 3-1. (1) Carrier engine generator assembly, exploded view.
3d - Exploded view algorithm for CAD - Stack Overflow
Exploded Parts View - Electric Generators Direct
T100 exploded view - NSM Generators
FIGURE 34. GENERATOR, EXPLODED VIEW
Solidworks Assembly Drawing Exploded View at PaintingValley.com ...
SPC4 SP 410 Uls 20180810 | PDF | Electric Motor | Electric Generator
SP Tools SPGD6800E 6.8kVA 15HP Electric Start AVR Diesel Generator ...
An exploded view of a mechanical assembly showing each component in ...
Car engine details isolated transparent background. Motor exploded view ...
Exploded View & Part List | PDF
Exploded view drawing hi-res stock photography and images - Alamy
Making An Exploded View _ Understanding Exploded Diagrams: A Complete ...
Exploded view drawing of the generator, without the coil winding ...
Generac PRIMEPACT 50 Recreational Vehicle Generator - Exploded Views ...
What Is Exploded View Drawing? | Domestika
Three-phase synchronous generator mounted rotor subassembly, exploded ...
Exploded View - gmedrills
Exploded View & Parts List | PDF
Promate 7000D Air-Cooled Diesel Generator User Manual
Westinghouse WGen12000 - Portable Generator Manual | ManualsLib
Westinghouse WGen3600DFc - Inverter Generator Manual | ManualsLib
Westinghouse WGen7500DF - Inverter Generator Manual | ManualsLib
Direct Current Generator
960+ Generator Rotor Stock Photos, Pictures & Royalty-Free Images - iStock
Exploded Views and Parts Lists | Generac Power Systems 004916-0
Westinghouse iGen4500cv - Inverter Generator Manual | ManualsLib
The Ultimate Guide to Understanding Powerhouse Generator Parts: Diagram ...
SP Series SP10 Self-Priming Pump
Subaru Portable Generator Parts
530+ Electric Motor Generator Electromagnetic Engine Stock Photos ...
Products – Generator Kits – Air Coils – Free Energy Motors and Generators
Westinghouse iGen4500DFc - Inverter Generator Manual | ManualsLib
Overview Beta World Generator Mods Projects
TheSamba.com :: Beetle - Split-Window/1938-53 VWs - View topic - Bosch ...
Generac Generator Products and Solutions in NJ
Generac XP4000 (0059291) - Generac Portable Generator (SN: 6862575 ...
Westinghouse WGen5300DF - Inverter Generator Manual | ManualsLib
Generac SVP5000 (9884-0) - Generac 5000 Watt Portable Generator ...
3DViewStation: Perfect Exploded Views from CAD models
SP880 | PDF | Diesel Engine | Electric Generator
Generac Portable Generator Parts Diagrams Portable Generator Parts And
Figure 3-1. Generator, exploded view. - TM-5-3810-201-350028
Wholesale High Performance Cummins Whole House Generator - Yto Diesel ...
Generator Disassembly Manual | PDF | Crane (Machine) | Electric Generator
IME Description
A Study Of Early Model Generators [Murfy.US]
Engine (Exploded View)
Exploded_View_Parts_List(map)3 | PDF
Description
exploded-view-ATR-Starter-Generator - C&L Aero
Build Your Own Solar Generator: A Simple DIY Diagram That Works ...
VEVOR KQ-1K Vacuum Pump User Manual
Starter/Generator | Moss Motors
Diesel Generators - Diesel Generators Over 10kW - DHY22KSE HY490 Spare ...
Wholesale Renewable Design for Portable Genset 5kva - Discount ...
Figure 116. Main generator-exploded view.
Drawing
F-1 Engine Injector
Generators Archives - Turner Morris
Why are hydro power plants generators built half emerged? Is it just ...