Showing 119 of 119on this page. Filters & sort apply to loaded results; URL updates for sharing.119 of 119 on this page
How to Program Timers into a Washing Machine Using Siemens PLC ...
PLC Program for Washing Machine
washing machine plc ladder diagram | washing machine plc program | plc ...
#41 Washing machine plc program in hindi - YouTube
Automatic Washing Machine Using PLC program S56828 - YouTube
Automatic Washing Machine PLC Programming Examples - YouTube
PLC programming: Washing machine (EasyVeep) - YouTube
Keyence PLC Control for Washing Machine
Mitsubishi PLC Control for Washing Machine
Omron PLC Logic for Washing Machine Automation
AUTOMATIC WASHING MACHINE(Project 1)SIEMENS s7-200 PLC PROGRAM CPU224 ...
LS Electric PLC Program Example: Clothes Washing System
(PDF) Automatic Washing Machine Control System Based on PLC
Automatic Bottle Washing Machine using PLC - Sanfoundry
How To Create Keyence PLC Ladder: Rotary Bottle Washing Machine - YouTube
Washing Machine PLC Programming Guide | PDF | Business | Computers
Washing machine ppt based on the application of plc | PPTX
(PDF) Program Consideration of Washing Machine System (using SIEMENS ...
Solved Create a PLC Fiddle program that emulates a washing | Chegg.com
IRJET- PLC based Washing Machine | PDF
(PDF) AUTOMATIC WASHING MACHINE USING PLC
Learn PLC Problem Scenarios - Washing Machine Process - YouTube
q2consider the washing machine in figure 3design and implement a plc ...
IRJET- PLC based Washing Machine | PDF | Home Appliances | Home & Garden
Solved Q2. Write down a PLC program for a washing machine. | Chegg.com
Washing Machine PLC Project Explain with 4 programs Friday 27th ...
S7-200SMART PLC self-service coin-operated car washing machine ...
PLC CONTROLLED WASHING MACHINE - YouTube
PLC Basics for Washing Machine Automation course | คอร์สออนไลน์ | SkillLane
Automatic Washing Machine - PLC application 34-501 / automatic-washing ...
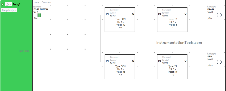
PLC Ladder Logic for Washing Machine Cycle: Fill, Agitate, Drain, Spin ...
Mitsubishi PLC Control For Washing Machine: by Follow Me On Google+, Go ...
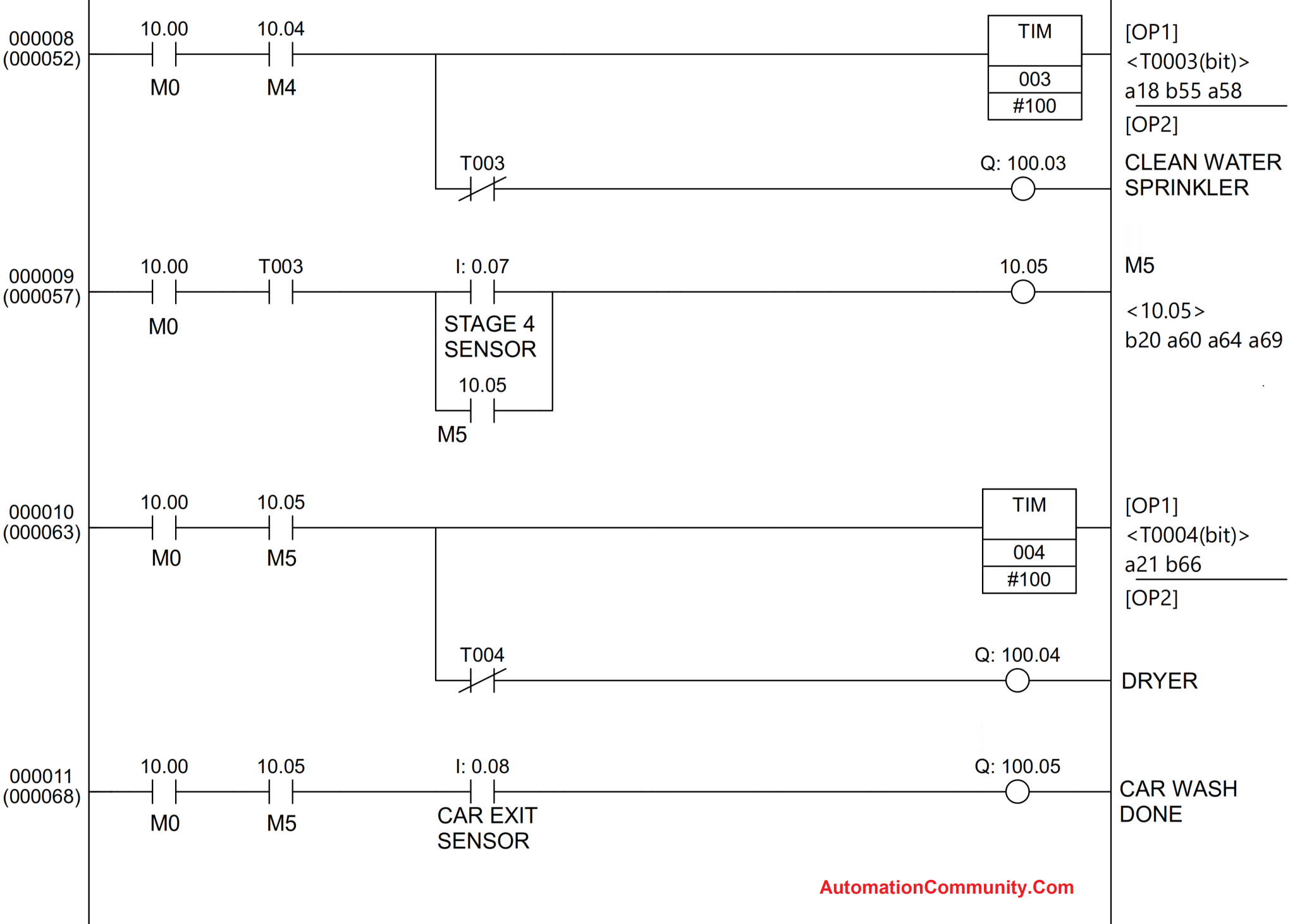
represent overall Ladder Diagram of PLC based Automatic Car Washing ...
Automatic Car Washing System using PLC - Sanfoundry
PLC Automatic Car Washing System Project - Ladder Diagram
Automatic Car Washing using PLC Ladder Diagram - PLC Tutorials
Washing Machine HMI/PLC - YouTube
PLC Ladder Program for Automatic Car Wash using Siemens TIA Portal
Mitsubishi PLC Programming Tutorials | How-to Program Mitsubishi PLC
Activity Diagram For Washing Machine
Automatic car washing using plc – Artofit
Solved Q2. Consider the washing machine in Figure 3, design | Chegg.com
PLC Tutorials - Instrumentation Tools
Learn About The PLC-Based Automatic Car Washing System Project ...
Plc Ladder Diagram Car Wash Below Is A Picture Of An Automatic Car
Types of Instructions in PLC Programming - InstrumentationTools
Plc Programming
Mitsubishi-PLC-Control-for-Washing-Machine.pdf - Google Drive
How to Configure PID in Siemens PLC? - Tia Portal
The Uses Of PLCs In Everyday Life Applications - Engineer Fix