Showing 120 of 120on this page. Filters & sort apply to loaded results; URL updates for sharing.120 of 120 on this page
Zero Liquid Discharge (ZLD) | Overview of the ZLD solution
ZLD - Zero Liquid Discharge - Water Recycling | AQUARION
ZLD Flow : Complete Treatment Cycle | Zero Liquid Discharge Plant Cycle ...
Zero Liquid Discharge Wastewater Treatment - ZLD Technology | ENCON ...
Design and Testing of A Water Treatment and ZLD System | PDF | Membrane ...
ZLD Process Balanced Updated Silica | PDF
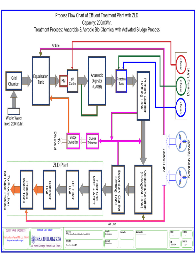
ETP Process Flow Chartn With ZLD | PDF | Sewage Treatment | Water Pollution
60kld ZLD Flow Diagram-10.11.18-Model | PDF | Transparent Materials ...
Water Treatment Plant | Condensate Polishing Units (CPU) Zld plant ...
What is Zld System? | PPTX
ZLD Presentation 3 PDF | Download Free PDF | Desalination | Chemical ...
ZLD Process | PDF | Centrifuge | Filtration
Mining Water for Lithium: ZLD and LCE | Saltworks Technologies
PPT - Promoting Easy Accessibility of ZLD (Zero Liquid Discharge) on ...
Assessment of Performance of ZLD Operations in Some Tannery Clusters P ...
Junction Box Datasheet for ZLD Plant | PDF | Screw | Industrial Processes
ZLD Consultancy - SHIVALIK SOLID WASTE MANAGEMENT LIMITED
Zero Liquid Discharge | ZLD Wastewater Treatment
Zld work – Dyers Association Of Tirupur
Kep india zld brochure | PDF
(PDF) Zld Evaporation-crystallization Plant in the Hydrometallurgical ...
What Is a ZLD Process? | ZLD Plant Process of Zero Liquid Discharge ...
Zenix GmbH in Germany Monchengladbach | Process Equipment | ZLD (Zero ...
ZLD fundamentals&design-Lenntech BV | PDF
Optimization of ZLD in Distillery Industry by Reverse Osmosis Process ...
Zero Liquid Discharge Water & Wastewater Treatment - ZLD Solutions ...
Zero Liquid Discharge with Cutting-Edge ZLD Systems
ZLD Systems: What They Are & How They Work | Complete Guide
零排放 - ZLD - SIEBTECHNIK TEMA
ZLD Brochure | PDF | Sewage | Sewage Treatment
What is Zero Liquid Discharge and What are the benefits of ZLD
Design and Testing of a Water Treatment and ZLD System
ZLD Seminar | PDF | Membrane | Water And Politics
ZLD Evolutions with history : Current drivers and limitations
What is a Zero Liquid Discharge Plant? Working & Process
Power Plant Wastewater Treatment: Zero Liquid Discharge Considerations
What Is Zero Liquid Discharge (ZLD) and How Does It Work?
(PDF) Brine Zero Liquid Discharge (ZLD) Fundamentals and Design; A ...
Zero Liquid Discharge Technology for Industrial Wastewater
Zero Liquid Discharge (ZLD) Explained: Process & Cost
Pathways towards zero-liquid discharge Flow charts showing three ...
SALEEM INDIA BLOG: Zero Liquid Discharge Wastewater Solution
Zero liquid discharge | PPTX
Zero liquid discharge (ZLD) - Drinking Water, Wastewater Treatment ...
FLUID TECHNOLOGY SOLUTIONS, INC. - Zero Liquid Discharge
Zero Liquid Discharge (ZLD): A Sustainable Solution for Textile ...
Zero Liquid Discharge Plant.pdf
Environmental Imppact of Zero iquid Discharge (ZLD) System | PPT
(PDF) Zero Liquid Discharge (ZLD) Plant
Zero Liquid Discharge Plant | PDF
Environmental Imppact of Zero iquid Discharge (ZLD) System | PDF
(PDF) Hybrid zero liquid discharge (ZLD) membrane/chemical process for ...
Zero Liquid Discharge (ZLD) System Wastewater Treatment| Technoforce
(PDF) Reject brine management: Denitrification and zero liquid ...
ZLD.ppt-Aquatech. Delhi 2015 | PPT
A Guide to Everything ZLD: Zero Liquid Discharge | FCS Blog
Zero Liquid Discharge (ZLD) Technology of Wastewater Treatment and Its ...
Application of MVR system in salt wastewater treatment is an important ...
Drivers and benefits of zero liquid discharge (ZLD). | Download ...
PPT - Treatment and Discharge of FGD Liquid Wastes PowerPoint ...
PPT - Zero Liquid Discharge (ZLD) Plant | ETP | STP | Waste Water By ...
ZLD:Solutions for Industrial Field | Social Systems | Toshiba
What is Zero Liquid Discharge and its basic concept
Zero liquid discharge (ZLD) | Water Care Services Pakistan
Effluent Treatment Plants ETP Presentation.pptx
HAZOP Study for Zero Liquid Discharge (ZLD)
What is Zero Liquid Discharge (ZLD) wastewater treatment?
Effluent Treatment Technologies for Zero Liquid Discharge System ...
Optimal selection of “zero liquid discharge” (ZLD) system using ...
(PDF) Integrated Coagulation-Membrane Processes with Zero Liquid ...
Zero liquid discharge (ZLD) in the textile industry: a complete guide ...
MEE and ATFD (ZLD) Plant - YouTube
PPT - ROLE OF ZERO LIQUID DISCHARGE (1)_compressed PowerPoint ...
Complete Water Recycling and Recovery of Various Effluent Streams using ...
Zero Liquid Discharge (ZLD): Process, Recovery Rates & Real-World Use Cases
Mastering Eco-Friendly Practices: Unleashing Zero Liquid Discharge (ZLD ...