Showing 97 of 97on this page. Filters & sort apply to loaded results; URL updates for sharing.97 of 97 on this page
TV tuner pinout : r/AskElectronics
041 - Tuner module - KIT step-by-step construction guide.
041 - Tuner module
Icom Tuner Control Connector Pinout - Complete Guide
rf - TV tuner pinout - Electrical Engineering Stack Exchange
Audi TV Tuner Pinout | Complete Guide and Diagrams
rf tuner module - CY
Hands on with Tuner by Module 8 - make any lens cinematic
Tuner module - Eureka | Patsnap
TSA5523 Tuner Modules from PC TV Cards · One Transistor
Updated analog tuner 20 pin connector pinout. - AudiWorld Forums
PCMTuner PCMFlash Module 42 Denso Bootloader Pinouts, 40% OFF
How to identify an unknown radio tuner · One Transistor
PCM Module 42 Denso SH705X ECU Pinouts | OBDII365.com Official Blog
MekWeb - Mek's personal web page Download - FM receiver with TV tuner ...
Mobile Tv Tuner Circuit Diagram - Circuit Diagram
Guitar Tuner – Doing hard – Oida Tech
Tuner from David Haillant's Electronic stuff on Tindie
tv tuner card circuit diagram - Circuit Diagram
Module connector pinout: Everything you need to know
How To Install Analog TV Tuner 4E0 919 146 On Audi MMI 2G | Audi
Tuner from Electronic things... and stuff on Tindie
Define Tuner In Electronics at Patricia Bouchard blog
Usb Tv Tuner Circuit Diagram - Circuit Diagram
Tuner 0.2 | David Haillant's electronic stuff
Compact HD radio tuner modules for automotive applications ...
Not quite a stompbox... DIY Tuner Layout - freestompboxes.org
Service Tv Panggilan: TUNER TV LED/LCD PIN OUT
TV Tuner : 3 Steps - Instructables
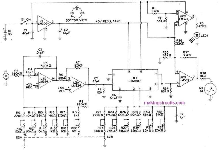
Precision Guitar Tuner Circuit – Making Easy Circuits
The structure of the tuner section. | Download Scientific Diagram
Tuner Circuit: Schematic Diagram 1 | PDF | Electronics | Computer ...
Tuner Guitar Circuit at Jorge Damon blog
Pinout and Mods | PDF
Tuner Issues: Installer cut wires | Installation Notes | unofficial ...
Tuner IC for Electronic Circuit Projects
Precision Guitar Tuner Circuit | Guitar tuners, Circuit, Tuner
Tuner Circuit | PDF
tuner | PDF
Tuner 1 | PDF
Images of an antenna tuner schematic - stormairport
Tuner empty
DeatschWerks DW400 Performance Pump Module for 11-14 Mustang - 5 Star ...
A Tuner | PDF
Tuner | offtopic | hifi-forum.de Bildergalerie
Tips to Read and Write VAG DQ200 DQ250 with PCM | OBDII365.com Official ...
PCMtuner ECU Programmer with 67 Modules Free Update Support Checksum ...
V1.21 PCMtuner ECU Programmer & 67 Modules Online Update Support ...
Newest PCMtuner ECU Programmer With 67 Modules Free Online, 55% OFF
PCMtuner V1.21 ECU Programmer Support 67 Modules Online Update Checksum ...
ECU Chip Tuning – MN AUTO
Online Update PCMtuner ECU Programmer 67 Modules Support Checksum ...
V1.27 PCMtuner Newest With 67 Modules ECU Programmer Tool Support ...
TLCDCEmu - Hardware
Buy ECU Programming Tool Professional PCMtuner Software Version 1.21 ...
US$249 V1.27 PCMtuner ECU Programmer with 67 Modules Free Online Update ...
How To Choose A Standalone ECU | Race Car Engine Management
ATS Diesel Aurora 3000 VFR Upgraded Replacement Turbocharger 07.5-12 ...
ATS Diesel 2007.5-10 Ford 6.4L Five Star Torque Converter - Mid Stall ...
Paddle Shifters vs Console Shifter for Toyota Fortuner: Facts
ATS Diesel 2019+ 6.7L Cummins 68Rfe Billet Flexplate - 5 Star Tuning
ATS Diesel 1998.5 - 02 Dodge 5.9L 24V Cummins Aurora 4000 Turbo Kit ...