Showing 112 of 112on this page. Filters & sort apply to loaded results; URL updates for sharing.112 of 112 on this page
Tap Changing Auto Transformer | Tapping Switching | Short Circuit Switch
tapping of transformer II Transformer tapping II Tap changer in ...
tap changer transformer | tap changing transformer | tapping | in hindi ...
Transformer Taps On High Voltage Side Why? | Electrical4u
Transformer Taps On High Voltage Side Why?
Transformer tap changers & voltage adjustment taps
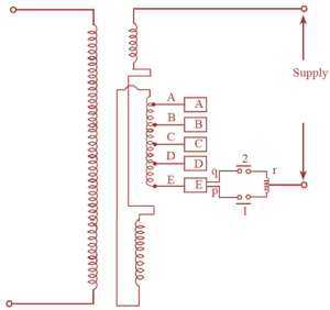
External Transformer Tap Changer
Transformer Tap Changers & Voltage Adjustment Taps
Tap Changing Transformer - Working, Diagram, Types & Applications ...
Transformer Tap Changer: How to Select Transformer Taps? – Voltage ...
Transformer Tap Changers Reactive Power On Load Tap Changers For Power
Understanding Transformer Taps Multi Tap Transformers – An
How does Tap changer transformer work? | OLTC transformer - YouTube
Transformer Tap Changer | Why Tap Changer is Placed on High Voltage ...
Transformer Tap Changing Working Principle - Inst Tools
4 Essential Features of Transformer On-Load Tap Changer
Simple Explanation About Transformer Tap Changer | Voltage Lab
Transformer Tap Changers and Its Role in Voltage Adjustment
An Example of Transformer Tap-changer Correct Adjustment
Comparing Transformer Tap Changers | Mingch
Tap Changing Transformer - your electrical home
Electrical MCQ: Tap changing Transformers II Why usually transformer ...
What is Transformer Tap Changer? Explain in detail.
transformer tap changer,how to work tap changer electrical transformer ...
Guide to Tap Changer in Pad Mounted Transformer | Daelim Transformer
How a work transformer tap changer in animation Video - YouTube
Voltage Control Using Tap Changing Transformer at Amanda Moretz blog
Tap Changing Transformer in Power System | On-Load & Off-Load Tap Changing
Transformer Tap Changer Working Principle | PDF | Transformer ...
What is the use of tapping in a transformer?
Understanding Transformer Voltage Adjustment Taps - Technical Articles
How to Use a 3-Wire Transformer || Center Tapped Transformer || How ...
POWER TRANSFORMER TAP CHANGERS BASIC AND TUTORIALS | POWER TRANSFORMER ...
Tap Changing Transformer | Off Load Tap Changer | On Load Tap Changer
Transformer Tap Changers: Complete Guide Overview | TTES
Types Of Tap Changer In Transformer at James Hammons blog
TRANSFORMER TAP CHANGER OPERATION - YouTube
transformer tap changer Animation rev1 - YouTube
What is The Transformer Tap Changer: Types, Operation & Practical ...
Voltage Regulation By Transformer Off-Load Tap Changer, On-Load Tap ...
Transformer Tap Changer ll On load Tap Changer ll AVR Setting ll OLTC ...
Transformer Tap Changer Drawing Tap Changer An Overview
Tap Changing Transformers | Off Load | On Load Tap Changing Transformer
Transformer Tap changers: Off-Load and On-Load tap changers
Tap-Changing Transformer - Single-phase tap-changing transformer - MATLAB
Transformer on-load tap changer - OILTAP® M - Messko GmbH - single ...
What is a transformer tap changer? - Mechanical Engineering
Transformer tap changers - Learn all you need to know in this guide | TTES
Working principle of Tap Changer | What is tap changer in a transformer ...
PPT - What Is A Transformer Tap Changer - Miracle Electronics ...
Transformer Tap Changer Control Handheld Transformer Oltc On Load
Tappings of transformer | PDF
Closeup Shot Of Tap Changer Of High Voltage Transformer Stock Photo ...
Transformer tap changers & voltage adjustment taps | Maddox Transformer ...
3 Phase Transformer Tap Changer C) Shows The Representative Ac Voltage
Understanding Substation Transformer Tap Changers
Tap Changing Transformer: Working Principle, Nameplate Readings ...
Tap Changer in Transformer- Types and their Working Principle
65-xxiv) Function of Tap Changer in Transformer, it's types and Reason ...
On-load tap-changers for power transformers: Reinhausen
Using Tap Changers to Match the System Voltage
Types, Uses, Features and Benefits of Power Transformers
What Is The Purpose Of Tap Changing In Power Transformers? An Engineer ...
Basic Principle and Working of Electrical Power Transformers.: What is ...
What is On-Load Tap-Changing Transformer? Definition, Location & Needs ...
On load tap changer(OLTC)Transformer: Types, Diagram, Working.
Tap changer for power transformers.wmv - YouTube
On Load Tap Changer | Industrial Transformers
Auto-transformer tap-changing ~ Electrical & Electronics Knowledge