Showing 119 of 119on this page. Filters & sort apply to loaded results; URL updates for sharing.119 of 119 on this page
Transfer case shift motor encoder - Motors, Mechanics, Power and CNC ...
Controlling a transfer case motor position - General Guidance - Arduino ...
QU30203 03-07 NP246GM Electric Shift Transfer Case Assembly, 27 Spline
Transfer Case 4x4 & Automatic Shift Knobs – Twisted ShifterZ
All That You Need to Know about Transfer Case Shift Motor – SPELAB
XJ 84-01 Transfer Case Shift Linkage | Mountain Vista Fabrication
Transfer Case Shift Motor Encoder at Carlos Snyder blog
Forward 4.5 Inch Shift Transfer Case RF1A Reman with OEM Components ...
Transfer Case Shift Pattern Questions | BinderPlanet.com
4WD Transfer Case Shift Encoder Motor - YouTube
Transfer Case Shift Motor Wiring Diagram at Melvin Chan blog
KIT- JK TRANSFER CASE CABLE SHIFT UPGRADE - Advance Adapters
Test Transfer Case Shift Motor at Charles Grabowski blog
NP246 Transfer Case Manual Shift Conversion and 2002 Escalade from AWD ...
Arduino Gear Shift Indicator Finds ‘Em So You Won’t Grind ‘Em | Hackaday
An easy way to add a gear indicator for your stick shift | Arduino Blog
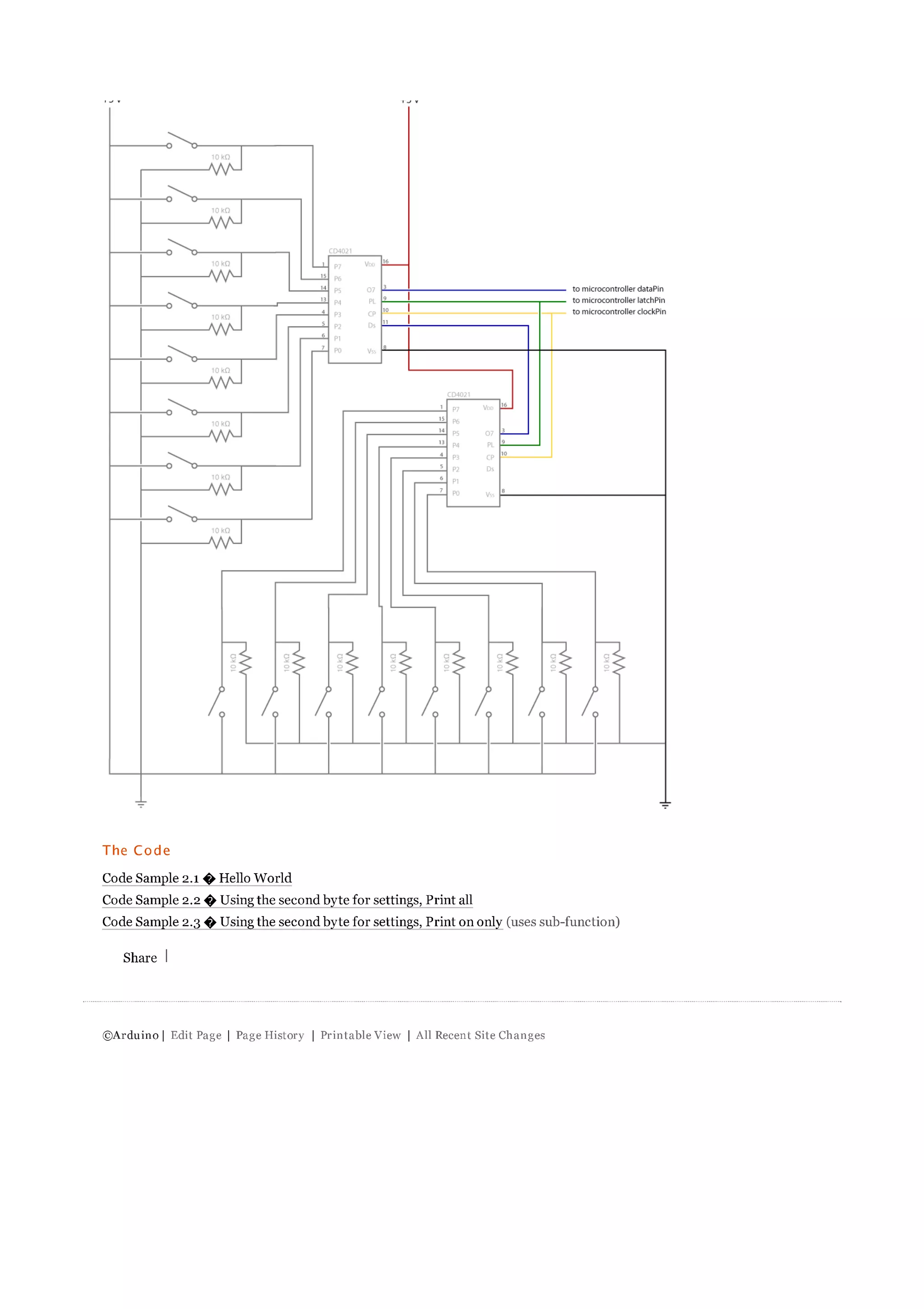
Arduino Shift Register Tutorial for Beginners - NerdyTechy
Using Switch Case Statements in Arduino Programming
Arduino Uno Shift Register Tutorial
Projects from Tech: Arduino Shift Register Stepper Motor Controller
Arduino Shift Register Help - General Guidance - Arduino Forum
Shift Register with Arduino | Little Bird Guides
Arduino - Using the Shift Register - YouTube
What is a Transfer Case with Diagram?
Arduino Shift Register (Serial to Parallel Converter) - YouTube
Shift Register 74HC595 with Arduino - Examples & Code
How to Use a Shift Register - Arduino Tutorial : 4 Steps (with Pictures ...
Shift Register Tutorial | Arduino Project Hub
How to Build an Arduino Shift Register Circuit
Learn How Shift Registers work and how to use them using Arduino ...
Your Arduino As a File Transfer Machine - Works With USB, WiFi, and ...
SHIFT REGISTER ARDUINO tutorial | 74HC595 SHIFT REGISTER ARDUINO UNO ...
How to Use Shift Registers on the Arduino
How to Use Shift Registers in Your Projects | Arduino | Maker Pro
Tutorial Arduino - Shift Register (Serial In Parallel Out) ~ ARDUINOPEDIA
Programming Arduino Nano with AVRDUDE to drive a shift register — quasiyoke
KKSB Arduino Case for Arduino UNO Rev3 and Arduino Mega Rev3 – Space f ...
Practical guide to shift registers | Arduino, Arduino projects, Shift ...
Complete Transfer Case Shifter Assembly by Skyl1ne. - MakerWorld
Arduino uno case by Jardos - MakerWorld
Create a shift register using Arduino - General Guidance - Arduino Forum
3 to 5 shift registers - Programming - Arduino Forum
74HC595 Shift Register Works & Interface with Arduino UNO in 2025 ...
How to Use Shift Register 74HC595 with Arduino Uno - Internet of Things
More Arduino Outputs With 74HC595 Shift Register
Use Shift Registers to create more Inputs on Arduino Project! Tutorial ...
Cascade of shift registers 74HC595 controlled via Arduino - Showcase ...
Transfer Case In Gear at Doris Warren blog
Использование оператора Switch Case в Arduino – RxTx.su
(PDF) Automatic Transfer Switch(ATS) Using Arduino Poster
Shift Register 74HC595 Arduino Library - Timo Denk's Blog
Switch Case Statement with Arduino [Guide + Code]
Electric Shift-on-the-Fly Transfer Case – Divgi TorqTransfer Systems
How To Make Smart Automatic Transfer Switch (Part 1) | Arduino Project ...
Use Shift Register 74HC165 With Arduino
Arduino Kit Experiment - Controlling a Shift Register - YouTube
Cascade Operation of Two 74595 Shift Registers using Arduino Mega http ...
Diy Transfer Case Cable Shifter at Liam Tindal blog
Arduino shift in | PDF
Arduino Case | Printables.com
Arduino Switch Case - SO EASY! - YouTube
AUTOMATIC TRANSFER SWITCH by Using Arduino - YouTube
More Arduino outputs, using shift registers | The Oddbloke Geek Blog
Arduino - Shift Register Uygulaması - Elektrik Elektronik Projeleri
Extending Arduino with Shift Resister 74HC595 - More Outputs!
Circuit design Arduino Shift - Tinkercad
Arduino Tutorial 45: Understanding Circular Shift Left and Circular ...
Circuit design Shift Register Arduino - Tinkercad
Arduino Shift register | Thijs
Circuit design Shift Register with arduino 2 - Tinkercad
Simple Example for SHift In! - Programming - Arduino Forum
Using a shift register with Arduino • AranaCorp
Working with Shift Register | Arduino Project Hub
Circuit design Arduino Shift Register Example - Tinkercad
Circuit design Arduino shift register - Tinkercad
Where Is the Transfer Case Control Module Located?
Arduino Gear Indicator at Amber Girdlestone blog
Shift Register Tutorial for Arduino, ESP8266 and ESP32 - DIYI0T
Transfer case: Working, Diagram, Definition, Symptoms
Understanding PISO Shift Registers - HiBit
Arduino Serial Communication Tutorial
10 Best Cases For Arduino UNO
Arduino shiftOut(): Control chips with a 3 wire Serial Interface.
Working with ShiftIn - General Guidance - Arduino Forum
Arduino Component Cases by Nico | Download free STL model | Printables.com
How to use 74HC164 shift register with Arduino....
DIY sequential gear shifter for sim racing | Arduino Blog
How to shift binary into a shift register (serial in, parallel out ...
Need help with a code for a shifter project - Programming - Arduino Forum
Exploring the Inner Workings of the Np243 Transfer Case: A ...
convert manual transmission to (+ and - shifting) - Page 2 - General ...
How to make a DIY Sequential Shifter ? - DIY Sim Studio