Showing 120 of 120on this page. Filters & sort apply to loaded results; URL updates for sharing.120 of 120 on this page
Synchronizing Power - Alternators
Synchronizing current, Synchronizing power and Synchronizing torque and ...
Synchronizing power of the generator ) (t P s , W/el. degree ...
Genertaor Synchronizing system power diagram | How to read electrical ...
What is the Need of Synchronizing two Different Power Sources ...
The synchronizing power of synchronous machine is - Electrical ...
Synchronizing and Parallel Operation | PDF | Power Engineering ...
Why synchronizing is required in an electrical power system ...
Parallel operation and Synchronizing Power - YouTube
Synchronizing Current and Synchronizing Power - Alternators
DG Synchronizing Panel for Efficient Power Management
What is Synchronizing Power & its Expression
Synchronizing current and synchronizing power derivation - YouTube
# 1 Best Synchronizing Panel for Electrical Power System
What is Synchronizing Power and Torque Coefficient? - Circuit Globe
What is Generator Synchronization - Synchronizing Lamps Methods ...
Synchronization of Two Power Sources | PDF | Physics | Power (Physics)
Synchronization Of Generators For Power Systems
Phase Synchronizing Device or Controlled Switching Device | Electrical4U
Synchronising Power & Synchronising Coefficient - Electrical ...
2 types of synchronisers required on a power system with two supplies
Electrical Power Systems Synchronous Generator | PPTX
The essentials of synchronous machines in power distribution networks | EEP
Sync Check Relay: Synchronization of a Machine with a Power System ...
Power synchronization control overview. Power synchronization control ...
How Do They Synchronize Power Stations With The Grid? | Hackaday
Synchronizing Generator To The Grid | EEP
Synchronization of AC power sources
What do you mean by synchronizing of alternator?
Synchronizing Panel
Electrical Engineering Machine (35) - “Synchronizing Power and ...
Schematic of operation and synchronization of power converters ...
Construction Of A Power Plant With Synchronous Generator
Synchronizing Panels – Sunrise Microtech
Power and Synchronization Circuit | Download Scientific Diagram
Power supply and flowchart of synchronization system. | Download ...
Why do two 3-phase power generators lock to each other in sync after ...
Grid Sync and Stability in Power Gen Systems - Safran
How to done synchronization in power plant - YouTube
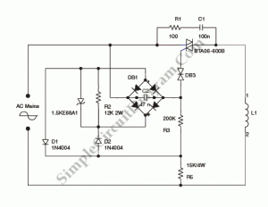
Power Control: Synchronization by The Mains Voltage – Simple Circuit ...
Sync Copilot with SAP using Power Automate and Xtract Universal.iQ ...
Type C Power Cable Double End USB C Data Sync Wire Line 45W Charging ...
Inside Power Station: Automatic Synchronizer
A Novel Approach of Synchronization of Microgrid with a Power System of ...
The art of generator synchronization techniques that every true ...
Eet3082 binod kumar sahu lecture_34 | PPT
AC Synchronous Machine; Prime-Mover Initialization | Electrical ...
How to Synchronize Generator with Grid (Power System) | Parallel ...
What is Generator Synchronization: Step by Step Guide – ECSKSA
Study and Theory about Synchronous Generators
UNIT I SYNCHRONOUS GENERATOR Constructional details Types of
How Does Synchronous Generator Works - YouTube
Synchronization of Generators: 2022 Step by Step Guide + PDF | Linquip
Synchronizer relay details – how it does the synchronization or making ...
Power-synchronization control of grid-connected VSCs. | Download ...
Synchronous Motor Working Principle | Electrical Academia
Synchronisation process (a) Grid voltage, ESS voltage and voltage ...
Parallel Operation of Synchronous Generator - The Engineering Knowledge
Substation control and monitoring systems: The eyes and ears of every ...
Synchronization to grid of an AC synchronous generator
What Is Synchronising Panel ? - Accu-Panels Energy
Synchronous motor - construction and working | electricaleasy.com
Synchronous Generators.pptx
How Does A Synchroscope Work at Molly Nielsen blog
Three-Phase Synchronous Generator | How it works, Application & Advantages
Synchronization of three Phase Alternators & Synchroscope
Synchronization Systems
SSC JE synchronous motor & synchronous generator question
PPT - SYNCHRONOUS MACHINES PowerPoint Presentation, free download - ID ...
Synchronization circuit. | Download Scientific Diagram
How To Synchronize Two Single Phase Generators at Sofia Goldman blog
Power-up phase determinism: Using multichip synchronization - Embedded.com
HOW TO SYNCHRONIZE THE GENERATORS and Grid | Bus Coupler ...
The achievement of the synchronization procedure between the external ...
principle scheme of synchronous machine fed by a controlled current ...
Gemini Notebooks: The Overlooked Sync That Turns AI Research into a ...
23. Synchronous Machine — EE2E11 Electrical Energy Conversion
App POWERhall Sync – App Store
Synchronization of Generators | Different Methods - ElectronicsHub
Drrntien Fast Speed 6A 480Mbps USB to Type C Charging & Sync Cable with ...
6ft PD Cable Compatible With iPhone 16e/17e - Type-C to USB-C Charger ...
3ft Metal PD Cable Compatible With iPhone 16e/17e - Type-C to USB-C ...
6ft PD Cable Compatible With Samsung Galaxy Z Fold3/4/5/6/7 - Type-C to ...
6ft and 10ft Long USB-C Cables Compatible With Google Pixel Tablet 11 ...
6ft PD Cable Compatible With Motorola Moto G 5G (2022,2023,2024,2025 ...
6ft and 10ft Long USB-C Cables Compatible With iPhone 16e/17e - Fast ...
10ft PD Cable Compatible With Samsung Galaxy Tab Active4 Pro/Active5 ...
3ft and 6ft USB-C Cable for Samsung Galaxy Z Flip7/Z Flip7 FE - Data ...
10ft USB-C Cable Compatible With Samsung Galaxy A14 5G/A24/A34 5G/A54 ...
3ft, 6ft and 10ft Long USB-C Cable Compatible WithSamsung Galaxy S20 ...
3ft PD Cable Compatible With Samsung Galaxy A14 5G/A24/A34 5G/A54 5G ...
1ft Short USB-C Cable Compatible With Samsung Galaxy XCover6 Pro ...
6ft and 10ft Long PD USB-C Cables Compatible With iPhone 16e/17e - Fast ...
MultiTracks.com.br