Showing 85 of 85on this page. Filters & sort apply to loaded results; URL updates for sharing.85 of 85 on this page
String to path | LabVIEW Program #labview #nationalinstruments #ni #VI ...
String to file path - NI Community
Path To String function - LabVIEW Wiki
How to verify the Folder path | file path in labVIEW - YouTube
String and Path | The LabVIEW Journey
Introduction to Using File Paths in LabVIEW - NI Community
Same file path and files in LabVIEW - Stack Overflow
P31 - Path in LabVIEW | Directory | File Constants | Build Path ...
VI High 44 - Learn How to Write to a Text File with LabVIEW - YouTube
LabVIEW File Path Type is Cross-Platform | Ryan Duell
Writing Data to a File Using LabVIEW - NI Community
Append or Prepend to a Text or Binary File in LabVIEW - NI
LabView Basic 1:LabView Write text to File create file replace file ...
How to save data as a text file in labview fpga - NI Community
LabVIEW | Tutorial 15 | How to Read & Write Text file in LabVIEW ...
Read Lines of a Text File and Return as Array of String Using LabVIEW ...
Append To Text File Labview - generousprestige
Check Input String for File/Path in LabVIEW - NI Community
Reading and writing to text files in labview : tutorial 21
How to Read and Write text files in labview - The Engineering Knowledge
File I/O | The LabVIEW Journey
Automatically Store a Selected Folder and Create New File Path Each ...
LabVIEW: Whenever I convert a string to binary and try to save it, it ...
How to read a text file with LabVIEW? - Stack Overflow
Solved: Read in Labview from txt file (or mat file) - NI Community
LabVIEW World: [LabVIEW Example] Reading a text-file to set off a ...
save data into text file using labview - YouTube
How Do I Append to a Text or Binary File in LabVIEW? - National Instruments
LabVIEW Tutorial 21 - File Paths (Enable Integration) - YouTube
P29 - Read Text File in LabVIEW | Read from Text File Function | File ...
Labview Read Excel File at Shelley Morgan blog
Best Practices for Transferring Strings From LabVIEW to Shared ...
Write and Read Text File As Appended Using LabVIEW - NI Community
Solved: Crea un file in labview - Page 2 - NI Community
Application class/Project.Get File LabVIEW Version method - LabVIEW Wiki
Reading and Writing to Text Files in LabVIEW: Tutorial 21
Manejo de Strings en Labview - YouTube
LabVIEW Fundamentals
Functions Palette/Programming/File I/O/Advanced File Functions ...
LabVIEW Programmatically determine Paths - Kreiseder IT Services
Tech Lab: Experiment 1: Hands on with LabVIEW Software.
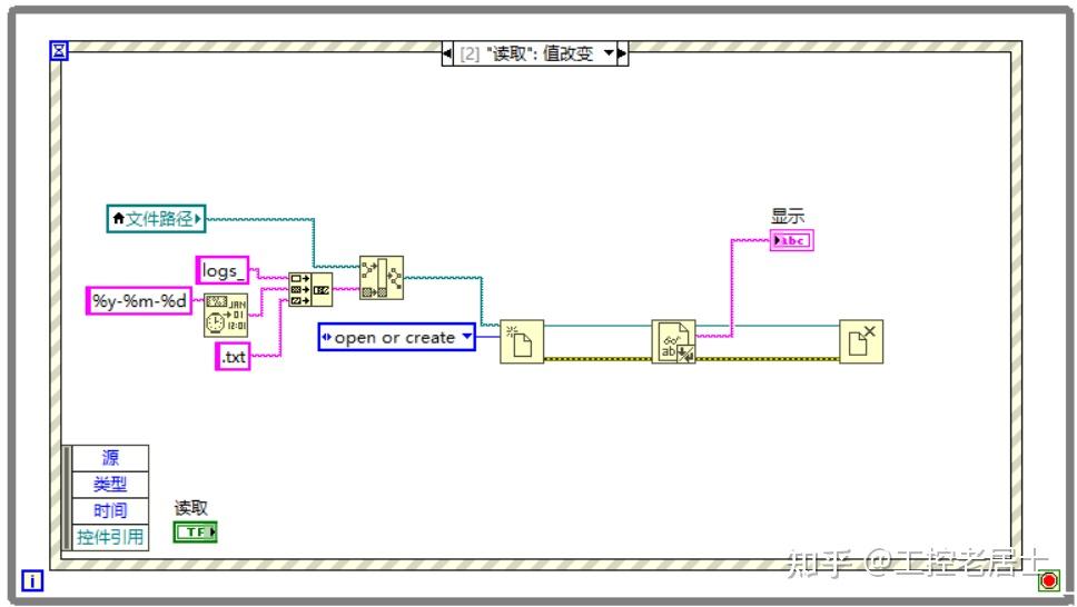
文件读写 | The LabVIEW Journey
Solved: Decoding LabVIEW data files.. - NI Community
LabVIEW在实时目标上使用文件路径 - 知乎
Labview基础05:5.2 Text文件读写 - 知乎