Showing 119 of 119on this page. Filters & sort apply to loaded results; URL updates for sharing.119 of 119 on this page
State Machine on MultiSim Live - YouTube
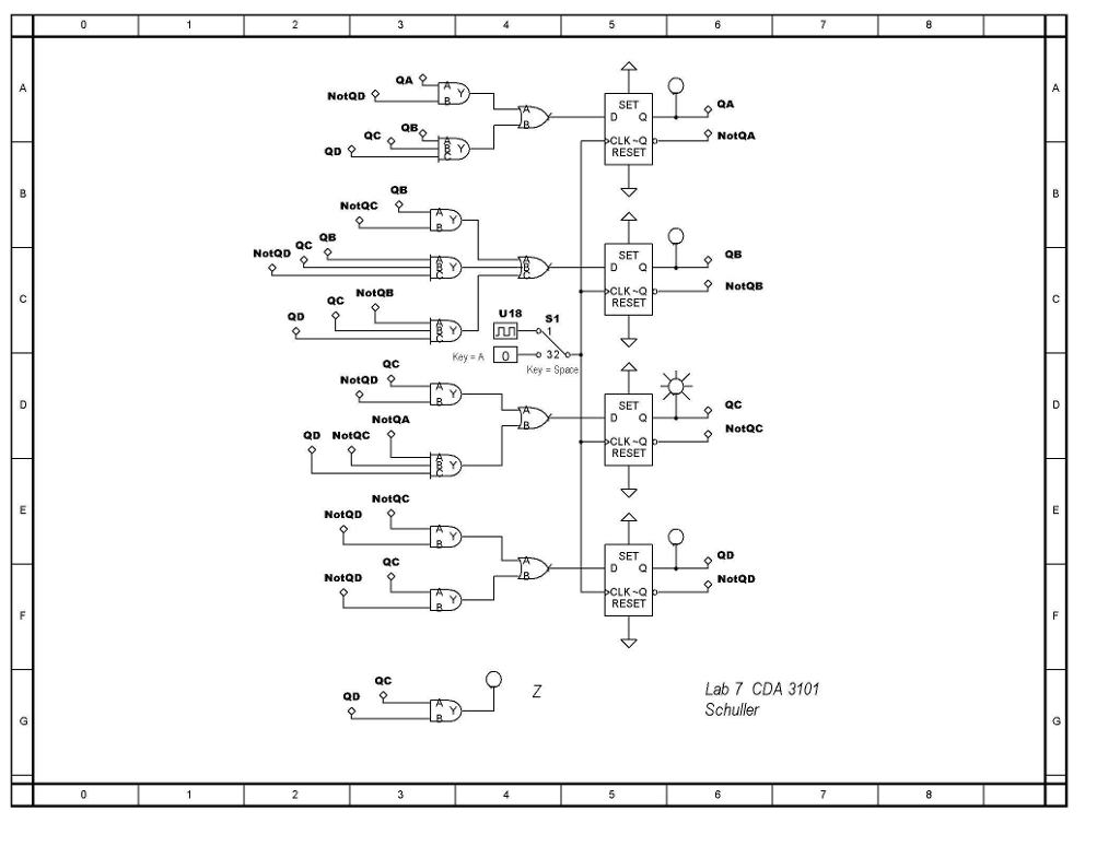
State Machine - Multisim Live
Multisim Finite State Machine Demo - YouTube
state machine - Multisim Live
Traffic Light State Machine - Multisim Live
Toll Booth State Machine - Multisim Live
Solved 4. Build and simulate in Multisim the state machine | Chegg.com
Phone # State Machine - Multisim Live
TollBooth State Machine Template - Multisim Live
4.2.1 Phone Number State Machine - Multisim Live
PLTW DE 4.1.2- State Machine Design - Multisim Live
Briana Roberts - 4.1.3 State Machines - Toll Booth - Multisim Live
Design a finite state machine that handles an elevator system. The ...
Activity 4.1.2 State Machine: Phone Number in Multisim by Mr. Zummo ...
Simple State Machine Architecture in NI LabVIEW - National Instruments
SOLVED: Please simulate in multisim and also show state diagram. Lab 2 ...
[PDF] A Novel Approach to Asynchronous State Machine Modeling on ...
State Machine Archives - Coder-Tronics
State Machine - YUVAN'S ENGINEERING PORTFOLIO
How Does A Finite State Machine Work In An Embedded System at Ian ...
A Fresh Approach to State Machine Diagrams
State Machine Diagram
State Machine Example - Practical EE
A Guide to State Machine Diagram
Codeguru State Machine at Noma Andrews blog
Understanding State Machine Diagrams in SYSML
What is State Machine Diagram?
11 Free State Machine Diagram Examples with Analysis
State Machine Diagrams | Unified Modeling Language (UML) - GeeksforGeeks
(PDF) A Novel Approach To Asynchronous State Machine Modeling On ...
Activity 4.1.2 State Machines: Phone Number 1 - Multisim Live
Uml state machine diagram
What is the difference between State Machine Diagram and Activity ...
State Machine Diagram Tutorial
An abstract state machine model Figure 3 shows three states a, b and c ...
Finite State Machine Diagram A Finite State Machine Model Is A
PPT - State Machine PowerPoint Presentation, free download - ID:492969
PPT - UML 2 State Machine Diagrams PowerPoint Presentation, free ...
UML State machine diagram - ppt download
State Machine Project
Understanding the Purpose of State Machine Diagrams
Example Of State Machine Diagram
PPT - State Machine Design PowerPoint Presentation - ID:3085156
Implementing A State Machine For Game Logic Using Enums And Switch Cas ...
1.2.8. State machine — Automation notes 0.9.1 documentation
State machine implementation of the multieigenmode compensator for a 4 ...
State Machine and Cooperative Multitasking Model: Simplify Complex ...
Panduan Pemula untuk Diagram State Machine - Visual Paradigm Blog
10.3: Implementing a State Machine - Engineering LibreTexts
The easiest State Machine in Swift
State Machine - MATLAB & Simulink
Finite State Machine (FSM) State Diagrams with Latex - Logic Design ...
State Machine Design Digital Electronics State Machine Design
A) Redesign the state machine using the same D | Chegg.com
State Machine Simulator
State machine describing the system logic Source: Developed by the ...
40 State machine Controller using MAS MATLAB/SIMULINK model | Download ...
CMOS Three-State Gate (Gated Output Driver) - Multisim Live
Solved PART C: STATE MACHINES This task requires the use of | Chegg.com
Multisim - DE Final Project
Solved 4. MULTISIM portion of the Lab. Lab (1): Bulding a | Chegg.com
Solved 9.28 PSPICE MULTISIM The circuit in Fig. P9.28 is | Chegg.com
Solved Part B (Mealy State Machine)A state diagram is shown | Chegg.com
Project 4.1.2 State Machines: Phone Number
Part B (Mealy State Machine) A state diagram is | Chegg.com
15 kW Permanent Magnet Synchronous Generator at Steady State operating ...
Solved: Traffic light project for Multisim - Page 2 - NI Community
Relating And Simulating Multiple State Machines Together in SysML - YouTube
4.1.2 Introduction to State Machines - Benjamin McCourt's Portfolio
How To Make Logic Gates In Multisim at Bessie Luce blog
Where To Find Logic Gates In Multisim at Quyen Elliott blog
Finite State Machines | Sequential Circuits | Electronics Textbook
Software design of state machines - Embedded.com
PPT - State Machines for Computer Organization and Design Fundamentals ...
(TD) 6.3 Modeling State Machines
How to Use Multisim Live : 6 Steps - Instructables
Tipps und Tricks für die Simulation von State Machines mit Enterprise ...
Introduction to State Machines in C : Embedded Systems | Embedded Wala
Create the logic circuit from a given state machine, | Chegg.com
Paper: VR Revisited - Application state and commit-number monotonicity ...
I posted the state diagram I came up with for the | Chegg.com
Electric Machines and Transformers Use Multisim | Chegg.com
Single traffic light simulation in Multisim using PIC Microcontroller ...
State Machines - Practical EE
AC Steady-State Network Analysis with Multisim - YouTube
Logic Gates Analytical & Multisim - YouTube
State machines ease programming microcontrollers - EDN
State Diagrams
State Diagram To Logic Circuit - Circuit Diagram
Implementing State Machines For Game Logic In Python – peerdh.com
Lecture 12 – Verilog Case-Statement-Based State Machines I
Simple State Machines - Circuit Cellar
Multisim simulator - vvtideal
3 bit synchronous counter using multisim - YouTube
Solved Create the logic circuit from the state diagram and | Chegg.com
Solved Implement the following circuit in MULTISIM. Display | Chegg.com
PPT - EE19D Digital Electronics PowerPoint Presentation, free download ...
MR1 - Liviu Budaciu
Logic Gates Testing using Multisim.mp4 - YouTube
PPT - Digital Logical Structures PowerPoint Presentation, free download ...
Projects
Project 7: 2-Bit Saturating Counter | ENGR210
Logic analyzer of circuit using Multisim, where 'term 13' represents ...
PPT - Chapter 3 Digital Logic Structures PowerPoint Presentation, free ...
Toll Booth
CANopen over EtherCAT CiA 402
Why setup is checked on next edge and hold on same edge? Setup and hold ...