Showing 115 of 115on this page. Filters & sort apply to loaded results; URL updates for sharing.115 of 115 on this page
Outer Space Planet Exploded Into Numerous Asteroids With A Bright Spot ...
Fusion EXO Spot 30 Exploded Diagram
Exploded animation Spot - YouTube
5 people are dead and multiple homes destroyed after a house exploded ...
Spot Watches Its Step | Boston Dynamics - YouTube
Hand Printed Agapanthus Exploded II – Furniturespot
Leak detected on natural gas line where South Jordan house exploded
7+ Hundred Car Exploded View Royalty-Free Images, Stock Photos ...
Spot welding - RoboDK Documentation
CGI VFX Spot : "Exploded" by - Mass Market - YouTube
Explosion spot hi-res stock photography and images - Alamy
We tried peace and it exploded | Royal Road
Watch how my truck exploded during burnout
The Democrat Party's Israel Problem Just Exploded - Charisma Magazine ...
He turned on the camera - then a trout exploded on the line
Legendary Dutchess County hot dog truck that exploded is back in business
What is the 9-9-9 challenge that's exploded in MLB stadiums?
Suffolk house reportedly exploded before catching fire
This border city fell into cartel chaos - then violence exploded
A warning was reportedly given - but the plane exploded mid-flight
This nuclear reactor was built cheaply - then it exploded and nearly ...
Predict the consequences if the sun exploded tomorrow
An asteroid exploded over Russia - and we never saw it coming
A hidden leak beneath the city then the streets exploded without warning
A ferry hit an oil tanker carrying 82,000 tons of oil – then it exploded
Huge explosion injures 5 at holiday spot
Exploded assembly of sample and sample holder. (a) Stainless steel ...
Exploded View of SUV
27FSTORU - Toru Followspot Exploded - Selecon
Hibbing man in critical condition after house exploded Sunday | KAXE
Nasa spots asteroid just before it hit Earth and exploded in the sky ...
How to Choose a Spot Moving Head - YouTube
Spinning Spots Exploded Digital Art by John Haldane - Fine Art America
Jupiter’s Great Red Spot Is Shrinking, Is the Biggest Storm in Space on ...
Tate Twp. home that exploded also sent burning ammunition flying, body ...
Checking in on a woman whose food truck exploded suddenly one Friday night
Photograph Series Makes Fine Art From Exploded Views - SolidSmack
Pro Spot spot welders, Mig welders, 3-N-1 welders, Rivet guns and more ...
Just got kitchen floor refinished. Tonight an oven dish exploded and a ...
Spot Light - Dibujos CAD gratuitos
LED Spot / Down Light | CRECO-PBT-6W-DL - Crest LED
NASA detected asteroid just before it hit the Earth, exploded in the sky
Led Light Bulb Exploded In Socket at Tricia Tapp blog
Exploded Stock Photo - Download Image Now - Mushroom Cloud, Smoke ...
Inside the DWP's battle to keep water flowing as fire exploded - Los ...
The Black Spot of Death... - YouTube
Engine Exploded Drawings - The Flat-Spot
Oakley well house exploded after buildup of propane gas
Exploded Light Bulb Stock Photo - Download Image Now - Burnt, Damaged ...
Why SpaceX staff cheered when the Starship rocket exploded | WAMC
Nascar - “FIX IT NOW OR I’M DONE!” — Kyle Larson exploded in anger ...
The pages and portable transmission-reception stations that exploded in ...
Coke can exploded in my car and left with these spots. How can I get ...
Transmission Exploded Drawings - The Flat-Spot
Incandescent Light Bulb Exploded at Joshua Allingham blog
Light Fixture Exploded Bulb at Mary Smithey blog
Exploded glass hi-res stock photography and images - Alamy
3DViewStation: Perfect Exploded Views from CAD models
Man who exploded Cybertruck in Las Vegas used ChatGPT in planning ...
Not-so-smart capacitive discharge spot welder | Hackaday.io
2 adults, 2 kids on boat when it exploded in Harrison Township
ROGUE R2 Spot and R2 Beam by CHAUVET Professional - YouTube
Blast Wallpapers - Top Free Blast Backgrounds - WallpaperAccess
Spot™ Character Guide | Spider-Man™: Across the Spider-Verse
Explosion destruction splattered exploding. | Premium Photo - rawpixel
And then they exploded. – @deltasinz on Tumblr
The Communities Have Exploded: Story 2 | Penana
The Communities Have Exploded. Story 1 | Penana
The weapon with which Russia threatened Romania has failed: Satan II ...
3D Model: Anatomically accurate 3D cross section of a human eye ...
FOX Weather - SUPER TYPHOON 🌀: Typhoon Sinlaku exploded... | Facebook
TP14_WHSGLD_017-RGB-TECH-Exploded-Filters-SCO-A0_B - NXT
कदमवाडीत स्वयपाक गॅस सिलीडरचा स्फोट, दोघी बहीणी जखमी Kolhapur Marathi ...
Arizona Diamondbacks Revamp Batting Order as Geraldo Perdomo Takes Over ...
Figure 7 from Hot-spot ignition mechanisms for explosives and ...
Figure 6 from Hot-spot ignition mechanisms for explosives and ...
South Africa gas truck explosion death toll rises to 34 | AP News
Example of spot-type explosion events with a bright spot. Snapshots of ...
Bodies of all 7 missing people found at California fireworks warehouse ...
Center Light bike headlight combines retro looks with today's tech
MacDraft Pro 8 | Full Digital Version with Lifetime License for Mac ...
Death toll rises after South Africa tanker lorry explosion ...
Collections – Furniturespot
10 killed in fuel tanker explosion near Johannesburg: rescuers - Global ...
Extreme Heat and Exploding Tires: A warning from the experts
Melbourne woman injured by exploding laptop | Daily Mail Online
Armodilo: Premium Tablet Kiosks & Interactive Stands
What Causes a Light Bulb to Explode?| Mr. Electric
Premium PSD | AI generated Nuclear bomb explosion png isolated on ...
💥NOW! RUSSIA EXPLODED! EXPLOSIONS VISIBLE FROM SPACE: VIDEO! MILITARY ...
Troubleshooting Common Issues with Powder Coating Equipment: Solutions ...
Planet explosion. Earth destruction. Meteor disaster. Planet earth ...
Earth Explosion! - YouTube
Four dead after crackers dumped in a house explode in Namakkal - The Hindu
Bomb explosion effect png, transparent background Stock Photo | Adobe Stock
Exploding LED - YouTube
What to do When Clay Explodes in the Kiln | Bisque Firing Gone Wrong ...
"Exploded Views" by Photographer Kevin Cooley
Enormous Explosions On The Sun - YouTube
ARCHITECTURE INTERNSHIP PORTFOLIO by Naren Karthik - Issuu
Ice Ring gives 24/7 health tracking the finger
3,000+ Free Explosion & Fireworks Images - Pixabay
The Northern - 𝐑𝐮𝐧! 𝐈𝐭'𝐬 𝐀𝐈 𝐂𝐨𝐧𝐭𝐞𝐧𝐭 𝐀𝐠𝐚𝐢𝐧! 𝐶𝑎𝑟𝑡𝑜𝑜𝑛 𝑏𝑦 𝐵𝑟𝑦𝑎𝑛 𝐽𝑜𝑣𝑒𝑟 ...
Sofia - He was barely out of his teens when Phil Esposito’s story began ...
Air traffic controllers rushed to divert aircraft after Elon Musk’s ...
Exploding light bulb Stock Photo - Alamy
Trailblazer - **Chaos at NBC!** Viewers were left stunned as *TODAY ...
Can a Water Heater Explode? Yes—Learn the 6 Biggest Warning Signs
Dawn breaks over Ceres ... and perhaps reveals signs of habitability ...
2 injured in cylinder blast in Mohali village | Hindustan Times
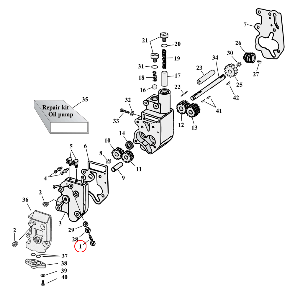
Reservdelar Oljepump Sprängskiss till Harley Shovelhead & Evolution Bi
Space movie to deliver the "Overview Effect" in giant domed theaters