Showing 106 of 106on this page. Filters & sort apply to loaded results; URL updates for sharing.106 of 106 on this page
Eaton B-Line B54-120 SS6 :: Shallow Strut - Solid, Stainless Steel 316 ...
1" x 1-5/8″ 12 Gauge Shallow Solid Strut Channel
SHALLOW STRUT CHANNEL - 1-5/8" X 13/16" X 10' - PRE-GALVANIZED SHORT S ...
Stainless Steel Shallow Strut Slotted 1-5/8" x 13/16" x 10 ft. | K.L. Jack
Power-Strut P4100T 10SS :: Shallow Strut - Elongated Holes, Stainless ...
Strut SHSOLST Unistrut Shallow Solid Chanel 1-5/8" P410010PG Equivalent
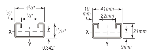
Single Strut Channel - Shallow Unistrut Channel | TechLine Mfg
Stainless Steel Shallow Strut Slotted 1-5/8" x 13/16" x 10 Feet | K.L. Jack
Pre-Galvanized Shallow Strut Slotted 1-5/8" x 13/16" x 10 ft. | K.L. Jack
Shallow Strut Channel - 1-5/8" X 13/16" X 10' – Smart Electric
Shallow Strut Channels | Providence Pipe Products
Shallow Slotted Strut 1-5/8in wide x 13/16in x 10feet length 14 Ga ...
Superstrut B1400HS-10 :: Shallow Strut - Elongated Holes, Steel, Gold ...
Rep Materials Company offers deep and shallow strut profiles | Rep ...
Power-Strut 20P-1000 :: Fiberglass Shallow Strut :: PLATT ELECTRIC SUPPLY
P1000 Shallow Unistrut Stainless Steel Strut Channel And Strut Fittings
Eaton B-Line B62-120GLV :: Shallow Strut - Solid, Steel, Pre-Galvanized ...
Pre-Galvanized Shallow Strut Slotted 1-5/8" x 13/16" x 10 Feet | K.L. Jack
Hot Dipped Galvanized 14 Gauge Shallow Slotted Strut - 7/8" x 13/16" x ...
Superstrut B1400S 10PG :: SS B1400S-10PG SLTD SHALLOW STRUT 14GA 1-5/8 ...
Pre-Galvanized 14 Gauge Shallow Slotted Strut - 1-5/8" x 1-5/8" x 10 ...
1-5/8 Inch PVC Coated Shallow Strut | Plasti-Bond
Deluxe Building Products | Deluxe Galvanized Shallow Strut
CALPIPE PV0000B52 1-5/8-IN SHALLOW PVC COATED RIGID STRUT | Gordon ...
Strut (Channel) Shallow End Protection Cap 1-5/8" x 13/16" - ARGCO.COM
Eaton B-Line B52SH-120HDG :: Shallow Shallow Strut, 13/16" x 1 5/8", 9/ ...
Eaton B-Line B54-120AL :: Shallow Strut, Solid, Aluminum, 1-5/8" x 13/ ...
Steel Strut With Holes - Hein Electric
Solid Strut Channel, Shallow, 12 Gauge 1-5/8" x 13/16", Hot Dip ...
Unistrut Shallow Slotted Channel 21 x 41mm - Cable Services
Solid Strut Channel, Shallow, 14 Gauge 1-5/8" x 13/16", Pre Galvanized ...
Eaton B-Line B54-120 GLV :: Shallow Strut, Solid, 1-5/8" W x 13/16" H x ...
Unistrut P4100 Shallow Strut, 14 Ga, 20 FT, Green - P4100-20GR (Options ...
Custom Ready Cut Shallow Slotted Channel Factory China | JUNSEN
Unistrut Pre-Galvanized 1-5/8" X 7/8" X 10' Shallow Slotted Channel ...
Strut Channel Sizes Guide: Dimensions, Gauges & Applications
Unistrut Shallow Slotted Channel
DiscountStrutAccessories.com: Shallow Channel With Short Slots 14 Gauge ...
41 x 21, 1.5mm Shallow Solid Channel (3m) HDG (Unistrut Compatible ...
Unistrut Channel: Selecting the Right Strut for Your Application
Eaton B-Line B52-120 HDG :: Shallow Strut, Solid, 1-5/8" W x 13/16" H x ...
Unistrut Channel Pre-Galvanized Metal Framing Slotted Strut Channel 1-5 ...
Unistrut P4100T Slotted Shallow Strut, 14 Ga, 20 FT, Type ...
Eaton B-Line B52SH-120GLV :: SHALLOW STRUT, 13/16-IN. x 1 5/8-IN., 9/16 ...
Unistrut Shallow Plain Channel 21 x 41mm - Cable Services
Half Slot Strut Channels | Slotted Unistrut Framing Systems
Strut Channels | IEC 61386 Electrical Fittings | Products | ELECMAN
Strut Channel, Standard, Slotted & Shallow, Stainless Steel ...
Power-Strut P4000 10EA :: Shallow Strut, Solid, Aluminum, 1-5/8" x 13/ ...
SS316 SS304 Prostrut Stainless Steel 41X41 Strut Channel Slotted ...
What Is a Strut Channel? Types, Sizes & Practical Applications
Heavy Duty Strut Channel Unistrut CEE Cable Support System Kuala Lumpur ...
Strut Channel Slotted Base Unistrut Channel Base U Channel Post Base ...
304 Stainless Steel Slotted Hole Strut Channels | 1-5/8" x 1-5/8", 1-5/ ...
Shallow Chnl 3M Unistrut Per 3Mtrs Plain | new.ie | National Electrical ...
Introduction to Channel Strut Fittings
1-5/8" x 1-5/8" Back-to-Back Solid Strut Channel 5 ft. - Aluminum ...
5 Feet Strut Channel with Slotted Back, 1-5/8" Height and Width, 12 ...
1-5/8" x 13/16" Strut Channel - Galvanized - Slotted - 14 gauge - 7-ft ...
Pre-Galvanized Unistrut/Double Slotted Perforated/Plain C U Strut ...
Unistrut Channel: Selecting The Right Strut For Your, 48% OFF
PVC Style Plastic BLACK End Caps Unistrut Channel 13/16'' D Shallow #E ...
Unistrut 10 L Zinc Strut Channel For IMC, 59% OFF
Strut Channel - Unistrut Channel Latest Price, Manufacturers & Suppliers
1-5/8" x 1-5/8" strut channel back to back slotted - Pre-Galvanized
40X40 41X21unistrut Double Strut Unistrut Width 10 FT Hot Dipped ...
1-5/8" x 1-5/8" Back-to-Back Solid Strut Channel 4 ft. - Green Powder ...
Slotted Strut Channel - SSHN
1-5/8" x 7/8" Strut Channel with Short Slots 10 ft. - Pre-Galvanized ...
Power-Strut P5001 20PG :: Back to Back Solid SHALLOW STRUT, Pre ...
Slotted Shallow Channel 41mm x 21mm x 3m
Short-Slotted Strut Channel - Slotted Channel – Fasteners Plus
What is Unistrut? Types, Uses, Materials, and Installation Guide
Unistrut Channel Unistrut P5000T 1 5/8" X 3 1/4", 12 Gauge Metal
Unistrut Sizes | Unistrut Buffalo Supports
Slotted Gauge Pole at Diane Godsey blog
Amazon.com: Newhouse Electric 1-5/8 in. x 13/16 in. 14 Gauge Metal ...
Unistrut No 17 General Engineering Catalog Download General Unistrut
Unistrut Channel Selection Video | Unistrut Buffalo Supports | a ...
A Complete Guide To Unistrut Accessories | Unistrut Buffalo
13/16'' X 1-5/8'' 14 Gauge Powder Coated Slotted Unistrut Channel ...
Slotted Unistrut - Slotted Channel - Unistrut - Speedy Fixings