Showing 120 of 120on this page. Filters & sort apply to loaded results; URL updates for sharing.120 of 120 on this page
Bass Shaker support for Aluminium profile by FrankJ.Lab - MakerWorld
Project | Orion Spacecraft Shaker Support Stand | RS&H
ESA - ISTSat-1 installed on the CubeSat Support Facility shaker
383 Shaker Support Stud - Tommy The Chryco
Jual Sieve Shaker Support Sieve 8 Inchi & 12 Inchi - Kab. Bandung Barat ...
Bass Shaker support for Aluminium profile by FrankJ.Lab MakerWorld ...
SHAKER SUPPORT BERRACO CON REFRESH!! Y LA CLAVE PARA QUE GANES TUS ...
Shaker Support Bracket – FALCON XY GT GTHO PH 3 – Grand Tourer
3D print Bass shaker support • made with Bambu P1S・Cults
Shaker Under-Bonnet Support – Performance Shakers
This is Why Earth Shaker support is new meta - YouTube
How Shale Shakers Support Stable Drilling Fluid Properties | Shaker screens
Shaker Grate Support | Godin Wood Stove | Godin Coal Stove
shaker design clamp shelf support | chrome | white | nickle
Ensembles de Shaker à Cocktail avec support rotati... – Grandado
XY GT SHAKER SUPPORT BRACKET - Ford Muscle Parts
Test de l'ensemble shaker à cocktail 11 pièces avec support en bambou
New 1969 1970 Ford Mustang 390 428CJ Shaker Support Bracket | eBay
LABTEX Orbital Shaker - Precision and Custom Support
Test : shaker à cocktail 10 pièces Mixology avec support en bambou
Shaker Acquires 10% Stake in Cashew KSA to Support Growth of Digital ...
Laboratory Mechanical Shaker - Customized Support & Precision
Kit Shaker à Cocktail avec Support, Kit Cocktail 12 Pièces en Acier ...
Chulovs Shaker Cocktail Set 20 Pièces Ensemble de shaker, Shaker Acier ...
💻 Bass shaker support・ STL File for 3D printing・Cults
WOOD STRAW SHAKER SUPPORT: LAVERDA - LA321216750 - Buy at the best price
SCR-Mini Linear motion shaker | DFE
biobase-0707 - Optional shaker accessories
Soporte para Bass Shaker Sim Factory | Simufy
🕹️ DAYTON BASS SHAKER MOUNT FOR THRUSTMASTER T-LCM TLCM BUTTKICKER・ STL ...
Boston Shaker Set: Professional Two-Piece Stainless Steel Cocktail ...
Tips for Choosing the Right Shaker and Chamber
Bed Stabilizing Shaker Fixture, Anti-Rattle Noise Reducer, Heavy-Duty ...
Shaker Configurations and Considerations | Data Physics
Shaker System Accessories
13: Shaker assembly with counterweights (green), drive (blue) and ...
Used Sold SS Shaker Conveyor at Steep Hill Equipment Solutions
Shaker placement options | Download Scientific Diagram
Shaker Service - Eppendorf US
Shaker Tables – Mt Baker Mining and Metals
Shaker Exercise Dysphagia at Abbey Bracy blog
4S and Slim Shaker Hardware Placement - TaylorCraft Cabinet Door Company
Shaker Model Overview — ETS Solutions - Vibration and Shock Testing
STRAW SHAKER SUPPORT: LAVERDA - LA321130350 - Buy at the best price
NOV Refurbished Shaker Tank System | Drilling Equipment Resources
Setting up a Closed-Loop Electrodynamic Shaker System - Vibration Research
Benchmark Orbi-Shaker Orbital Shaker - Shakers - Lab Equipment
Amazon.com: Cocktail Shaker Set Bartender Kit : 12-Piece Bar Tool Set ...
Building a better shaker table - John W. M. Bush
RP-4 Gold Shaker Table Sale
16848-01-001 Side Support Rubber | Shale Shakers
Sieve Shaker Machine Electrolab at Michiko Durbin blog
High Quality Shale Shaker Screens | Spectrum Shale Shaker Screens
Amazon.com: Perjoy Cocktail Shaker Set, 16 Piece Bartender Kit ...
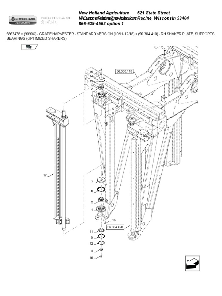
RH Shaker Plate, Supports, Bearings (Optimized Shakers) | PDF | Washer ...
Shaker Systems & Vibration Testing Solutions | Data Physics
ETS Shaker Systems
The design legacy of the Shaker movement | CNN
DTF Printer, Shaker, Oven Technical Support – UTM PRINTING
Newpop 750ML shaker cocktail, 10 Pièces Inox shaker vinaigrette avec ...
Modal Shaker Accessory Kits
Usine de shaker de plaquettes en Chine - Bon fabricant de shaker de ...
Bartender Set - Cocktail Shaker Shaker Shaker Cocktail Accessories ...
Hand-Operated Shaker - DGSI - Durham Geo - Sand Equivalent Shakers
Platform Shaker Bundle
12: Suspended shaker setup | Download Scientific Diagram
Service & Support - Eppendorf Germany
Ensemble de shakers à cocktail avec support en bois. - Test et Avis
BURRELL 75 Wrist Action Platform Shaker User Manual
Sim Shaker support? | Frontier Forums
Amazon.com: XTKS Shaker Bottle - Protein Shaker Cup with Storage ...
Racks and Accessories for CO2 Resistant Shaker Shaker Platform ...
ESA - Hydraulic shaker
Back to Basics: Setting the right shaker parameters for cultivation ...
Attachments for shakers - Support for single-hand shaking of test tubes ...
Shaker Screens - Kemco Systems
Shaker Tables - Mt Baker Mining and Metals
Compact Shake & Rattle Shaker Systems | CentraTEQ Ltd
DLK - Image Page
What Do Loose or Bouncy Floors Mean for My Pier and Beam Home? - Anchor ...
Adjustable Angle Tube Rack, 30mm x 24 Holes, for Stackable Incubator ...
Sizing Shakers - LMC
PRECISION TOOLS, INCLUDING YOUR SHAKER, REQUIRE CAREFUL RESTORATION AND ...
Shale Shakers: Equipment for Efficient Drilling Operations
AU-FG XR8/GT 5.4lt – Performance Shakers
Configuring Shakers for Horizontal Operation | Data Physics
Compact Electrodynamic Shakers (IMV m-Series) :: HALT & HASS Australia
How to Install and Setup Budget BASS SHAKERS - YouTube
Mobile-Phone-Support-Shaker-Automatic-Shake-Pedometer-Holder-Motion ...
ETS Shakers Precision and Reliability for Vibration Testing
Screen shakers and shale shakers custom made for your application ...
User-added image
VWR® Signature™ Rocking Platform Shaker, 230 V | Rotating/Rocking Shakers
2 Stück Nachttischbefestigung, Anti-Kollision Anti-Shaker-Unterstützung ...
18900025_G(1).jpg
HH-SHAKER – For Modern Trading
Premium Mopar Parts for your Cuda, Challenger, or Super Bee
The 5 Best Cocktail Shakers of 2026, Tested & Reviewed