Showing 120 of 120on this page. Filters & sort apply to loaded results; URL updates for sharing.120 of 120 on this page
Solved Question 1 Determine the elastic section modulus and | Chegg.com
Solved Question: Question 30: Calculate The Section Modulus | Chegg.com
Solved For question below, derive the Section Modulus (S) | Chegg.com
Solved Example 4: Calculate the plastic section modulus | Chegg.com
Section Modulus - Definition, Example, Use and Units - YouTube
Solved Question 1: Calculate the section modulus of the bulb | Chegg.com
Solved Find the elastic section modulus and plastic section | Chegg.com
Solved Determine the plastic section modulus Wp and plastic | Chegg.com
Solved 1 Find the second moment of area and section modulus | Chegg.com
The plastic section modulus for a rectangular section of width b and ...
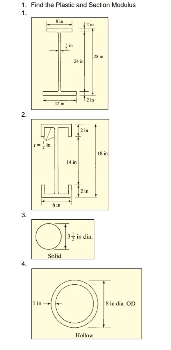
Solved 1. Find the Plastic and Section Modulus | Chegg.com
Solved What is the plastic section modulus and elastic | Chegg.com
Section Modulus Equations and Formulas - Design | Engineering
Solved Question 2 What is the minimum section modulus (S) | Chegg.com
Modulus of Section | Section Modulus | Definition and formula of ...
Q4. Determine the section modulus S, plastic modulus Z and the shape ...
Solved 2. Find the section modulus about the x-y-, and | Chegg.com
Solved Determine the elastic section modulus (Sx) and | Chegg.com
Solved Calculate the AREA (A), Section Modulus (S), and | Chegg.com
[Solved] . QUESTION 2 (a) Calculate the elastic section modulus (Z ...
Solved Determine the section modulus and select the most | Chegg.com
What Is Section Modulus Of A Beam at Tena Burns blog
Solved Calculate the section modulus for the cross section | Chegg.com
For the following figure, determine the plastic section modulus about y-y..
Section Modulus Calculation Guide | PDF | Teaching Methods & Materials
Section Modulus Calculation [Step-By-Step Guide] - Structural Basics
9.2 Determine the elastic section modulus (S), | Chegg.com
Solved (a) (30%) Calculate the elastic section modulus (Sx) | Chegg.com
Solved Compute the section modulus for the image shown | Chegg.com
Solved 14.2 Calculate the section modulus (with respect to | Chegg.com
Solved Construction The section modulus S of a beam in | Chegg.com
Solved Example : Reduced modulus Er of an idealized I | Chegg.com
Solved 3. Calculate the section modulus with respect to the | Chegg.com
Solved 4. Calculate the section modulus with respect to the | Chegg.com
Solved Derived the section modulus for: a) rectangular | Chegg.com
Solved 14-1) Calculate the section modulus for:A) A | Chegg.com
Solved Problem #2: Find the elastic section modulus, Sx, and | Chegg.com
Answered: Select the section modulus of a beam with a rectangular cross ...
Quick answer: How to calculate section modulus in autocad? - CADdikt
Section Modulus: Calculators and Complete Guide - EngineerExcel
How to find Section Modulus of Triangle - YouTube
Section Modulus | PDF | Classical Mechanics | Mechanics
Solved a) Determine the section modulus of the following | Chegg.com
Section Modulus Formulas For Different Shapes {2026} - Structural Basics
Solved 14.1 Calculate the section modulus for: (a) a | Chegg.com
Solved 1. The numerical value of plastic section modulus of | Chegg.com
Answered: 14.2 Calculate the section modulus (with respect to the X-X ...
Solved 14.11 Calculate the section modulus with respect to | Chegg.com
Solved How to calculate the section modulus of the | Chegg.com
Solved from the previous question: The section modulus is | Chegg.com
Calculation of Elastic Section Modulus For A Rectangular Section | PDF
Solved Problem 2 Determine the elastic section modulus (S) | Chegg.com
Calculation of the Plastic Section Modulus Using the Computer | Slides ...
Section Modulus - Wikipedia, The Free Encyclopedia | Structural ...
[Solved]: Find the section modulus of the figure shown with
Solved 3) Determine the section modulus with respect to the | Chegg.com
Calculation of Section Modulus PDF | PDF | Building Engineering ...
Solved Calculate the plastic modulus Sx of the section shown | Chegg.com
Solved Problem 2 (Ex-14.2) Calculate the section modulus | Chegg.com
Solved 3. Determine the section modulus with respect to the | Chegg.com
Calculating The Section Modulus Of A Steel Beam – OPHL
Solved 1) Determine the section modulus with respect to the | Chegg.com
Section Modulus
Section Modulus of Square Tube - EngineerExcel
Section Modulus of A beam(Rectangle section) - YouTube
Derivation of section modulus in case of rectangular section - Part 1 ...
Solved 2. Calculate (i) the plastic section modulus Z, (ii) | Chegg.com
Calculation of Elastic Section Modulus for a Rectangular Section ...
Chapter 2 Section Modulus Calculation | PDF | Bending | Strength Of ...
What Is Section Modulus at Kathleen Blum blog
Effective Section Modulus Calculator
Quiz & Worksheet - Modulus in Math | Study.com
Solved Question 1 5 pts Which of the following terms | Chegg.com
Solved Calculate the value of elastic section modulus, | Chegg.com
Solved Pb1. Determine the elastic section modulus, S, | Chegg.com
Solved Problem 1. (25 points each). Find the elastic section | Chegg.com
Solved Calculate the value of S (Section Modulus) and Z | Chegg.com
Answered: Determine the elastic section modulus… | bartleby
Solved What is the section modulus, S for the cross section | Chegg.com
Solved Determine plastic section modulus. | Chegg.com
math modulus formula - Mathematla Math Formula
Solved HW#6 Determine the elastic section modulus, S, | Chegg.com
What is the Section Modulus? - YouTube
What is section modulus. What is its significance. ~ Engineering Stream
Solved Q. No.1: Determine the elastic section modulus, S, | Chegg.com
Young's Modulus | OCR A Level Physics Revision Notes 2015
Modulus Functions Past Paper Questions (iGCSE Additional Maths Cambridge)
Solved Determine the elastic section modulus, S, plastic | Chegg.com
What Is The Section Modulus? - by Laurin Ernst
Section Modulus: Definition, Formula, Types, Units [with Pdf] - Mech ...
Young Modulus Support Questions | Teaching Resources
Answer Tutorial Questions 1 | PDF | Deformation (Engineering) | Young's ...
Modulus Functions: A Level Past Paper Questions for Cambridge (9709)
Modulus function : Lecture 4 How to solve modulus equations |f(x)| = g ...
Solved 1. You are finding Young's modulus of a sample of | Chegg.com
PPT - Properties of Sections PowerPoint Presentation, free download ...
Strength of Material5 Theory of Simple Bending Dr
Solved In the cross sections of problems 1 to 3 , calculate | Chegg.com
311 Ch14
Solved PROBLEM 1 For the following sections, calculate the | Chegg.com
Solved What is a 'section modulus'? Calculate the two moduli | Chegg.com
Module 4 flexural stresses- theory of bending | PPTX
PPT - Structural Design PowerPoint Presentation, free download - ID:1114184
#Shorts_24_Elastic_and_Plastic_Section_Modulus. - YouTube
Lecture 10 bending stresses in beams