Showing 100 of 100on this page. Filters & sort apply to loaded results; URL updates for sharing.100 of 100 on this page
Transmitter Code | Micro:bit Radio Control of Crickit Robotics ...
E-File 1099s: Locate Your Transmitter Control Code (TCC) – i2m
4 Things to Know About Transmitter Control Code (TCC) Requirements | Sovos
Does a transmitter control code expire? - 1099 National Software
Schematic Diagram: / Transmitter Code For Robot With Wireless Camera ...
Transmitter Arduino Code | PDF
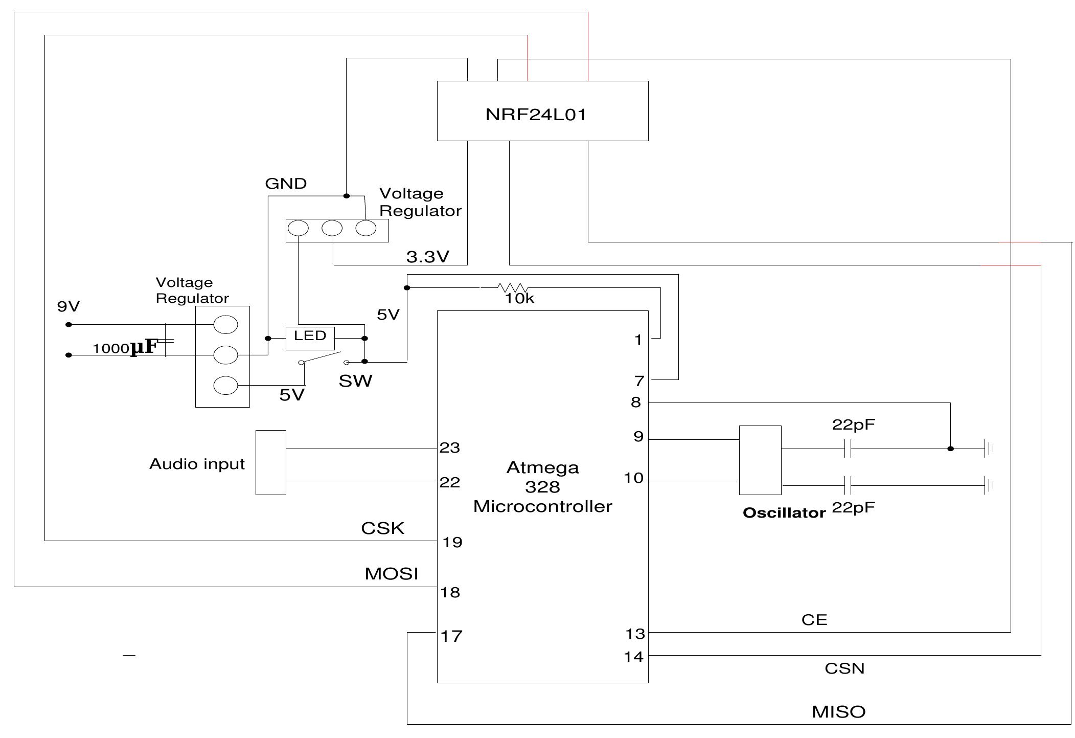
Wireless Control Transmitter Schematic
Transmitter station code | Download Scientific Diagram
Transmitter Source Code Glove .Ino | PDF | Computers
Snapshot of the transmitter code | Download Scientific Diagram
transmitter and receiver control
Step 12b. Enter Transmittal Control Code (TCC)
Transmitter Control Codes: The Adams Advantage | Adams Tax Forms Helper
Transmitter Code 1st Part. | Download Scientific Diagram
transmitter and receiver control circuit
how to make, transmitter and receiver control circuit , jlcpcb - YouTube
46.5.3.3 Transmitter Control
The control scheme on the transmitter side. | Download Scientific Diagram
31: Snapshot of the transmitter and receiver configuration code ...
How to Learn and Delete Code from Transmitter for Receiver | by ...
RC transmitter and receiver code and Diagram
how to create, transmitter and receiver control circuit , jlcpcb - YouTube
Code for reading the signal from the remote control | Download ...
Control card circuit diagram: (a) Radio Frequency pulse code modulated ...
How to Learn Code from Transmitter for Receiver - YouTube
RC transmitter used for control law testing. | Download Scientific Diagram
Test Transmitter for Radio Control Circuit Diagram | Electronic ...
Transmitter and method for transmitting an RF control signal - Eureka ...
Troubleshooting of a transmitter | Instrumentation and Control Engineering
Remote control command code forwarding method for television set ...
How to create transmitter and receiver control circuit || Radio control ...
Transmitter/Receiver Code Description Introduction To Digital ...
Transmitter, receiver, communication system, method for changing code ...
Implementation Codes of transmitter | Download Scientific Diagram
Level transmitter | level transmitter types
Solved The transmitter as shown below follows the | Chegg.com
Schematic of the experimental set up. The sample is between the ...
Level Transmitter Working Principle at Kristy Breeden blog
TEACH TRANSMITTER CODES T
Block diagram of the transmitter-side controller: (a) the transmitter ...
Signal Transmitter | PDF
Transmitter controls.
Transmitter Controls Operation | PDF | Switch | Brake
Schematic diagram of a transmitter with a programmable controller ...
Solved Question 2 A transmitter uses a coding scheme where | Chegg.com
Transmitter Example | PDF
Scheme of transmitter module | Download Scientific Diagram
How To Block A Transmitter at Sherry Starks blog
Practical Process Control System Questions & Answers - 4 - Inst Tools
Programming the transmitter ID codes for any position - YouTube
Transmitter Coding | Red Led Remotes
-1: transmitter circuit connections 3.2.1 transmitter block
Method for transmitting control information in wireless communication ...
Unit 2.3 | PDF | Modulation | Transmitter
Transmitter block diagram. | Download Scientific Diagram
Scheme-it | Wireless Transmitter System
3D FlipBook Archive | Thermonic Sensor and Control Pvt. Ltd.
Digital television transmitter and method of coding data in digital ...
transmitter2 | Instrumentation and Control Engineering
transmitter
Transmission code detection device for remote controller - Eureka | Patsnap
DP Type Flow Transmitter Calibration || Flow meter Calibration - YouTube
Transmitter for digital broadcasting system with comprehensive error ...
Setting Up the Payroll System for Tip Allocation
PPT - Smooth Year-End 1099 Processing Guidelines and Best Practices ...
PPT - RS232 PowerPoint Presentation, free download - ID:6562659
Instrument Identification Tags - Inst Tools
P&ID and PFD Drawing Symbols and Legend List
Radio Controller & Receiver
A Guide to Block Diagrams of FM Transmitters and Receivers
by SV3ORA
A visual representation of a transmitter's circuitry
INTERFACE_CIRCUITS_FOR_THE_REMOTE_CONTROL_TRANSMITTER - Remote_Control ...
What is Pressure Transmitter. Gauge Pressure Transmitter.Absolute ...
WIRELESS_FM_CODE_PRACTICE_TRANSMITTER - Communication_Circuit - Circuit ...
How to delete all transmitters codes stored in the receiver - YouTube
Index 1081 - Circuit Diagram - SeekIC.com