Showing 119 of 119on this page. Filters & sort apply to loaded results; URL updates for sharing.119 of 119 on this page
Arduino SWR and Power Meter - Ham Radio - Arduino Projects | The DXZone
Digital SWR Meter with Arduino - Technical Reference/Arduino | The DXZone
Arduino Power and SWR Meter - Technical Reference/Arduino | The DXZone
membuat swr dengan ARDUINO - YouTube
Swr Power Meter Arduino Nano at Carolann Ness blog
SWR and PWR ARDUINO
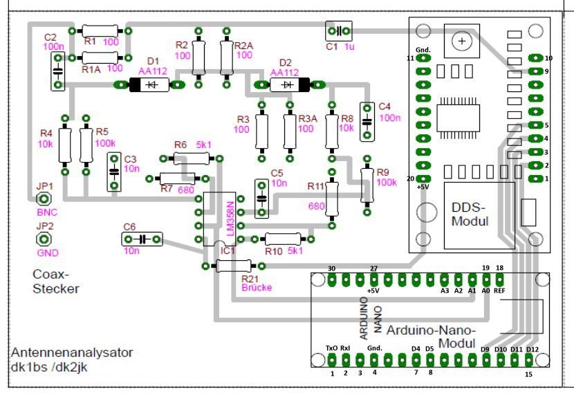
Arduino swr scanner – Artofit
Power And Swr Meter Arduino : Arduino Based Swr Pwr Meter Resource ...
Arduino SWR scanner | Radioamatori, Elettronica, Antenne
Arduino swr scanner konstrukcja – Artofit
SWR / Wattmeter with Arduino Uno Shield - Technical Reference/Power ...
Power And Swr Meter Arduino : Arduino Projects _ Usually the swr meter ...
GitHub - StarNiell/ArduinoSwrPowerMeter: Arduino SWR & Power Meter with ...
Power And Swr Meter Arduino : Power and SWR Meter, rev II - Loftur E ...
Swr Power Meter Arduino at Millard Turner blog
Arduino Antenna SWR Analyzer by DG7EAO - YouTube
KK5JY Serial/USB SWR Meter for Arduino
Arduino RF power & SWR meter
Arduino SWR Scanner by SP3NYR - YouTube
Arduino SWR Scanner 1-30 MHz by SQ9ATK - YouTube
Arduino power and swr meter – Artofit
Analizator antenowy Arduino SWR Scanner - 7804064241 - oficjalne ...
Power And Swr Meter Arduino - Rf Power And Vswr Meter Under Meters ...
SWR - Wokwi ESP32, STM32, Arduino Simulator
Arduino SWR Scanner (構想編): SDR で BCL を
TALKING SWR METER ARDUINO | Arduino, Audio amplifier
Merakit SWR meter Digital dengan Arduino Nano - Belajar Elektronika
Arduino SWR & POWER meter – 無銭家の自作実験室
LINUX AND HAMRADIO: arduino SWR analyser
Testing The KitsAndParts.com SWR Bridge With the Arduino NANO – KM4NMP
SWR / Wattmeter with Arduino Nano - YouTube
Testing The KitsAndParts.com SWR Bridge With the Arduino NANO
ARDUINO TALKING SWR METER
ARDUINO SWR meter
Arduino SWR scaner wyświetlacz cz2 c.d.n - YouTube
GitHub - clarksell/arduino-swrmeter: Arduino SWR Meter
GitHub - OZ1LQO/Arduino-SWR-PWR-Instrument: Arduino Based QRP SWR and ...
Arduino SWR & POWER meter by ON7EQ - YouTube
Homebrew SWR meter for VHF, UHF and SHF (including Wifi ISM Band)
Arduino SWR Meter | Alejandro Santos | Flickr
Arduino SWR scanner DDS AD9850 - YouTube
Digital Swr Power Meter Arduino at Ann Swarts blog
SWR analyser Arduino AD9850 AD8302 - OSHWLab
Arduino SWR scanner
Sweeper an arduino swr scanner – Artofit
Arduino SWR Scanner (Arduino Antenna Analyzer) | YU2ZZ ...
Arduino SWR Meter – Experimental Engineering
Adding SWR Measurement To The 136 KHz Arduino Tuning, 43% OFF
SWR&Power Meter With Arduino | PDF | Transformador | Sensor
ARDUINO PROJECTS
Arduino Based SWR/PWR Meter - The DXZone
SWR BY TONE
Power/Swr Meter With Arduino at David Masterson blog
SWR Power meter with protection for Solid State PA – The PA3CSG website
Swr Meter Circuit Diagram
The Complete Guide to Building an SWR Meter with a Schematic: Tips and ...
Arduino Based SWR/PWR Meter – The Board – Experimental Engineering
Arduino SWR/PWR meter - YouTube
Advanced View Arduino Projects List - Use Arduino for Projects-4.pdf
Сохраните сегодня 11 идей на доске «ARDUINO SWR meter» и на тему ...
Идеи на тему «ARDUINO SWR meter» (11) | электроника, ардуино, радиолюбитель
Arduino SWR-Power Metre | SKY
Konstrukcje prostych mierników SWR z Arduino, Atmega8 i i ...
GitHub - noorino1977/ESP32-SWR-ANTENNA-ANALIZER: SWR Antenna Analizer ...
Connecting the SWR Bridge For Testing – KM4NMP
PeP HF PWR/SWR meter with Arduino Uno - YouTube
a digital swr meter
Analizator Antenowy SWR, X, Z z wykorzystaniem platformy Arduino Mega ...
SWR_Sweeper
GitHub - kaefe64/Arduino_uSDX_Pico_FFT_Proj: Hamradio SDR transceiver ...
GitHub - sh123/nano_swr_meter: Simple portable HF 50mW-110W SWR/POWER ...