Showing 116 of 116on this page. Filters & sort apply to loaded results; URL updates for sharing.116 of 116 on this page
Transmission Borg-Warner SR4 Exploded View Diagram The Borg Warner SR4 ...
Transmission Exploded View
Making An Exploded View _ Understanding Exploded Diagrams: A Complete ...
Exploded View - gmedrills
3d - Exploded view algorithm for CAD - Stack Overflow
Exploded View | PDF
Generator Exploded View Technical Drawing Electrical Generator Diagram
Exploded View & Parts List | PDF
Exploded View Definition at Carole Spears blog
Exploded View Main Valve Block Rexroth | PDF
How to Create an Exploded View in SOLIDWORKS | Beginner Tutorial
Exploded Isometric View Guide For Tech & Product Design
Exploded View Diagram
Exploded View - Vector Documentation
Parts Exploded View | PDF
How To Draw Exploded View Drawing
Exploded View Drawing Working With Exploded Views In SOLIDWORKS
Exploded View
SRC Rear Exploded View | PDF | Land Vehicles | Human Powered Vehicles
Engine Exploded View Of Car Engine Parts Car Care BD
Automatic Exploded View Solidworks at Janice Bowen blog
File:Atlas exploded view white.jpg - Combine OverWiki, the original ...
Exploded View With Dimensions
Exploded Diagrams: SR-4; T-4; and T-5 - Eaglepedia
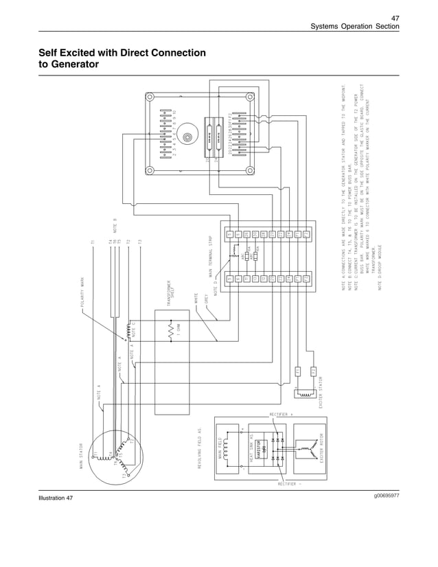
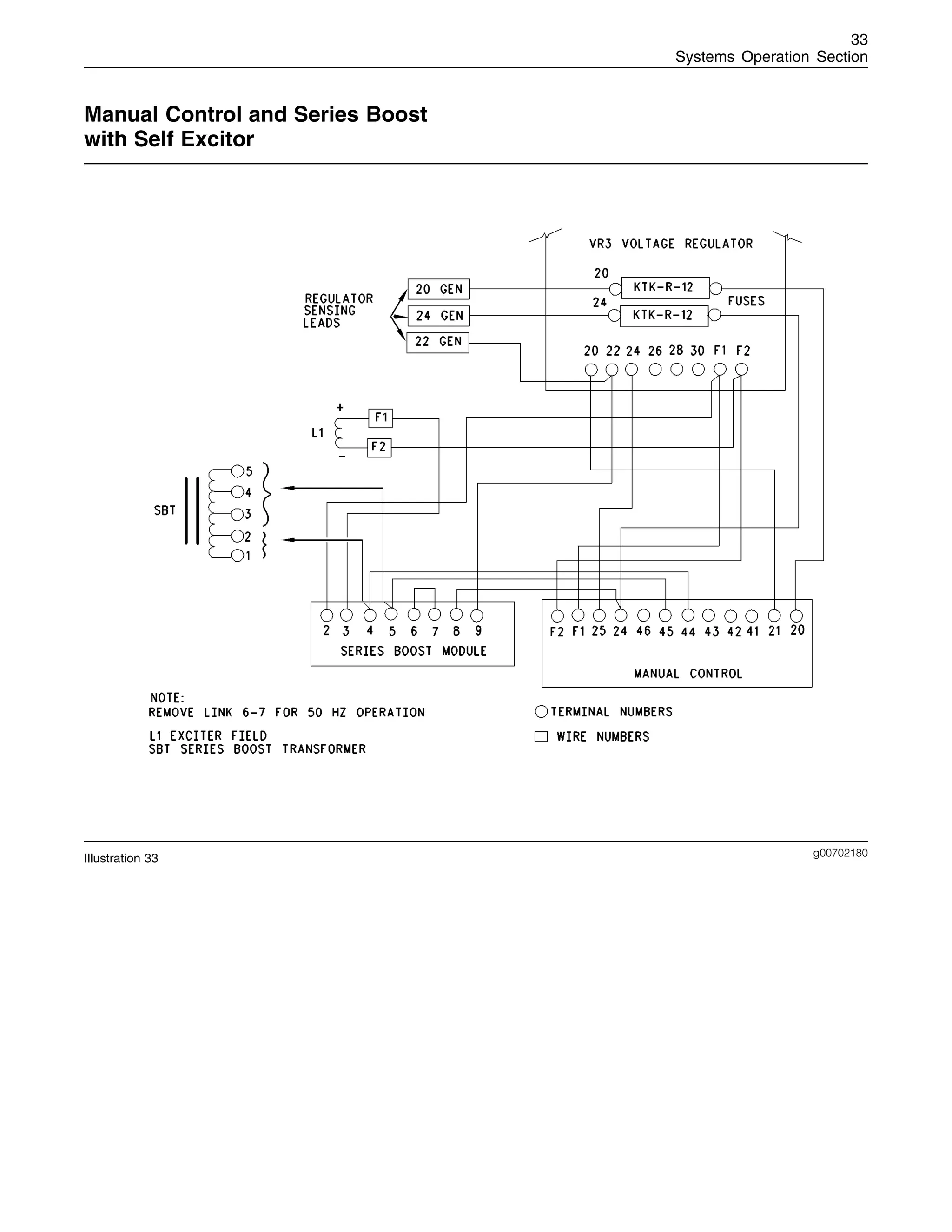
Caterpillar Sr4 Generator Wiring Diagram - Wiring Diagram
DEFENSE STUDIES: Royal Thai Army Planned to Procure Additional 2 of SR4 ...
A partly assembled SR4 prototype | Download Scientific Diagram
Borg-Warner SR4 Transmission Parts for 1980-81 Jeep CJ | Camioneta ford ...
400G OSFP SR4 MM MPO12 Optical Transceiver IB manufacturer & supplier ...
SR4 Gen OEM | PDF
Diagramas SR4 | PDF
Deconstructing Toyota: A Visual Guide to Exploded Parts Diagrams
CJ SR4
The Novak Guide to the Borg-Warner SR4 Transmission
SR4 multiple launch rocket system | Missilery.info
How to use Exploded Parts Diagrams | Orchid Information Systems
Toro Sr4 Super Recycler Parts Diagram
SR4 Max Smart – VOGE
Creating Exploded Views in SOLIDWORKS with Selection Sets | GoEngineer
EXPLODED VIEWS
SRC SR4 CO2 Series 6mm Airsoft Rifle Disassemble step - YouTube
Tips For Exploded Views Drawing Stuff You Look
Sr4 Generators Part Numbers & Arrangement Numbers | PDF
Exploded view: Arrma Outcast 4S V2 BLX 1:10 4WD RTR - Chassis | Astra
SR4 Plus User Manual | PDF | Power Supply | Electric Motor
Exploded Views for 4x4s, SUVs, & Light Trucks
Caterpillar SR4 55 KW Gen Set | Agriculture | BigIron
The Mustang II Organization
SR4|3 - 2RadGeber.de
Toro Lawn Mower Parts Diagram at Garrett Kirk blog
IME Description
caterpillar-connection-diagrams-sr4-and-sr4b.pdf | Radio Control ...
A Study Of Early Model Generators [Murfy.US]
EMERSON Bettis CBA300 CBB CBA300-Series Pneumatic Valve Actuator ...
caterpillar-connection-diagrams-sr4-and-sr4b.pdf
Sheet Metal Drawings: A Comprehensive Guide
Toro Walk Behind Lawn Mower Parts at Charles Lindquist blog
Toro Push Mower Diagram at Jorja Helms blog
Toro Recycler 20016 Parts Diagram
Caterpillar SR4: Prices, Specs, and Trends
400G光模块的封装类型解析-易天光通信(ETU-LINK)
How to Read & Create Engineering Drawings: Views, Symbols & GD&T
Victor 0781-1408 SR4F-580 High Pressure Regulator - Eezee
Toro Lawn Mower Parts Explained
BETTIS G Series Scotch Yoke Pneumatic Actuator - Reliable Performance
Visualizing the Inner Mechanics of a 1976 Jeep CJ7 with a Detailed ...
Fixing the #1 Problem on the OM642 Mercedes Diesel – DIESEL NEWS, INFO ...
3D Product Rendering - Unleash the Potential of Product 3D
Sr4B Generator Parts List at Darcy Housley blog
Exploded-View Drawing | PDF | Vehicles | Manufactured Goods
Discover the Undercarriage Diagram of the Toyota Tacoma
400G OSFP光模块种类及连接方案概述-CSDN博客
Visual Guide: Chevrolet Parts Diagrams in Stunning Detail
siat SR4-S Type A Instruction Manual And Spare Parts List | Manualzz
Bettis Actuator Selection Guide at David Headrick blog
The Ultimate Toro Trimmer Parts Diagram: A Comprehensive Guide
Factory Documents - autohistorypreservationsociety.org
1+ Thousand Exploding Car Parts Royalty-Free Images, Stock Photos ...
SUPERVAC V18-BW Super Vac Ventilation Fans User Guide
Shift Linkage Bushing On A Honda Civic at Minnie Steadman blog
Breakdown of the Ford 4.6 Engine: A Detailed Parts Diagram