Showing 120 of 120on this page. Filters & sort apply to loaded results; URL updates for sharing.120 of 120 on this page
How SCR Works! SCR Module Working in Hindi! How to Read SCR Module ...
Thyristor SCR Module,Thyristor SCR Module Silicon Bidirectional ...
Thyristor SCR Module,Thyristor SCR Module Silicon Thyristor Rectifier ...
Thyristor SCR Module,Thyristor SCR Module Silicon Silicon Control ...
Miller 218296 SCR Module Kit
SCR Module at Rs 1500/unit | Power Semiconductor Devices in Pune | ID ...
SCR Thyristor Module 10000W | High-Performance Motor Controller ...
Multi-Protection SCR-3 380V SCR Power Module 200A Voltage Regulator ...
SCR Module Guide: Automotive Emissions & Electronic Controls
SCR frame remove and replace. - Accurity Industrial
Structure of the proposed SCR module for stage 1. | Download Scientific ...
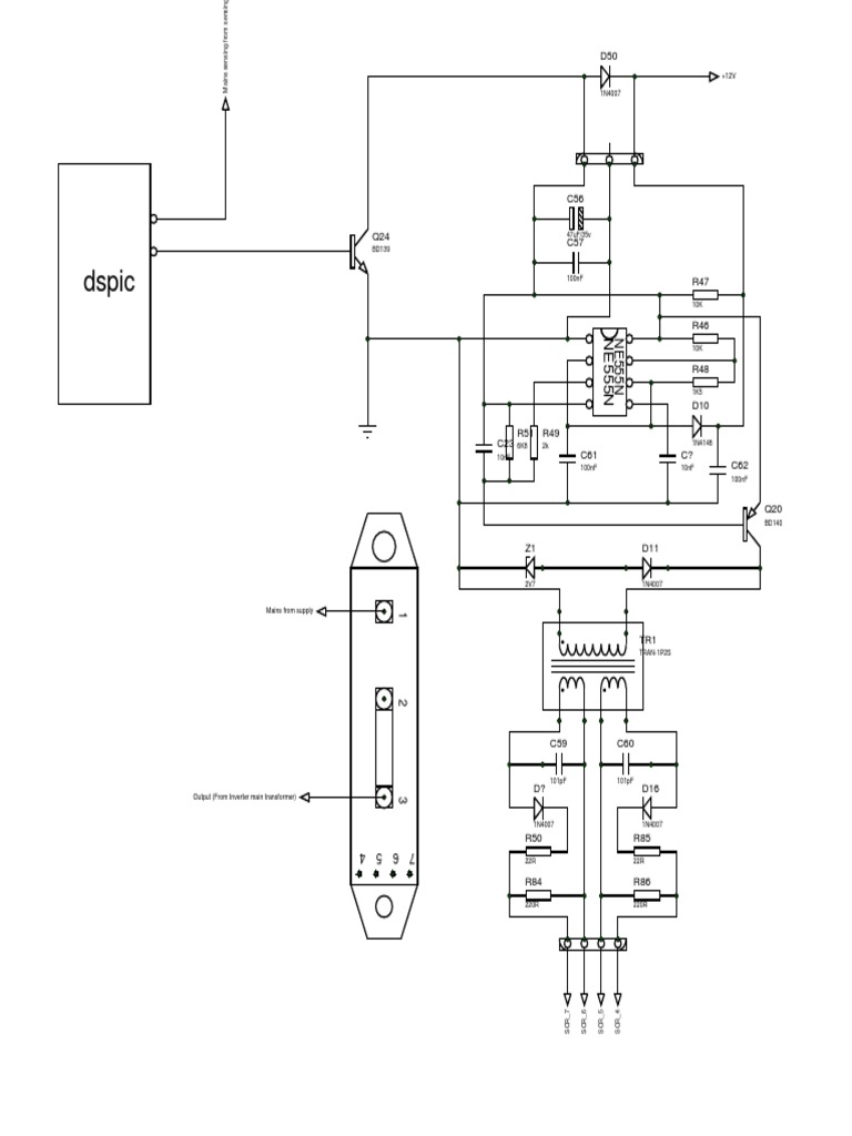
SCR Module Schematic | PDF | Power Electronics | Electrical Engineering
Electrical SCR Thyristor Module with Surface Mount - Datasheet Included ...
Schematic diagram of SCR control module | Download Scientific Diagram
MCMA120UJ1800ED SCR Module 1.8 kV Bridge, 3-Phase - SCRs/Diodes Chassis ...
Semikron SKKT55/14H327N SCR Module -1400V, 55A SCR for Power Control ...
SCR Pro 4X OS20 BMX Racing Frame – Crupi BMX
Thyristor Module,Bidirectional Thyristor Module Silicon Thyristor SCR ...
Aftermarket Dual scr module 90A 1200V For Deep Sea
Experienced supplier of 1000A ANTI-PARALLEL SCR module,SCR module ...
VHF36-16IO5 SCR Module 1.6 kV Bridge, Single Phase - SCRs/Diodes ...
Amazon.com: SCR Modules Power Module MODULE SCR/DIODE : Industrial ...
Ruttonsha SCR Module at ₹ 1000/piece | SCR Modules in Bhavnagar | ID ...
SCR Mini Racing Frame – Crupi BMX
Voltage controlled input SCR regulator module | Electronics and domotica
SCR Power Module (MTC-90A) - Scr Module and Power Module
AC & DC SCR Module 0521-2500-00, 0522-2400-21 – New – RIG MANUFACTURING
SCR Pro XL OS20 BMX Racing Frame – Crupi BMX
Sailton Brand High Quality Power Module SCR Modules - Sailton Brand ...
NOV 1530 SCR Control Module at ₹ 999/piece | New Items in Bhavnagar ...
TD500N12KOFS01 SCR Module 1.2 kV 900 A Series Connection - SCR/Diode ...
Hot Selling 3-Phase Silicon Controlled Rectifier SCR Module for ...
SCR Thyristor Semiconductor Module Standard Mounting for Versatile ...
Welding Machine SCR Modules, SCR Module, Thyristor Module - Scr and ...
SCR MODULE 1.6KV 235A MODULE Integrated Circuits Original Thyristors ...
4000W SCR Module – Synronic
SCR Module Power Module FF200r12ke4 - FF200r12ke4 and Power Module
Scr Power Controller - SKKT106B16E SEMIKRON THYRISTOR MODULE Importer ...
Understanding Selective Catalytic Reduction Systems and SCR Design ...
Module Replacement | Control Concepts, Inc.
SCR Modules at Best Price in India
SCR Motor Controller 2000W, 220V AC Motor Speed Controller Voltage ...
SCR Modules at best price in Mumbai by Empire Electronics | ID: 17492087733
Schematic of the AC-based solid SCR system. | Download Scientific Diagram
ESP32 + SCR module: Linearly adjust the power output of resistive loads ...
What is SCR? VI Characteristics of SCR and Construction
SCR Modules at Rs 650/piece | SCR Modules in Delhi | ID: 19484942733
SCR Frames – Crupi BMX
Cross-sectional views of SCR structures: (a) conventional SCR ...
DC Control ACSCR Module,SCR Module Thyristor Control Electronic ...
Semiconductor Module,Bidirectional Thyristor Module Silicon Thyristor ...
How do SCR works and basic circuits | ElecCircuit.com
Schematic diagram of SCR system with corresponding sensors (a) and with ...
SCR Modules Definition | PDF | Business
Water cooled Isolated SCR Modules | Darrah Electric Blog
Semiconductor SCR Modules Fast Switching Thyristor Modules Mf90 600 ...
SKKT500/16E Semikron SCR/SCR Module at ₹ 780/piece | Semikron Thyristor ...
Silicon Controlled Rectifier | SCR Modules | Littelfuse
Figure 4 from Vertical SCR structure for on-chip ESD protection in ...
SCR Diagram and Construction » Hackatronic
VHF 28 Power Modules SCR Modules Rectifier Modules - Element ...
MCC501-16IO2 SCR Modules Dual Thyristor Modules at ₹ 8200 | Semikron ...
Electrical Revolution: Structure, Equivalent circuit and Working of the SCR
SCR Modules in Mumbai, Maharashtra | Get Latest Price from Suppliers of ...
SCR Modules Manufacturers in India
SCR Modules at ₹ 500/piece | SCR Modules in Mumbai | ID: 21032135712
SCR OS20 Frames – Crupi BMX
Design and implementation of a module for teaching and research on SCRs ...
construction working and characteristic of SCR | PPT
ESD Research of SCR Devices under Harsh Environments
Silicon Controlled Module, Thyristor Module, SCR Module, Module, S ...
Electronic Component SCR Modules Fast Switching Thyristor Modules Mf130 ...
Figure 1 from Design of embedded SCR device to improve ESD robustness ...
SCR architecture and its interfaces to the RF transceiver. | Download ...
MCC95-08i01B IXYS SCR/SCR Module at best price in Mumbai
Semikron Scr Modules, Surface at ₹ 5230/piece in Chennai | ID ...
SCR Modules Fast Switching Thyristor Modules Mf70 600-1800V - Power ...
VI Characteristics of SCR (Silicon controlled rectifier)
Make: Infineon TD430N22KOF SCR Modules 2200V 800A at ₹ 1000/piece in ...
SCR Modules – Mouser
Silicon Controlled Rectifiers Connected as a Power Triac
Silicon Controlled Rectifier (SCR): Construction & Working
Silicon controlled rectifier (SCR).ppt
Thyristor Modules, Series Overview, Datasheets – AS ENERGI
SCR/DIODE MODULES | PHD Power
The Ultimate Selective Catalytic Reduction (SCR) System Guide | KUS ...
Silicon Controlled Rectifier Thyristor Review and Circuits
SCR结构阐述-CSDN博客
Scr-diode Modules at Best Price in Mumbai, Maharashtra | Pearl Electronics
SCRs - Modules | Thyristors | Electronic Components Distributor DigiKey
Silicon control rectifier | PPT