Showing 119 of 119on this page. Filters & sort apply to loaded results; URL updates for sharing.119 of 119 on this page
NEXEN N FERA RU5 - Venta de llantas en Oaxaca Grupo MTO
245/50 R20 NFERA RU5 NEXEN- NEW ZEALAND
Nexen Nfera RU5 tyres - Reviews and prices | TyresAddict
Nexen N'Fera RU5 Performance Passenger Tires Online | SimpleTire
넥센 엔페라 RU5 한 달 사용기 : 올 뉴 카니발 타이어, 235 55 19, 가성비 타이어 : 네이버 블로그
LLANTA 255/45R20 105V NEXEN Nfera RU5 (Made in KOREA)
Performance SUV Tyre | N FERA RU5 - NEXEN Tyres NZ
N'FERA RU5 | 엔페라 RU5 | NEXEN TIRE
Летняя шина Nexen N'Fera RU5 - YouTube
Nexen N'Fera RU5 All Season 275/40R20 106W Passenger Tire - Walmart.com
Insight RU5 Upright Bike - Targetfit
Roadstone 275/40R20 106W NFERA RU5 | Tyres | Tempe Tyres
Nexen N'Fera RU5 XL Шины летние 225/65 R17 106V 1353954 (1564085431)
235/55 R19 NFERA RU5 NEXEN - NEW ZEALAND
To love ru5 by ottomanabc on DeviantArt
Nexen N'Fera RU5 - The Tyre Centre
Form RU5 Download Printable PDF or Fill Online Request to Change an ...
RU5 Recumbent Bikes - New Fitness
Шины Roadstone N'Fera RU5 265/50 R20 111V XL
RU5 - Test 1 | Free Interactive Worksheets | 4234395
Ru5 - Montagne du Haut Languedoc
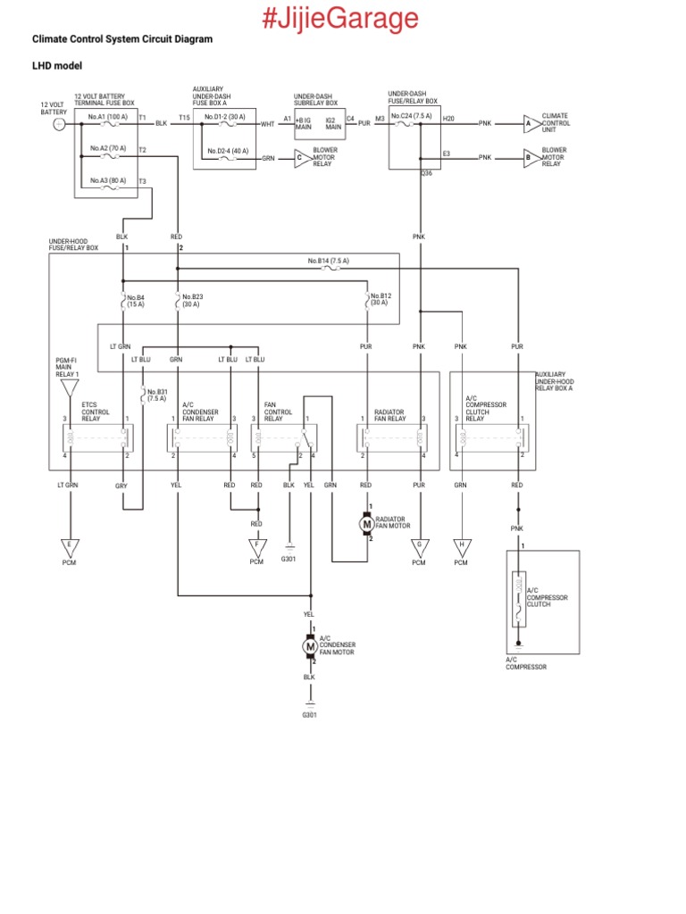
HRV RU5 Climate Control System Circuit Diagram | PDF | Electrical ...
Roadstone N'Fera RU5 XL Шины летние 225/60 R17 103V 1197580 (1399956893)
Roadstone N`Fera RU5 275/40 R20 106W купить в Москве, летняя шина ...
Nexen NFERA RU5 P 235 /60 R17 103V XL BSW | America's Tire
Nexen 235/55 R20 105V XL N'Fera RU5 - Neumacenter Web
Falke RU5 Hardloopsokken Heren - white-lightning 2021 | BIKE24
Roadstone-Nexen NFera RU5 215/65 R16 102H XL — купить в интернет ...
Roadstone N-Fera RU5 105V 245/60R18 Qiyməti, Kreditlə satışı
☀️Roadstone N'Fera RU5 ЧЕСТНЫЙ ОБЗОР! НЕКСЕН ЧТО-ТО ЗАДУМАЛ! НА BMW X5 ...
넥센타이어 엔페라 RU5 장착 주행 후기 : 네이버 블로그
Buy Nexen N'Fera RU5 Tires Online | Tirebuyer
HRV RU5 Cooling Fan Controls Circuit Diagram With Keyless | PDF
Шины Roadstone N'Fera RU5
Roadstone Nfera RU5 225/65 R17 106V — купить со скидкой
RoadStone N 'Fera RU5 — BMW X5 (F15), 3 л, 2017 года | шины | DRIVE2
Шини Roadstone N Fera RU5 225/65 R17 106V - купити гуму за найкращою ...
Kit 4 Pneus 255/55 R19 111w N'fera Ru5 Extra Load Nexen | Parcelamento ...
Прикупил новые летние шины Roadstone N'Fera RU5 245/55 R19 103V ...
Nexen N'Fera RU5 Tire Reviews & Ratings | SimpleTire
New Tires! NEXEN N'Fera RU5 review! - YouTube
쏘렌토R 엔페라 RU5 타이어 교체 후기 : 네이버 블로그
Шины Roadstone NFera RU5 225/60 R17 103V XL ᐈ купить в Одессе | Top ...
Nexen N'Fera RU5 | TireBuyer.com Review - YouTube
LLANTA 235/65R18 110V NEXEN Nfera RU5 XL (Extra Load) (Made in KOREA)
Купить Roadstone NFera RU5 285/60 R18 116V недорого в Молдове
Instagram photo by RU5 🇮🇩 • Dec 23, 2024 at 3:33 AM
Обзор летней шины Roadstone Nfera RU5 Автосеть - YouTube
넥센 RU5 지우개네요... - 뽐뿌:자동차포럼
255/55 R20 107V Nfera RU5 XL NEXEN
Nexen N Fera RU5 245/50R20 102V 14070 | THMotorsports
Køb Falke RU5 Korte Løbestrømper Herre - Blå
NEXEN® N FERA RU5 Tires
ru5 | German Cars For Sale Blog
235/60R18 ROADSTONE N FERA RU5
Amazon.com: Nexen N'Fera RU5 Radial Tire - 225/55R18 98V : Automotive
Nexen N Fera RU5 - Tyre Reviews And Ratings
Nexen N'Fera RU5 All-Season Tire - 255/50R20 109W - Walmart.com
Pneu Nexen Aro 19 255/45R19 100V N'Fera RU5 - Pneu de Carro - Magazine ...
Roadstone Nfera Ru5 255/60r18 112v
Nexen Nfera Ru5 235/55r18 104v
Buy Nexen N Fera RU5 - 235/65R18 (110V) - 2025 Mfg-2025 – RimRubber.qa
Nexen Nfera Ru5 255/55R18 Tires | 12605NXK
Pneu Nexen 235/60r18 Nfera Ru5 4l Ht 107v Tucson Sportage ...
Pneu Aro 18 225/60r18 100v Nexen N'fera Ru5 V | Frete grátis
NF RU5 - Bathurst Automotive 4x4
Llantas ROADSTONE NFERA-RU5 275/45R20 | Virtual Llantas
Biplane-like small N-heterocyclic carbenes as effective ligands in ...
🔥耐克森轮胎RU5:跑者新宠,征服路途的秘密武器?-生活-淘宝百科网
🔥轮胎界的宝藏!耐克森RU5,绝绝子好用到哭!-生活-淘宝百科网
RU5-Revision 3 … | Free Interactive Worksheets | 2030100
RU5-Revision 2 - Units(1-6) worksheet | Live Worksheets
RU5-Progress 5-Units(12-15) worksheet | Live Worksheets
Residential_Unit_5_Global_(RU5)_on_the_Storylines_MV_Narrative_Luxury ...
耐克森轮胎RU5怎么样?值得入手吗?🚗轮胎界的黑马了解一下!-耐克-淘宝百科网
RU5-Progress 4-Units(10-12) worksheet | Live Worksheets
Nexen Tire Releases Premium SUV Tire “N'FERA RU5” - Korea IT Times
谁说舒适性和运动性不能并存—耐克森N’FERA RU5_搜狐汽车_搜狐网
Ru5(CO)14(mu5-eta2-CCPh)(mu-PPh2) 85957-33-1 wiki
耐克森ru5轮胎使用感受
Roadstone N'Fera RU5: обзор летних шин. КОЛЕСО.ру - YouTube
耐克森RU5是SUV车胎吗?真相来了!-耐克-淘宝百科网
Front Wheel Bearing - Honda HRV (RU5) - EXTREME MARKET PLACE
NEXEN TIRES | Tyrex Kenya Enterprise Ltd
Engrenagem de Tração para Fusor RU5-0984-000 para HP P1102w P1005 M1132 ...
ASE阀RU5-435-上海瑞阔自动化技术有限公司
Página inicial da loja Produtos Avaliação
@ru5_basketball | Linktree
255 50 20 넥센타이어 최고급형 엔페라RU5 판매 | 헬로마켓
3. 엔페라 RU5와 함께한 3주차, 총평과 연비 : 네이버 블로그
넥센타이어 '엔페라 RU5'
235 55 19 넥센 엔페라RU5 타이어 파주 일산 ... | 휠/타이어 | 중고나라
Llantas ROADSTONE NFERA-RU5 315/35R20 | Virtual Llantas
LLANTA 255/55R20 107V NEXEN Nfera-RU5 (Made in KOREA)
넥센 엔페라 RU5와 넥센 로디안 GTX 비교 : 네이버 블로그
Nexen N'Fera RU5, 235/55R19 105W, All-Season High Performance Passenger ...
NEXEN | N'FERA-RU5 | 235/55 R20
Llantas ROADSTONE NFERA-RU5 255/55R20 | Virtual Llantas
Llantas ROADSTONE NFERA-RU5 235/65R17 | Virtual Llantas
Llantas ROADSTONE NFERA-RU5 255/50R20 | Virtual Llantas