Showing 84 of 84on this page. Filters & sort apply to loaded results; URL updates for sharing.84 of 84 on this page
GRE Quick Reference Guide | Knygos.lt
What Is The Symbol For Gold ETFs: Quick Reference Guide For Traders ...
MassageStore Trail Guide to the Body's Quick Reference to Stretch ...
2025 Kentucky Derby: Quick Reference Guide – Start Here | News ...
Diabetes Cheat Sheet 2026: Quick Reference Guide - Studocu
Amazon.com: Sourdough Bread Baking Quick Reference Guide – Beginner ...
Welded Electrical Connections Quick Reference Guide (CADWELD) - Studocu
Chase Lost, Damaged & Delayed Luggage Quick Reference Guide
🧠🫀 Weight of Human Organs A quick reference guide for medical ...
1E7 Statics Quick Reference Guide for Concepts and Equations - Studocu
2018 Chrysler 300 Quick Reference Guide - Online Viewer (Page #2)
Macbeth Summary Quick Reference Guide - Shakespeare Literature Study ...
Timely Filing Limits for Health Insurance: Quick Reference Guide (2026 ...
First Impressions for Sales Professionals: A Quick Reference Guide ...
2pcs Golfers Quick Reference Distance Card Golf Club Range Estimation ...
The Acid Alkaline Food Guide: A Quick Reference to Foods and Their ...
TV Repair BD - SOT-23 Transistor Reference Guide – 21... | Facebook
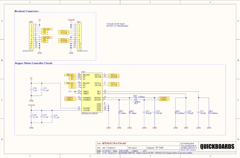
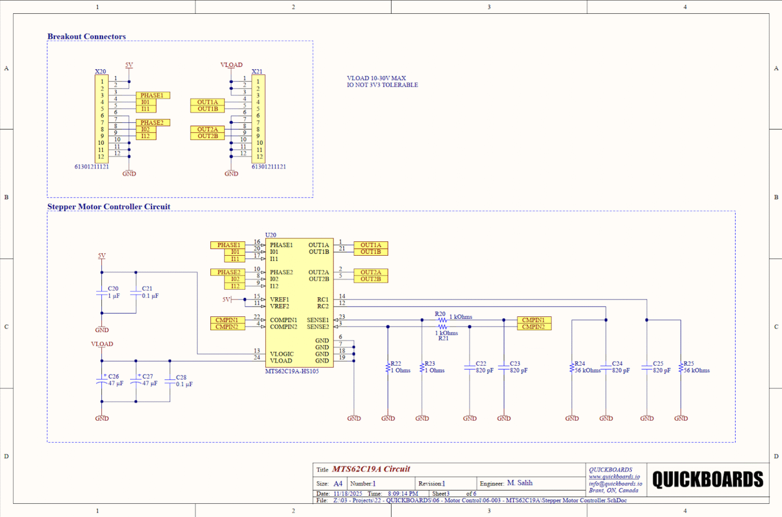
MTS62C19A-HS105 Stepper Motor Driver Reference Design Guide
Tools For Locating Your Local Constituency Office: Quick Guide ...
Get a free copy of our Electronic Warfare Quick Reference Guide: https ...
Amazon.com: Japanese Vocabulary: a QuickStudy Laminated Reference Guide ...
VIGIL VH-DECODER-4K Quick Start Guide - 3xLOGIC
New MBS Quick Guide — download the May issue | AusDoc
Verb Tenses Chart Poster | English Grammar Reference Guide by Hiep ...
MCP Cheat Sheet: Model Context Protocol Quick Reference (2026)
Amazon.com: Excel Tips & Tricks: QuickStudy Laminated Reference Guide ...
Types of Reference Styles in Research Papers: A Complete Guide for ...
2024-2025 Quick Guide To Georgia Hunting Season Dates – Georgia Outdoor ...
Final Exam Quick Guide NUR 165: Vital Signs & Risk Factors - Studocu
Harvard Quick Referencing Guide - Studocu
git Show Differences: A Quick Guide to Understanding Changes
Photography Cheat Sheet Cards For Beginners - 15 Double-Sided Quick ...
Airline Ticket Number Guide 2026: How to Find Your 13-Digit Code (With ...
Alberta Fall Protection Guide for Roofing | FlatRoofingInsights.com
Chinese Baby Gender Calendar 2026: Reference Chart & How to Use It ...
Best Businesses to Start With ₦1 Million in Nigeria for Quick ROI (2026 ...
Ninja Luxe Cafe ES601 Manual and Quick Start | Espresso Insider
Quick start - Lovable Documentation
Mistral API Guide — Endpoints, Pricing, and Code Examples (2026)
Advanced Settings - Veeam Backup & Replication User Guide
Dmitrovskiy Gorodskoy Okrug Dating Guide for Regular Users | - Latest ...
Kaurenoic acid phyproof Reference Substance 6730-83-2
IPF Approved List 2026: Ultimate Guide to Legal Gear
Quick Start - llama.cpp
4-Phenylphenol certified reference material, TraceCERT®, Manufactured ...
Sheridan City Guide for Regular Clients | - Latest Escort Updates ...
Amazon.com: Diabetes Food List Chart,Magnetic Healthy Food List,Quick ...
Fisher OB60SD16PLX1 60CM SERIES 7 CONTEMPORARY PYROLYTIC OVEN
Amazon.com: Gemstone & Crystal Properties: QuickStudy Laminated ...
Free Printable Healing Crystals Charts - Free Printable Charts
Framer: Create a professional website, free. No code website builder ...
ITEQ PCB Material Cross-Reference Guide: Find Equivalent Materials ...
Ranitidine Impurity J Pharmaceutical Secondary Standard; Certified ...
Levetiracetam-D6 solution 100 μg/mL in methanol, ampule of 1 mL ...
Aider Git Error Fix: Common Aider Issues and Solutions (2026)