Showing 120 of 120on this page. Filters & sort apply to loaded results; URL updates for sharing.120 of 120 on this page
Hopper Crystals that Form Hopper and How to Use Them
Central Charging Hopper Pyrite Mine Stock Photo 759507271 | Shutterstock
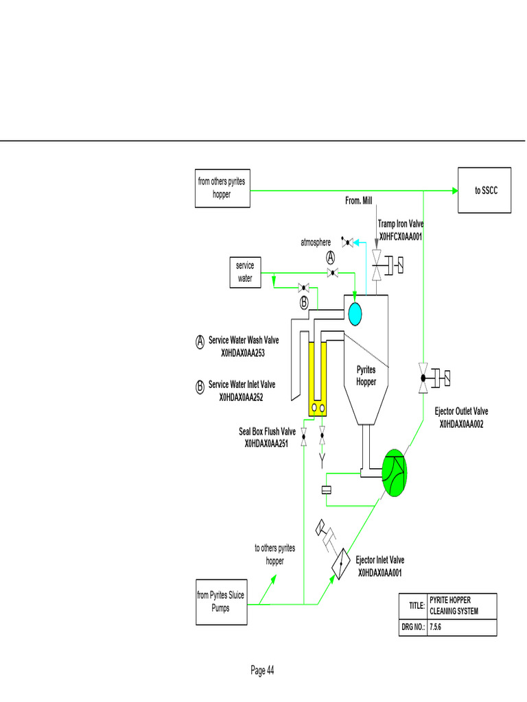
Pyrite Hopper Cleaning | PDF
Process Flow Diagram - Pyrite Hopper PDF | PDF
Pyrite Hopper CV Speed Switch (SSM-613) Manual | PDF
674 Mining Hopper Images, Stock Photos & Vectors | Shutterstock
Pyrit | minerals-fossils.cz
KR200421730Y1 - Support structure of pyrite hopper - Google Patents
What is Hopper Crystal - Geology In
Used Pyrex Machine Hopper - Summit Systems Group
Pyrite Hopper Witnessed Report 1278 | PDF
What Are Hopper Bins at Gwendolyn Samuels blog
Clinker Hopper / Hydraulic Conveying System | Kawasaki Heavy Industries
Receiving hopper
PyRIT (azure/pyrit) | Context7
Aggregate Hopper With Weighing and Conveyor - PLD Serie Concrete ...
Pyrit v hornině | minerals-fossils.cz
Mineralischer Pyrit Bilder - Kostenloser Download auf Freepik
PRITY Pellet hopper FRONT 45 on legs – PRITY – Fireplaces & Stoves
(1) Hopper 1 by ART4IK1211 on DeviantArt
Hopper
Stainless Steel Hoppers - Stainless Steel Conical Hopper Latest Price ...
Journal of Applied Treknology - The Hopper Project
Pyrit | 4C Minerals
Hoppers and Hopper Design for Reliable Flow of Powders and Bulk Solids.
Pyrit | Sběratel minerálů
pyrit kube narreguld krystaller mineraler krystalhulen krystalbutik
Pyrit hi-res stock photography and images - Alamy
Museum Pieces: History of the Hopper - Xpert Fly Fisher
Walthers - 40' Ortner 100-Ton Open Aggregate Hopper - Ready to Run ...
HOPPER FOR BORED PILE AND CONCRETE FOUNDATION EQUIPMENT | Concrete ...
Pyrit c187 - lotosmineraly.sk
The Hopper Collection Campaign - MyMiniFactory
Telestack LF520 Mobile Hopper Feeder | Cooper Handling
White Papers - Tata Consulting Engineers
MRHS - Mill Reject Handling System in Thermal Power Plant
Wear Resistant Pyrite Hoppers | Coal Mill Modernization
[7.46MB][화력발전소]를 알아보자2 -보일러본체,회처리계통 - DogDrip.Net 개드립
ICE Meca Tech
Thumbnails Gallery Page 1 - M&W Minerals
MELCO INDIA PVT. LTD
Raw Coal Spillage Or “Pyriting”
Practical Pyrite Mineral Processing Technology - JXSC Machine
Pyrite Ore Processing Plant | Gravity Separation for 45% Sulfur ...
The Most Practical Pyrite Beneficiation Plant, Pyrite Beneficiation Process
Learn About Pyrite - YouTube
Pyrite Processing | Equipment, Process Flow, Cases - JXSC Machine
Mineralatlas Lexikon
Coal Gangue Vertical Roller Mill
Australian Mining Hoppers Explained - Industrial Plastics
Portfolio | Glory Interlink Sdn Bhd
grain-receiving-hopper - L& R Manufacturing
Principle of operation bowl mill | DOCX
WILD-HOPPER prototype. | Download Scientific Diagram
Metso Mill Feed Chute Solution - YouTube
Visual abstract showing a typical use of PyHopper and some of its key ...
Getting Started with PyRIT: Deployment Guide
Pyrite - Complex Growth from the Huanzala Mine, Huallanca District
Pyrit- Erdschatz
How to Harvest Pyrite Mcadoo Pennsylvania Minerals easy DIY - YouTube
35 Minning tunnel Images, Stock Photos & Vectors | Shutterstock
(DOC) Mill Pyrite Jet Pump Inlet Valves Passing
Chemistry Books | Extraction of Copper From Copper Pyrites | Froth ...
Chalcopyrite vs. Pyrite - How To Tell Them Apart (With Photos)
Mill reject system in thermal power plant | PPT
Pyrit: složení, histore, nálezy | Blog | Eminerals.cz
Idt Images, Stock Photos & Vectors | Shutterstock
Bowl Mill (Pulverizer) in Thermal Power Plant
Drawdown Hoppers | Mining Machinery & Equipment | Carman Industries Inc.
The copper pyrites is concentrated by froth floatation process
How are cubic pyrite crystals formed? - Natural History Curiosities
Fully Automatic 30 TPH Mild Steel Hopper, For Industrial at ₹ 1150000 ...
3.2" Natural Pyrite Cube Cluster - Spain (#232631) For Sale - FossilEra.com
NEWCON Knife Gate Valve for Slurry Application | PDF
Where And How To Find And Identify Pyrite In 2024
Pixar's 'Hoppers' trailer transplants girl's mind inside a beaver — it ...
Custom Fabrication - American Energy Products, Inc. - Nationwide Service
excellent pyrite from Switzerland - MisterMineral.com
일반 타이어형 포트 배출 호퍼, Bossgoo.com의 고품질 일반 타이어형 포트 배출 호퍼
Inferred pyrite growth via the particle attachment pathway in the ...
Pyrite nodule | American Aggregates Corp. Quarry, Indianapolis, Marion ...
Perfect Pyrite Cube
Pulverized Coal Feeding & Handling System - YouTube
Pyrite Crystal Structure A Mans Science Lab: March 2011
2.5" Natural Pyrite Cube Cluster - Spain (#240755) For Sale - FossilEra.com
Pyrite Clusters
Pyromorphite (hoppered xls) from Bunker Hill Mine, Kellogg, Idaho
2.45" Natural Pyrite Cube Cluster - Spain (#227691) For Sale ...
3.75" Natural Pyrite Cube Cluster - Spain (#232630) For Sale ...
Pyriet Piriet Informatie en weetjes
3.1" Natural Pyrite Cube Cluster - Spain (#227686) For Sale - FossilEra.com
3.5" Natural Pyrite Cube Cluster - Spain (#240757) For Sale - FossilEra.com
The "Show Poster Pyrite" | Ground Hog Mine, Battle Mtn., Gilman Mining ...
Mineralatlas Lexikon (english Version)
Advanced Hoppers - Stevens
Hoppers