Showing 120 of 120on this page. Filters & sort apply to loaded results; URL updates for sharing.120 of 120 on this page
Programmaator Car Prog II - AUTOGUN OÜ
Programmaator XPROG 6.50 - AUTOGUN OÜ
Programmaator PSA BSI Tool - AUTOGUN OÜ
Programmaator USB EEPROM Bios Flash CH341A - Oomipood
Programmaator KESS - AUTOGUN OÜ
Python programátor - Kariéra v Seznamu
Profesia de programator de jocuri video și impactul inteligenței ...
C# .NET Core [GIS] programátor - Martin na 12 mesiacov
Programator EEPROM i Flash CH341A BIOS Duży Zestaw Do Programowania ...
Ezp2019 Programator Bios Eprom w Mikrusy.pl
AVR / MCS-51 programátor kompatibilní s USBasp ISP + IDC páskou - HW ...
Programator Willem 7.1 uniwersalny programator pamięci Eprom, Flash ...
Programator czasowy na szynę cyfrowy tygodniowy | Electro24.pl
Elektroniczny programator czasowy, MINI, 10 programów
Programator Arduino Uno - Niska cena na Allegro
Programator AVR / MCS-51 zgodny USBasp ISP + taśma IDC - HW-437 Sklep ...
PROGRAMATOR CZASOWY WŁĄCZNIK/WYŁĄCZNIK LCD CZARNY PO POLSKU ...
PROGRAMATOR ESP32 DO MODUŁÓW SERII ESP-WROOM-02 - Specjalizowane ...
Jak ustawić programator czasowy? Prosta konfiguracja mechanicznego ...
Programmator haqida ma'lumot ularning pilus va minusi - YouTube
Programator MSALAMON mega zestaw programator EEPROM i Flash na CH341A ...
Launch X-431 ECU & TCU programator Za mapiranje i fleshanje podataka
Profesionální programátor EPROM pamětí Dataman S4 - funguje i bez PC ...
Programowanie kości bios programatorem CH341A - YouTube
Programator ceas digital Siemens SEH62.1
EZP2019+ Programator FLASH i EEPROM do BIOSu i nie tylko 😈 - YouTube
Programator pentru irigare/udare inteligent Smart Garden 55399 ...
How to be a Programmator - YouTube
Programator za navodnjavanje Dedra 80N301 » Vidam webshop
Programator Orbit, Easy Set Logic, exterior – Picurare
KXTD Programmator - Download & Review
Web Development Company PNGs for Free Download
PROGRAMATOR ESP32 DO MODUŁÓW SERII ESP-WROOM-02 (kod: ESP32 ...
Build an Arduino EEPROM programmer - YouTube
Pracovné miesta pre programátorov
Programator chei auto - Launch X-Prog 3
Programmator
Programator MULTI-PROG, MULTI PROG Xhorse
2026 Launch X-431 ECU & TCU Programmer Standalone Cloning Device 2D ...
Programátor pre práčky: typy, dizajn, výmena
eeprom-programmer · GitHub Topics · GitHub
Programator w pralce – jak działa i co zrobić, gdy się zepsuje?
Založte si “programátor USA firmu” – návod na globálne podnikanie pre IT
ChipProg-48 programmator - YouTube
Digitalni programator vremena, 10 programa - home | Strujni kabeli / Timeri
Programator Siemens SIMATIC Field PG M5 - Sklep - PLCspace
Ch341a Software CH341A 24 25 Series EEPROM Flash BIOS USB
Programator: imagini de colorat gratuite
Launch x431 iTPMS - Programator senzori roti
RBT's Tech Depot: USB I2C/SPI EEPROM Programmer
Programator ISP pentru ATMEL AVR ATMega si ATTiny | Bitmi.ro
Manual EEPROM Programmer - YouTube
Elektroniczny programator czasowy, 16 programów
Plamen Ivanov portfolio
Successfully programming ESP-01 / ESP-01S - Hardware - Home Assistant ...
CH341A BIOS USB Programmer Flasher Writer 24 25 Series EEPROM SOP Clip ...
MEGA zestaw programator EEPROM i Flash EZP2019+ BIOS SPI I2C klips ...
Programator - co to jest i do czego służy? - Botland
Programator TSDZ2 ST-Link V2 USB Open Source (OSF)
fibermarkt Comparative evaluation of transceiver module programmer ...
Programator tag-uri ELECTRA
Programator Ch341a Bios Flash - Niska cena na Allegro.pl
Duży zestaw programator EEPROM i Flash EZP2019+ - ERLI.pl
Jaki programator EEPROM i Flash wybrać? Przegląd najpopularniejszych ...
Programmator_COM_1_22 - Platform for creating and sharing projects ...
Ch341a Programmer how to use for bios - YouTube
Programator irigare/udare Bluetooth/WiFi, Hub inclus, control prin ...
Programator Elektroniczny Czasowy do Gniazdka TIMER Wyświetlacz ...
Programator Digital de Timp cu Releu DHC15A
Programator Czasowy EMT700 | PDF
📌 Comment programmer un programmateur électrique facilement ? (Guide ...
Programator za Atmega328P
Inteligentne Gniazdko Elektryczne Watomierz Programator WIFI TUYA SMART ...
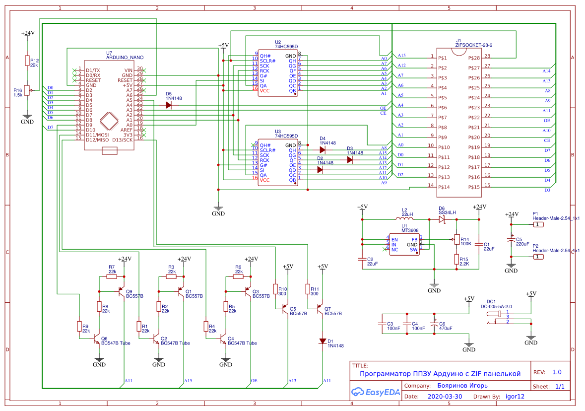
Programmator EEPROM Arduino with ZIF - OSHWLab
Sonar-BERO Programmator SONPROG 3RX4000/3RX4001
Programator czasowy mechaniczny
Linux pre programátorov: Kľúčové výhody oproti iným možnostiam OS
Programator ISP USBasp ATMEL AVR ATMEGA + taśma - Sklep, Opinie, Cena w ...
PROGRAMATOR CZASOWY WŁĄCZNIK WYŁĄCZNIK LCD CYFROWY HARMONOGRAM POLSKIE ...
PROGRAMATOR CZASOWY TYGODNIOWY WŁĄCZNIK CYFROWY WYŁĄCZNIK ELEKTRONICZNY ...
AUTEL TPMS TS508WF Wi-Fi TPMS PROGRAMATOR CZUJNIKÓW TPMS CIŚNIENIA ...
Programator EZP2019+ BIOS FLASH EEPROM - Sklep, Opinie, Cena w Allegro
Programator Pralki Samsung - Niska cena na Allegro.pl
Duży zestaw programator EEPROM i Flash na CH341A - Sklep msalamon.pl
Programator Galcon DC, 9V – Picurare
Qoltec Elektroniczny programator czasowy PC0629 na szynę DIN LCD - Arena.pl
Programator do gniazdka mechaniczny dobowy 24h GTV - Sklep, Opinie ...
Programator ESP-01 Link V1, USB, 50x16 mm - eMAG.ro
Programator smart WiFi pentru sisteme de irigatii WOOX R4238 - eMAG.ro
PROGRAMATOR CZASOWY WŁĄCZNIK WYŁĄCZNIK WYŚWIETLACZ CYFROWY HARMONOGRAM ...
Программатор CH341a для FLASH и EEPROM / Купить в RoboShop
PROGRAMATOR WYŁĄCZNIK CZASOWY NA SZYNĘ OR-PRE-433 CYFROWY TYGODNIOWY ...
Mikrokontroler ELEKTROWEB PROGRAMATOR CH341A SPI FLASH EEPROM BIOS USB ...
Moduł programator pralki WHIRLPOOL AWO/C 6304 - Sklep, Opinie, Cena w ...
PROGRAMATOR WŁĄCZNIK WYŁĄCZNIK CYFROWY CZASOWY NA SZYNĘ LEXTON 128 ...
Mikrokontroler ELEKTROWEB PROGRAMATOR USB CH341A SPI FLASH EEPROM KLIPS ...
Programator serwisowy do iPhone JCID V1SE WiFi • Cena, Opinie - Allegro
Programator, Elecktroweb, ARM STM32 RISC-V WCHlink ST-Link USB-C - eMAG.ro
Mini programator EEPROM i Flash na CH341A z klipsem - Sklep msalamon.pl
Programator EEPROM Haiesti • OLX.ro
Программатор ключей иммобилайзера: что это и как работает
Programator USB Memorii Flash, EEProm, Bios
Programator Czasowy 3 Kanał - Niska cena na Allegro
Programator ARM STM32 RISC-V WCHlink st-link USB-C
CH341A Programmer ? How It Works For Firmware In Flash ICs ? Know
Uniwersalny Programator USB XGecu T48- uP/EPROM/Flash/EEPROM/NAND/eMMC ...
programmator - Platform for creating and sharing projects - OSHWLab
Poprawiony programator CH341 do apmięci EEPROM i Flash serii 24, 25 i ...
Programator Moduł Pralki Electrolux - Niska cena na Allegro
Programator USB CH341A Gold SPI Flash EEPROM TTL-Zestawy do ...
ESP-PROG - debugger i programator - sklep Kamami
Programator czasowy włącznik/wyłącznik LCD - SHOPUJ.PL
programator | Servis Whirlpool
Anunt de angajare: 𝐈𝐧𝐠𝐢𝐧𝐞𝐫 𝐀𝐧𝐚𝐥𝐢𝐬𝐭 𝐏𝐫𝐨𝐠𝐫𝐚𝐦𝐚𝐭𝐨𝐫 - RELOC