Showing 119 of 119on this page. Filters & sort apply to loaded results; URL updates for sharing.119 of 119 on this page
Physlock – an entry level lockin amplifier board | PhysLab
HazardChem/physlock: Fork of physlock with additional functionality ...
Locking Consoles and Virtual Terminals with physlock (with examples)
Everything Attachments Pt2. : Physlock and YOU! - YouTube
How hard is Physlock with no Crosshair ( New series ) - YouTube
Bro why is Physlock walking into the shots 🙂↕️ - YouTube
Just discovered PhysLock for All Cars mod : r/Thelongdrive
Ubuntu Server 用 screen、vlock 和 physlock 指令鎖定螢幕
Marvel Rival Physlock - YouTube
Replacing swaylock with physlock on EndeavourOS - Sway, AND ly DOOM ...
Psylocke Wallpaper 4K, Ultrawide 5K, Marvel Rivals
See The Epic New Image Of Psylocke From X-Men: Apocalypse | Cinemablend
GitHub - xyb3rt/physlock: Lightweight linux console locking tool
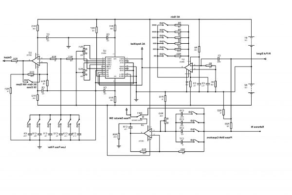
(PDF) Physlock: An Entry–Level Low-Cost Lock-In Amplifier Board
Psylocke (2024) #2
The test waveforms acquired different test points of PhysLock; (a ...
All Marvel Rivals Psylocke skins: Tier list, prices and more
Sharing technology with PIEAS (Final Phase) | PhysLab
Schematic diagram of the experiment to verify the Malus's law where P ...
Applications of an Extended Kalman Filter in nonlinear mechanics | PhysLab
“Psylocke” Review – J1 STUDIOS
How to Get the Psylocke Skin in Marvel Rivals (Complete Guide) - YouTube
PPT Designing A Lock-in Amplifier With Analog To Digital, 42% OFF
How to lock your Linux terminal (using vlock and physlock) | Rui's Blog
Guide Psylocke De Marvel Rivals : Capacités, Combos Et Meilleurs Compteurs
How to Play Psylocke in Marvel Rivals - TechStory
I put a plymouth engine in a trabant. Cooling is done using the ...
Psylocke’s Breezy Butterfly Skin in Marvel Rivals is Summer Perfection ...
2560x1600 Psylocke Unleashed Wallpaper,2560x1600 Resolution HD 4k ...
Psylocke’s ‘Fleeting Butterfly’ skin arrives October 10 in Marvel Rivals
Fortnite Psylocke Skin - Character, PNG, Images - Pro Game Guides
Psylocke Breezy Butterfly and Loki Robe of Relaxation Summer Skins ...
Psylocke Vengeance Showcase 💜💜 | Marvel Rivals - YouTube
Van Dyne's Grand Opening Event: How to Get Psylocke Daring Daifuku Skin ...
Marvel rivals vengeance psylocke skin gameplay - YouTube
BEST PSYLOCKE SKIN COMBOS (Fortnite) - YouTube
How to get Psylocke Blood Kariudo skin in Marvel Rivals
Psylocke X-Men (MARVEL Comics) by diegocomino on DeviantArt
Psylocke Wallpaper 4K, Marvel Rivals, 5K, 2024 Games
Psylocke on Behance
Psylocke Fortnite Wallpapers - Wallpaper Cave
Marvel Rivals: All Psylocke Skins Tier List - Deltia's Gaming
Psylocke Marvel Rivals Wallpaper 4K PC
Marvel Rivals Unveils Blood Soldier Winter Soldier & Psylocke Skins
Marvel Rivals: How to Get Psylocke Blood Kariudo Skin - GameRiv
archlinux - xfce Power Manager not running xflock4 correctly - Stack ...
Pin em Psylocke
A Content Creator Confirmed She's The Body Model For Psylocke In Marvel ...
Psylocke Artworks Wallpaper,HD Superheroes Wallpapers,4k Wallpapers ...
PSYLOCKE A First Look That Will Blow Your Mind - YouTube
Agabyss > Hasbro > Marvel Legends The Uncanny X-Men 60th Anniversary ...
NEW SKINS! Psylocke & More! Marvel Rivals HUGE Update! - YouTube
NEW Fortnite "Psylocke" Gameplay (/w Psi-Rider Glider, Psi-Blade ...
Fortnite - *NEW* PSYLOCKE SKIN GAMEPLAY! (BEFORE YOU BUY Showcase ...
PSYLOCKE SKIN GAMEPLAY - FORTNITE - YouTube
Psylocke & Magik in 2025 | Comic illustration, Superhero art, Marvel ...
The Uncanny X-Men 60th Anniversary Marvel Legends Banshee, Gambit ...
Explosive images – Artofit
Arttikz's Psylocke Summer Skin Recolor Pack at Marvel Rivals Nexus ...
Marvel Rivals: HD Wallpaper Featuring Magneto, Magik, Psylocke, and Storm
PSYLOCKE GUIDE - Tips, Positioning, Ability And Combos - YouTube
Psylocke Variants RANKED In Marvel Snap! - YouTube
Steam Community :: Guide :: Using Modifications
X-Men: Cyclops Assembles Marvel's Deadliest Team of Mutants
Marvel Rivals Season 2 Skins Have Caked Up Magik And Psylocke
Marvel Rivals Skin Customization Feature - Full List | Marvel Rivals Events
Configuration to produce two synchronized signals, one is used as the ...
Marvel Psylocke Wallpaper
Psylocke Skin Showcase with Popular Emotes & Dances | Psylocke Combos ...
Pin by Floyd Puller on Comic Books | Psylocke, Betsy braddock, Marvel ...
Fortnite *NEW* Psylocke Skin Best Backbling Combos!!! - YouTube
psylocke, magik, and illyana rasputina (marvel and 2 more) drawn by ...
psylocke, jeff the land shark, and psylocke (marvel and 2 more) drawn ...
Elizabeth Braddock | Psylocke (Olivia Munn in X-Men: Apocalypse, 2016 ...
Krakoa Resort Combo Bundle - Marvel Rivals Store Bundle | PSYLOCKE ...