Showing 120 of 120on this page. Filters & sort apply to loaded results; URL updates for sharing.120 of 120 on this page
PPT - Packer Testing Program Design and Management PowerPoint ...
PACKER TESTING | Enviroprobe
Packer Permeability Testing | Precision Drilling Australia
Packer Testing – Morwick G360 Groundwater Research Institute
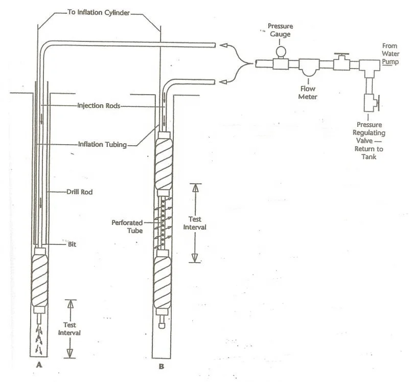
Optimize borehole packer testing procedures | PDF | Hydrogeology | Pressure
Insight into packer testing technique through numerical modelling ...
Packer permeability testing in deep inclined boreholes ...The ...
How Packer Testing Can Improve Your Website's Performance
Borehole Water Permeability Testing Air Inflatable Packer - Water ...
Hydraulic Fracturing Testing Air and Water Inflatable Packer ...
Permeability Testing Water and Air Inflatable Packer - Inflatable ...
Permeability Testing Water and Air Inflatable Packer - 40-800mm ...
Permeability Testing Air Inflatable Packer | Rock Link Geological ...
Schematic packer test. | Download Scientific Diagram
Packer Tests Using Low Pressure Pneumatic Packers
What Is A Packer In Drilling at Floyd Holley blog
in-situ borehole testing | Competencies | Solexperts AG
Como o Packer Test contribui em Projetos de Engenharia e Mineração ...
(PDF) Hydraulic In situ Testing for Mining and Engineering Design ...
Execution and Analysis of Packer Permeability Tests in Boreholes in ...
Execution and Analysis of Packer Permeability Tests in Boreholes in Rock
What Is The Purpose Of Packer Test at Martin Delaney blog
Figure 2 from Use of Packer Test Results in Hydrogeological ...
Packer Test Equipment & Procedures in Mining Operations
What Is A Packer Test at Rachel Stearn blog
What is Your Packer Test Actually Measuring? – Blackstone Environmental
Conceptualised field model showing a single borehole packer test over a ...
Standard Wireline Permeability Packer Test Equipment Syste… | Flickr
42mm Nq Dst Permeability Testing Inflatable Packers (1) | Hydraulic ...
Packer Test and Water Flow Measurement | Hydrogeology | Geovisor | Finland
Packers Permeability Testing Service in Raigad | ID: 23105160973
Single packer test assemblies. a Single packer test-open borehole; b ...
Air or Water Inflation Double Packer for Geotechnical Engineering ...
18. General Deployment of the Downhole Packer Test System during ...
1 Packer positions during circulation test 1989. Major conductive ...
Wire-Line Core Barrels Inflated Packers Permeability Testing with ...
Inflated Packers for Wire-Line Core Barrels Permeability Testing (NQ HQ ...
Figure 1 from Design of an Experimental Teaching Platform for Packer ...
Permeability Inflated Double Packer Rock Test/Permeability Rock Lugeon ...
Hydraulic Testing | Oil & Gas | IPI Packers
(PDF) Verification and Validation of Hydraulic Packer Test Results in a ...
Air Inflatable Double Packer for Permeability Lugeon Test of Bq Nq Hq ...
Buy Single Inflatable Packer/grouting Packer/permeability Testing ...
Permeability Packer Test Service in Indore | ID: 2855330918897
Hq Hole Wire Line Air Inflation Double Packer for Geology Permeability ...
Borehole permeability test pneumatic packer and accessories - 40-800mm ...
Gravy Mix Golden Roast 2Kg Pail – pantry packer test
Compressed Air 200Lmin Online Air Leak Detector Non-destructive Testing ...
Packaging Sealing Inspection Machine Using Direct Pressure Testing ...
Learn about hydrogeological and geotechnical investigations for mining ...
Water Inflatable Double Packer/Geological Borehole Underground ...
Inflatable Packers for Water/Gas Geotechnical Industries - Water ...
Water Test Double Inflatable Borehole Packers - Buy Double Packer,Water ...
How is my water? Clarion Ledger does water quality tests in Jackson MS
Donald Trump says he aced a cognitive test. Can you?
Packing Electronics Safely During Long-Distance Moves
Diba Omnifit EZ Packing Sleeve Join 2 Columns or Connect to Column ...
Packers host DT Kaleb Proctor for pre-draft visit
Chicago Bears' Game-Winning Field Goal Marred By Controversy
Why losing some starters could be GOOD to streamline Green Bay Packers ...
Report: Dillon Tests Positive for COVID-19
Seahawks fail litmus test against Packers; Geno Smith suffers knee ...
Relative Athletic Scores for Packers' 11-player draft class in 2024
Packers UDFA profile: Tyler Cooper has long-term potential on offensive ...
Packers running back Josh Jacobs solves red-zone woes with three TDs
Green Bay Packers: Host elite 321-pound run-stopper
Green Bay Packers: Jayden Reed’s Latest Injury Twist Sparks Elevated ...
15 players who became 'Packers types' on Day 3 of NFL Scouting Combine ...
Packers Injury Updates: Latest on Josh Jacobs, Jayden Reed, Matthew ...
Packers to host Indiana RB Kaelon Black on official pre-draft visit
Green Bay Packers See Rival All-Pro Suddenly Retire Ahead Of 2025 NFL ...
Could ex-Lions kicker return to Detroit after getting cut by Packers ...
Most Athletic Defensive Player in NFL Draft Visits Packers
Josh Jacobs injury update: Packers running back's knee issue not ...
Report: Packers fear season-ending torn ACL for TE Tucker Kraft
Tuesday cheese curds: What do the Packers think of their offensive line?
Packers WR Christian Watson avoids concussion but team still monitoring
Packers get another brutal injury update after loss to Bears
Jordan Love injury update: MRI results in for Green Bay Packers QB - On3
Green Bay Packers 2025 third-round pick: WR Savion Williams - Yahoo Sports
15 players who became 'Packers types' on Day 1 of NFL Scouting Combine ...
Everything Will Be on the Line in Chicago’s Primetime Test Against the ...
Packers hosted Georgia Tech DL Jordan van den Berg on pre-draft visit
Packers’ Matt LaFleur Makes Eye-opening Admission On Broncos Before ...
Giants Announce Jaxson Dart News Before Packers Game
Commanders offense scouting report: How Packers stop Jayden Daniels
NFL Makes Punishment Decision on Packers’ Javon Bullard After Season ...
Packers Receive Crushing News Following Huge Win Over Lions - Newsweek
Green Bay Packers news: Packers still quietly need a running back
Micah Parsons Vows 1 Thing to Packers Fans After Season-Ending Injury News