Showing 119 of 119on this page. Filters & sort apply to loaded results; URL updates for sharing.119 of 119 on this page
Compressor PFD | PDF
Typical PFD for Centrifugal Compressor Systems | Gas Compressor ...
-Typical gas compressor PFD with lumped elements. | Download Scientific ...
Typical PFD For Centrifugal Compressor Systems | PDF | Turbine | Gases
Video Tutorial: PFD Pump and Compressor Symbols | AIChE
How to Control Reciprocating Compressor - YouTube
PFD of the level control example | Download Scientific Diagram
PFD Reactor Compressor Section | PDF | Pump | Transparent Materials
PFD PID Standard Symbols | PDF | Gas Compressor | Pump
Gas Compressor PFD Overview | PDF | Energy Technology | Gas Technologies
PFD 4 BASIC CONTROL LOOP - YouTube
Pressure Control For Reciprocating Compressor at William Jennings blog
XYZ: PFD and P&ID Diagrams - PDF - Instrumentation - Control Theory ...
SOLUTION: Process control p id and pfd problems with solutions - Studypool
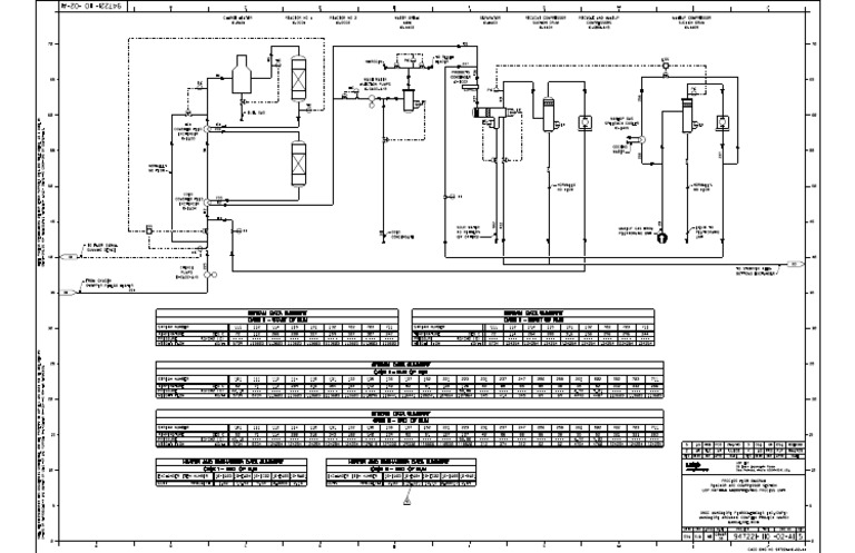
1 CPF 1 Compressor PFD and P | PDF | Technology & Engineering
PFD and flowsheet graph of simple control loops. (a) Flow control of ...
Accuracy Pressures control Valves Assembly Strong Compressor Bracket ...
Fig-Compressor PFD with antisurge control. Anti Surge Controller The ...
Process Flow Diagrams | Control and Instrumentation Documentation ...
What Is Process Flow Diagram Pfd How To Examples
Piston Air Compressor Working Principle at Susan Villanueva blog
Basic gas compressor unit PFD, with lumped elements. | Download ...
Free PFD Examples Download
P&ID for Centrifugal Compressor Systems - InstrumentationTools
Reciprocating Compressor Controls • Strategic Automation Services
P&ID and PFD Drawing Symbols and Legend list (PFS & PEFS) | Piping and ...
How to draw Compressor Air Flow P&ID @WondershareEdrawsoft - Topic 39 ...
Enggcyclopedia.com-Typical PFD for Instrument Air Supply System | Gas ...
Start Process Design With PFD Development - Boostrand
pfd-6 | Instrumentation and Control Engineering
Basics-of-Process-Flow-Diagrams-PFDs | Instrumentation and Control ...
P&ID (PIPING AND INSTRUMENTATION DIAGRAM) VS PFD (PROCESS FLOW DIAGRAM ...
P & ID en PFD Drawing Symbols and Legend list (PFS & PEFS) | Chad Wilken's
Process Flow Diagram PFD Development - EngTank
Typical P&ID Arrangement for Centrifugal Compressor Systems ...
P&ID and PFD Training for chemical eng.pdf
Reciprocating Air Compressor Specification at Vaughn Josephs blog
Difference between PFD and P&ID: PFD vs P&ID – What Is Piping: All ...
P&Id Air Compressor Symbol at Zoe Bastyan blog
Centrifugal Compressors Achieve Capacity Control By | Gas Furnace
Princípio de funcionamento de um compressor de ar de parafuso rotativo
Simple PFD | Free Simple PFD Templates
Centrifugal Compressor Operations — Process Consulting Services, Inc ...
Hi, does anyone have any PFD or P&ID file for a oil pumping Unit?
How Does A Gas Compressor Station Work at Amber Mcleod blog
Centrifugal Compressor PID | EdrawMax Templates
UNDERSTANDING OF P AND ID AND PFD OF PROCESS ENGINEER. | SRINIVASAN R
Compressor 2 1 5 Throttle Condenser 3 4 Valve MIXED REFRIGERANT NATURAL ...
Closed-loop VFD for air compressor
Figure 2 from A low-power dual-PFD phase-rotating PLL with a PFD ...
PFD-5-2 | Instrumentation and Control Engineering
Solved This is a simplified PFD (Process Flow Diagram) of | Chegg.com
Handbook of centrifugal gas compressor Download Handbook: https://lnkd ...
PFD-5. | Instrumentation and Control Engineering
pfd-8 | Instrumentation and Control Engineering
Difference between PFD and P&ID with Example - Inst Tools
High Pressure Pfd76p Rotary Screw Air Compressor with Air Dryer for ...
Pressure Control And Expansion Valve: A Complete Guide
Compressor Pid | PDF
Multistage Compressor Efficiency at Alana Mcgovern blog
How Does An Air Volume Control Work at Eva Facy blog
Multi-Section Compressor Controls with Controller Decoupling ...
PFD 2 (Compressor) | PDF
Types Of Ph Control Systems at Anthony Klein blog
Compressor Handbook: Principles and Practice
10 Compressor Controls Explained - Know the Basics of Dynamic Range ...
Things To Know When Installing Compressor Controls – gilautomation
离心压缩机系统的典型PFDld乐动体育app
Texts: A process flow diagram (PFD) for an evaporator and knock out ...
Process Flow and Process Instrument Diagrams | Piping Specialties and ...
Common Process Equipment Symbols Used in Developing Process Flow ...
Understanding Process Flow Diagrams (PFDs) and Piping & Instrumentation ...
P&ID reading and drawing - What is the difference | Chegg.com
What is Process Flow Diagram (PFD)?
Centrifugal Compressors – Flare Valve, Suction Pressure Throttle Valve ...
Sugar Cane Ethanol Plant - processdesign
P&IDs / PFDs - AT EngineeringAT Engineering
PFDs: Compressors and Pumps Part 1 - YouTube
Suction throttling valve on centrifugal compressor: sizing criterion ...
Learning Task 1 – Block D: Compressed Air Systems
Heat Exchanger PID | EdrawMax
Compressors P&ID - YouTube
Overpressure Protection Devices | Industrial Process Safety and ...
Answered: 2. Label the following process flow diagram (PFD)- Label all ...
instrumentation docments | PPTX
Air Conditioning P&ID
Process Flow Diagram (PFD) - Chemical Engineering World
Illustrated Schematic of a Compressed Air System - WireMystique
meryful - Blog
Muhd. Raza Rabbani 🇦🇪 on LinkedIn: Process Flow Diagram (PFD) in the ...
Design Process Understand the Problem Develop the underlying
Standard Process Flow Diagram Symbols and Their Usage
7 Types of Air Compressor: Definition, Uses & Working Principle ...
What are compressed air pressure/flow controllers?
SOLVED: Q.3 Explain the Process flow diagram (PFD) of Figure Q3 in ...
P&id symbols in hindi | THE INSTRUMENT GURU
Create the process flow diagram (PFD) shown below using ISO workspace ...
Simplified Process Flow Diagram (PFD) of a Swirl reactor with ...