Showing 118 of 118on this page. Filters & sort apply to loaded results; URL updates for sharing.118 of 118 on this page
ENGINE LIGHT CODE P0201 P0202 P0203 P0204 FUEL INJECTOR FORD C-MAX FORD ...
CODE P0201 P0202 P0203 P0204 ENGINE LIGHT ON JEEP COMPASS RENEGADE ...
P0201 Fault Code Meaning | FaultCodes.co
P0201 OBD2 Trouble Code ️- Time to replace an Injector
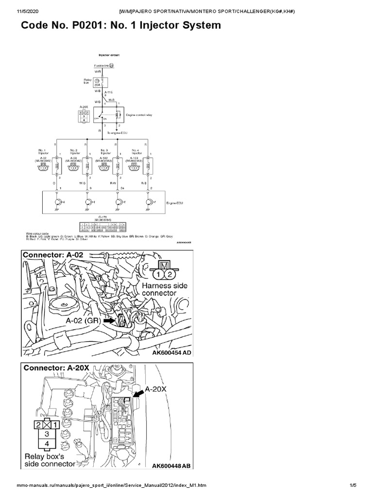
Code No. P0201 No. 1 Injector System | PDF | Fuel Injection | Power Supply
KIA OPTIMA CODE P0201 P0202 P0203 P0204 FUEL INJECTOR FIX - YouTube
CODE P0201 P0202 P0203 P0204 FUEL INJECTOR FIAT ALFA ROMEO PUNTO DOBLO ...
P0201 Mercedes-Benz Code Meaning, Causes, Symptoms & Tech Notes
HYUNDAI SONATA CODE P0201 P0202 P0203 P0204 FUEL INJECTOR CHECK ENGINE ...
CODE P0201 P0202 P0203 P0204 FUEL INJECTOR KIA SORENTO, KIA SPORTAGE ...
HYUNDAI SANTA FE CODE P0201 P0202 P0203 P0204 FUEL INJECTOR CHECK ...
FIX CODE P0201 P0202 P0203 P0204 P0205 P0206 P0207 P0208 INJECTOR ...
HYUNDAI KIA GDI CODE P0201 P0202 P0203 P0204 FUEL INJECTOR GDI 1.6 2.0 ...
P0201 Code Meaning, Causes, Symptoms & Tech Notes
P0201 OBD-II Trouble Code | Advance Auto Parts
Comprendre et Résoudre le Code Défaut P0201 : Guide Complet - OBDeux
What is P0201 Engine Code [Quick Guide] - YouTube
Code d’erreur P0201 : gravité, causes et coût de réparation
Easy Replace Fuel Injectors Spark Plugs Check Engine Code P0201 P0301 ...
Code défaut P0201 et fuite au joint dinjecteur lié ou pas
FIX CODE P0201 P0202 P0203 P0204 P0205 P0206 FORD EDGE, LINCOLN MKX ...
Ultimate Guide: Troubleshooting P0201 Code in 2024 | by Jalal Safir ...
CODE P0201 P0202 P0203 P0204 DODGE DART, CHRYSLER 200, JEEP CHEROKEE ...
HONDA ACTIVA 125 BS6 P0201 code problem solved👍#viral #honda #activa ...
Fixing P0201 code for injector circuit fault | Mark Rabone posted on ...
FIX CODE P0201 P0202 P0203 P0204 CHEVROLET CRUZE CHEVY SONIC - YouTube
HOW TO FIX CODE P0201 P0202 P0203 P0204 P0205 P0206 P0207 P0208 BMW E46 ...
P0201 : Comprendre et résoudre le code d'erreur moteur
ENGINE LIGHT ON HOW TO FIX CODE P0201 P0202 P0203 P0204 P0205 P0206 ...
CODE P0201 P0202 P0203 P0204 P0205 P0206 FUEL INJECTOR CIRCUIT OPEN ...
P0201 P0202 Injector Circuit Fault Code 🔧 | ECM Fault Diagnosis ...
FORD CODE P0201 P0202 P0203 P0204 P0205 P0206 P0207 P0208 FUEL INJECTOR ...
CODE DTC P0201 P0202 P0203 P0204 HYUNDAI VERNA ACCENT XCENT I20 DIESEL ...
P0201 code when diesel around 25% of fuel tank - Avensis Club - Toyota ...
P0201 Code – What Does It Mean & How To Fix It - OBD2PROS
how to fix code P0201 injector circuit open cylinder 1 #shortsvideo # ...
Code P0201 2010 Ford Fusion Injector Circuit Malfunction Cylinder 1
Code P0201 - Injector failure Cyl 1 - where to start? | FIAT Panda (Mk3 ...
Troubleshooting Chrysler 300 P0201 Error Code | Mavyn
FORD FOCUS CODE P0201 P0202 P0203 P0204 FUEL INJECTOR FIX - YouTube
P0201 Code: Here's How to Solve It Fast
P0201 Code? Here’s How to Fix It – Quickly and Easily – CarsCounsel
Causes and Fixes P0201 Code: Injector Circuit/Open Cylinder 1 - YouTube
P0201 Fault Code: Complete Guide to Diagnosis, Symptoms & Repairs ...
how to fix DTC P0201 check Engine Light show ___fix #p0201 injector ...
P0201 Code: What It Means and How to Fix It ? - YouTube
P0201 Code: Cylinder 1 Injector Circuit/Open - In The Garage with ...
P0201 Fuel Injector 1 Circuit/Open at Tawny Dunn blog
P0201 Code: Fuel Injector Issue (Symptoms and How to Fix)
P0201 Trouble Code: Meaning, Symptoms, Causes & Fixes [Easy]
How to fix P0201 code: CAUSES and SOLUTIONS【2025】 - YouTube
Code défaut P0201: Circuit d'injecteur du cylindre 1/ouvert • FicheMéca
Codes P0201 and P0301 Are Being Read Immediately After Local ...
how I EASILY FIXED codes P0201 - P0202 - P0203 - P0204 - P0205 - P0206 ...
HYUNDAI TUCSON CODE P0201, P0202, P0203, P0204 FUEL INJECTOR ENGINE ...
P0201 – Injector 1 -circuit malfunction – TroubleCodes.net
Injector open circuit P0201 fault - Nissan QashQai Forums
How Do I Fix Code P0021 Engine Cam code p0021
Code défaut P0201: Circuit d'injecteur du cylindre 1/ouvert • Fiches ...
OBD Fehlercode P0201 | Einspritzdüsenschaltkreis | Zylinder 1
P0201 OBD-II Trouble Code: Injector Circuit Malfunction - Cylinder 1
Code P0201, Misfire Injector, How to Replace the Injector?
P0200 & P0201 Injector circuit fault. Lost of power and cylinder ...
Power Train System Code P0011 at Cheryl Alejandro blog
P0201 2016 HONDA CR-V - No. 1 Cylinder Injector Circuit Malfunction : r ...
Erreur OBD P0201 : Causes, solutions et explication détaillée ...
2006 A6 Quattro 3.2l error code P0201, p0202 and p0203 - AudiWorld Forums
Codes P0301, P0201 Rough Idle Throttle?: I Am Familiar with the ...
Código P0201 [OBD2] | Descripción, Causas y Soluciones
P0201 and P0301 codes? | The Chrysler Minivan Fan Club Forums
P0201 – Meaning, Symptoms, Causes & How to Fix It
Causes and Fixes P0201 P0202 P0203 P0204 Dodge Jeep Chrysler ...
P0202 Code: Injector Circuit Open Cylinder In The Garage, 44% OFF
How to Test & Fix the Fuel Injectors Fault Codes on NISSAN ( P0200 ...
P2A01 Code: Fix the Rear O2 Sensor Bank 2 Range
Jeep Wrangler P0201: Injector Circuit Malfunction → Cylinder 1 ...
How to Fix P0202 #autorepair #mechanic - YouTube
Fuel Injector Codes P0201, P0203, and P0205?
13A-DTC P0201: Injector Circuit-Cylinder 1
Diagnosing P0200, P0201, P0202 Codes Using Noid Lights (ON ANY VEHICLE ...
P0202 Fuel Injector 2 Circuit/Open at Maria Spillman blog
P0201, P0202, P0203, P0205, P0300, P0301, P0302 Audi Fault Codes
P0201,P0202,P0203,P0204,P0205,P0206 Fuel Injector Circuit - Obd2-code