Showing 120 of 120on this page. Filters & sort apply to loaded results; URL updates for sharing.120 of 120 on this page
(PDF) Simple FSO System Using Optisystem
QKD Over FSO Under Different Weather Conditions Using OptiSystem Software
Simulation of Li-Fi / VLC based FSO system using Optisystem Software II ...
FSO channel layout in OPTISYSTEM | Download Scientific Diagram
Shortcut Tricks of OptiSystem Software II How to design a Simple FSO ...
How to Design a 1280 Gbps 32 Channel DWDM FSO system in Optisystem ...
The detailed structure of CO-OFDM FSO system via Optisystem interface ...
CO-OFDM OFDM FSO communication link using CEDFA layout in optisystem ...
Fso optical ofdm optisystem matlab cosimulation - barelasopa
FSO system designed in Opti system | Download Scientific Diagram
Simulation of Phase Shift Keying (PSK) based FSO system using ...
OptiSystem 21 Unveiled Empowering Photonics Innovations in QKD, Sensors ...
How to Design & Create a Subsystem in a simple FSO system using ...
Single channel FSO system using RZ format in Optisystem. | Download ...
How to Design a 32-Channel 320 Gbps WDM-FSO system using Optisystem I ...
Simulation Model for Back-to-Back and Point-to-Point FSO Link using ...
Webinar OptiSystem 21 Unveiled: Empowering Photonics Innovations in QKD ...
Single channel FSO system using NRZ format in Optisystem. | Download ...
OptiSystem 20.0新版本更新! - 讯技光电科技(上海)有限公司
Qam and qpsk modulation for FSO | ResearchGate
Simulation design of RS coded MIMO-based CO-OFDM FSO communication link ...
The essential components used in designing the FSO system | Download ...
OptiSystem Overview
68 questions with answers in OPTISYSTEM | Science topic
Optisystem software reference - lockqcanadian
Screenshot of the OptiSystem DP-QPSK model | Download Scientific Diagram
How to design a WDM system using optiSystem | OptiSystem tutorials for ...
Optiwave Releases OptiSystem 20.0
System I OptiSystem layout | Download Scientific Diagram
System II designed in Optisystem | Download Scientific Diagram
Performance Analysis of ASK and PSK Modulation Based FSO System Using ...
System II OptiSystem layout | Download Scientific Diagram
Simulation of Amplitude Shift Keying (ASK) based FSO system using ...
Simulation of WDM transmission using OptiSystem | Download Scientific ...
Block diagram of simple FSO system. | Download Scientific Diagram
Simulation Layout of massive MIMO FSO System | Download Scientific Diagram
Block diagram of the system (a) and OptiSystem schematic (b). CW ...
Performance Analysis of Hybrid PDM-SAC-OCDMA-Enabled FSO Transmission ...
How can I create MIMO free space optical network in optisystem ...
Simulation layout in OptiSystem ®. | Download Scientific Diagram
Simulation setup in Optisystem | Download Scientific Diagram
Transmitter layout in OPTISYSTEM | Download Scientific Diagram
Frontiers | Developing Cost-Effective and High-Speed 40 Gbps FSO ...
Optisystem Constellation Visualizer Guide | PDF | Wavelength Division ...
Ber analyzer optisystem - YouTube
The simulation model description using Optisystem simulator release 17 ...
Simulation of an Indoor Visible Light Communication System Using Optisystem
Trying to run Optisystem using MATLAB : r/matlab
Proposed system design: (A) block diagram and (B) Optisystem layout ...
OptiSystem Tutorials Volume 1-1-100 | PDF | Dispersion (Optics ...
(PDF) Feasibility Evaluation of MIMO Based FSO Links
How to Design a Radio over Free space optics (Ro-FSO) system using ...
Free Space Optics (FSO)
#opticalcommunications #fso #optisystem #electricalengineering # ...
Free space optics communication system design using iterative optimization
Modeling of Satellite-to-Underwater Integrated FSO-PON System Using ...
System Design and Simulation using(OptiSystem 7.0) for Performance ...
地球-卫星自由空间光通信系统设计与OptiSystem仿真实战-CSDN博客
Free Space Optics (FSO) - Optiwave
A Bidirectional Wavelength Division Multiplexed (WDM) Free Space ...
OptiSystem应用:考虑大气湍流的PAM4 FSO系统 - 讯技光电科技(上海)有限公司
Hybrid FSO/FO communication system utilizing single channel. | Download ...
System 1 designed in OptiSystem. | Download Scientific Diagram
Free Space Optics | IntechOpen
[Optiwave] OptiSystem应用:考虑大气湍流的PAM4 FSO系统_相位_影响_信道
Free Space Optics for Access Networks - EFFECT Photonics
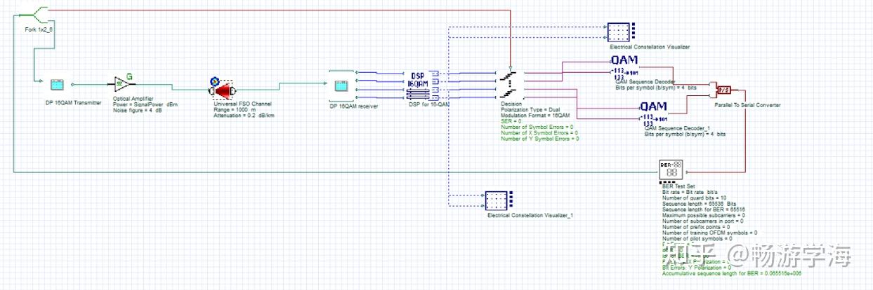
OptiSystem应用:雨天条件下DP-16QAM FSO系统仿真 - 知乎
OptiSystem應用:雨天條件下DP-16QAM FSO系統模擬 - 訊技科技股份有限公司
讯技光电走进浙江大学实验课堂:OptiSystem光通信仿真技术引领产学研融合 - 讯技光电科技(上海)有限公司
MIMO link simulation design using (Optisystem 7.0) software. | Download ...
OptiSystem应用:考虑大气湍流的PAM4 FSO系统_optisystem现成案例导入-CSDN博客
6G Network Architecture Using FSO-PDM/PV-OCDMA System with Weather ...
OptiSystem应用:考虑大气湍流的PAM4 FSO系统 - 知乎
Enriching Capacity and Transmission of Hybrid WDM-FSO Link for 5G Mobility
Free-Space Optical Communication (FSO) - Laser Scientist
Optical 208114018 | PPT
Performance Monitoring of Hybrid All-Optical Fiber/FSO Communication ...
OptiSystem应用:雨天条件下DP-16QAM FSO系统仿真 - 讯技光电科技(上海)有限公司
Lesson 3: Optical Systems — WDM Design