Showing 119 of 119on this page. Filters & sort apply to loaded results; URL updates for sharing.119 of 119 on this page
Arduino Timer Control Relay Devices
Microcontroller Tutorials — Adjustable Timer with Relay
Microcontroller based timer with set point relay - YouTube
Relay control by using microcontroller - Electrical Engineering Stack ...
Microcontroller Based Sequential Timer for DC Motor Control
Digital Timer Control Relay Module
Timer Controller, Timer Based Relay Control Switch
Jual Module Timer Digital Control Relay with Micro USB Display Switch ...
Relay module control with timer using smartphone
How to Control a Relay using an 8051 Microcontroller? | JunctionByte
Programmable digital timer switch using a PIC Microcontroller ...
Timer switch with Relay and LCD Arduino code
Timer with relay and Arduino – Open-Electronics
5V Timer Switch Relay Module With Digital LED Display Price in BD ...
Circuit Diagram Of Relay With Microcontroller - Circuit Diagram
How to Use Timer Relay Programmable: Pinouts, Specs, and Examples ...
How does a microcontroller control a relay? - Ampheo
Circuit Diagram Of Relay With Microcontroller
Simple Relay Timer - Tutorial Australia
Microcontroller Relay Driver and Interface
Time Delay Relay circuit using 555 timer - YouTube
Interfacing Relay with PIC Microcontroller - MikroC
How to use Digital Timer Relay | Multifunctional Timer | ON OFF Timing ...
How to Interface Microcontroller and Arduino with Relay - Circuit Ideas ...
Complete Guide: How to Install a Timer Relay for Smooth Operation
Guide to Timer Relays in Control Panels & Automation
1-Way Relay Driver Module with LED Indicator Microcontroller Compatible ...
Relay Modules | Relay Control Systems, Output Relay Functions
Adjustable Timer Circuit Diagram With Relay Output | Relay | Electronic ...
Timer and Counter in 8051 Microcontroller Explained: ISR Address ...
Adjustable 555 Timer Relay Switch | Monostable Multivibrator Circuit ...
Relay control with Button - Arduino Tutorial
COD MCB Relay elektrik Timer Waktu Programmable Switch Relay 16A 220V ...
8-Channel programmable Relay Timer DIY - TRONICSpro
On Off Timer Relay Circuit Diagram
Relay Timer with ATmega8 AVR MCU
LCD Digital Timer Delay Switch Relay Programmable Microcomputer Time ...
Programmable Timer Relay
DIgital Timer And Counter To Control Relays | PPT
Relay Control Circuit Diagram
2 Channel 5v Relay Module Control Devices Directly Without Optocouplers ...
Digital Microcomputer Time Switch Relay Timer Street Lamp Controller ...
How to Interface a Microcontroller with a Relay Using a MOSFET ...
48V 10A Microcomputer Timer Relay with Delay Function Household Time ...
All You Need To Know About Relay Timer Module
Modul Relay / Timer
Twin Timer connection | Dual Timer Relay Connection - YouTube
Timer Relay with Display ( Mosfet) - Agarwal Electronics
Timer Relay Module 6 to 30V Adjustable Timer Delay Timer | Majju PK
Industrial motor control 1 - What is timer relays Timer relays are ...
Programmable Timer Relay Time Delay Relay Archives Lorentzzi
Arduino, Microcontroller controls the operation of relay contacts for ...
AC 110-220V Timer Relay Microcomputer Time Controller Delay Relay ...
LED Digital Clock Temperature Timer Relay Module/Cycle delay/Timing ...
Control Anything with Arduino: Build a Relay Circuit (Easy!)
6-30V 1 Channel Relay Module Switch Trigger Time Delay Circuit Timer ...
Dc 5 -30v Trigger Cycle Timer Delay Relay 3 Bit Led Digit Tube 4 Switch ...
Timer Switch, 12V DC 16A LCD Digital Programmable Electronic Timer ...
Timer Archives - Electronics-Lab.com
The Ultimate Guide: Microcontroller Applications - HardwareBee
Adjustable Timer Circuit using 555
How to use a Relay with Arduino
How to use relays with microcontroller - Part 2 - YouTube
Introduction to Microcontroller Timers: Periodic Timers - Technical ...
Mastering Time Control: The Essential Guide to Off Delay Timer Relays ...
Microcontroller Controls Relays via RF Modules | Electronic Design
Amazon.co.jp: DC12V LED Display Countdown Timing Timer Delay Turn-off ...
Real Time Clocks (RTCs) in Microcontroller Timers - Technical Articles
How to use a 5V Relay with Arduino
Time-Based Motor Control: Understanding Timer Relays, Contactors, and ...
LDR Switch Relay Circuit
Sequential Motor Control Circuit Pdf
2 CHANNEL RELAY MODULE WITH OPTOCOUPLER 5V FOR ARDUINO RASPBERRY PI ...
Time Delay Relay using 555 Timer, Proteus Simulation and PCB Design
PIC Industrial and Domestic Timer (Relay Controller) - Rickey's World ...
Time Delay Relay Circuit Diagram
Time Delay Relay Controller
Sherlotronics Digital Timer Module - Stemar Security Systems
Exploring the Multifunction Timer Relay:Enhancing System Efficiency
Sequential Timer Circuit using IC 555 to switch relays - Gadgetronicx
Electrical Relay | Tutorials on Electronics | Next Electronics
Using the Microcontroller Timers
Timers - E Control Devices
BU1-AC-UO Microcontroller based 3 Phase Combined Under over voltage C&S ...
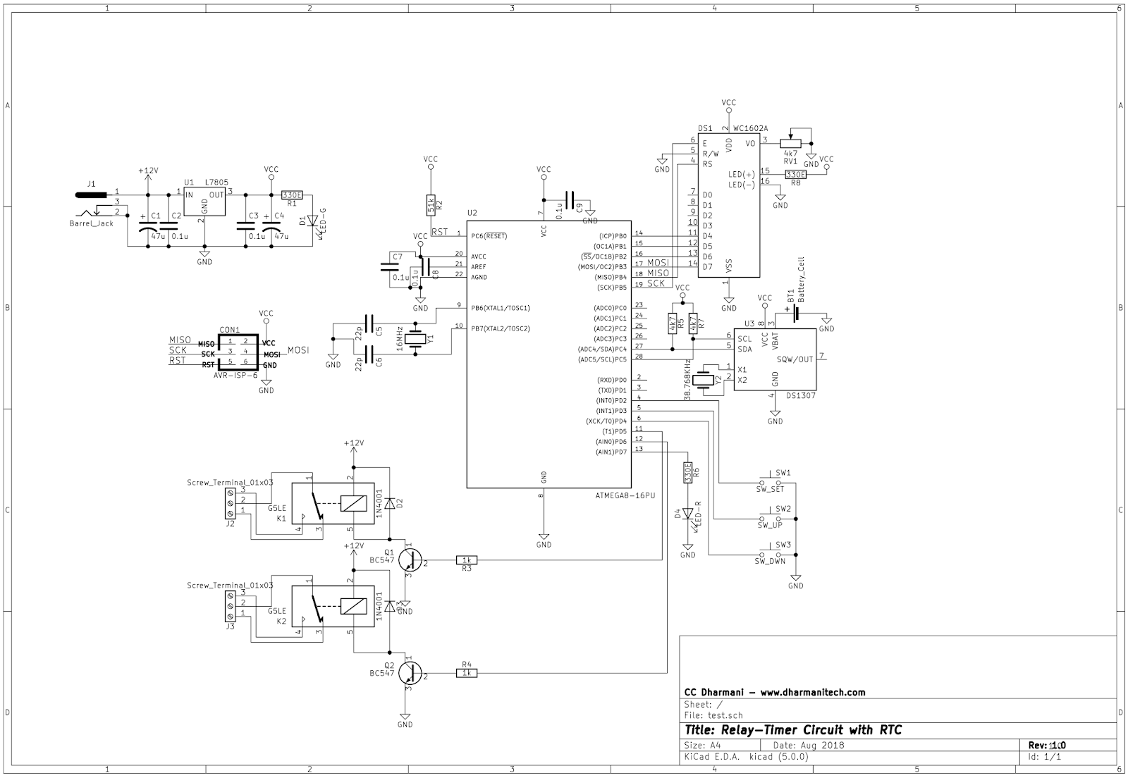
Design with Microcontrollers: Relay-Timer Circuit with RTC (for auto ...
Timers/Counters of Embedded Microcontrollers- Explained
"Microcontroller Timers Explained: Understanding Timers in ...
Microcomputer Time Controller DC 12V 24V AC 110V-220V Digital Time ...
Electronics and Embedded Systems, Microcontrollers, Arduino: How to ...
Explaining Industrial Timers: On Delay and Off Delay - Technical Articles
Store Home Products Summer Sale Feedback
Interfacing LEDs & Electromechanical Relays to Microcontrollers
Store Home Products Feedback
S65c5ab657a644a9ba45d2adb89a051f44.jpg
February 2016 – Arduino++