Showing 111 of 111on this page. Filters & sort apply to loaded results; URL updates for sharing.111 of 111 on this page
Train Vision Transformer Network for Image Classification - MATLAB ...
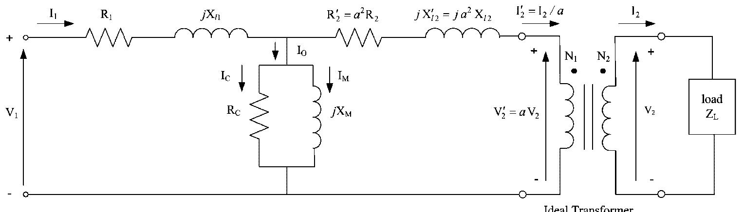
Matlab | Download Free PDF | Transformer | Electrical Network
MATLAB Simulink based transformer model [3, 4, 17] | Download ...
Electrical Transformer - MATLAB & Simulink
Current Transformer In Matlab at Lawrence Melson blog
Figure 6 from Design and Analysis of Transformer Using MATLAB ...
11 MATLAB Simulink Transformer Short Circuit Test - YouTube
Variable Frequency Transformer Matlab Simulink Projects - YouTube
CSI Feedback with Transformer Autoencoder - MATLAB & Simulink
matlab simulation of cascaded transformer | cascaded transformer ...
Transformer models available in MATLAB Simulink. | Download Scientific ...
Figure 3 from Design and Analysis of Transformer Using MATLAB ...
Transfer Learning with Deep Network Designer - MATLAB Doc
(PDF) MATLAB Simulation of Variable Frequency Transformer for Power ...
MATLAB model for simulation of inrush current in transformer | Download ...
AlexNet convolutional neural network - MATLAB alexnet
Three-Phase Custom Zigzag Transformer - MATLAB & Simulink
Transformer Models - File Exchange - MATLAB Central
Current Transformer Model Matlab at Page Koenig blog
MATLAB Neural Network Toolbox - Công Cụ Hàng Đầu Cho Mạng Nơ-Ron Nhân Tạo
MULTIPLE TESTS ON TRANSFORMER WITH THE HELP OF MATLAB SIMULINK | PDF
24. Transformer with electronic tap changer modeled in MATLAB ...
Transformer Parameters Monitoring System using MATLAB Simulink | PDF
MATLAB SIMULATION OF THREE PHASE TRANSFORMER | MATLAB TUTORIAL FOR ...
Transformer - File Exchange - MATLAB Central
Transformer Vector Groups - File Exchange - MATLAB Central
(PDF) Analysis of Characteristics of Three Phase Transformer Using MATLAB
TRANSFORMER Circuit diagram on MATLAB - Docsity
Electrical Transformer with Hysteresis - MATLAB & Simulink
Current Transformer In Matlab Simulink at Harold Eugene blog
Figure 2 from Current Transformer Selection Using Matlab Model ...
Parallel Operation of Transformers using MATLAB Software | Transformer ...
Series Operation of a Transformer | MATLAB Simulation | #electrical # ...
Interactively Modify a Deep Learning Network for Transfer Learning - MATLAB
1 MATLAB model of the T-connected transformer and the VSC-based ...
Simulating Differential Relay in MATLAB | PDF | Transformer | Relay
Figure 5 from A new modeling of Matlab transformer for accurate ...
Modeling Current Signal from an Energizing Transformer - MATLAB ...
PPT - Artificial Neural Network in Matlab PowerPoint Presentation, free ...
Transformer Neutral Grounding and Faults Analysis MATLAB SIMULINK - YouTube
Power transformer for simulation in MATLAB environment. | Download ...
Find the Voltage Regulation and Efficiency of the Transformer using ...
How to Design Transformer Model for Time-Series Forecasting ...
how to simulate transformers in matlab part 1 - YouTube
Figure 5 from A three-legged MATLAB/SIMULINK transformer model using a ...
Figure 3 from Matlab-Simulink model of solid-state transformer realized ...
Figure 1 - from Transformer tests using MATLAB/Simulink and
Transformer Networks for Time Series Prediction - File Exchange ...
Transformer Models: From Hype to Implementation » Artificial ...
Get Started with Transfer Learning - MATLAB & Simulink
Prepare Network for Transfer Learning Using Deep Network Designer ...
Transfer learning - MATLAB & Simulink
Matlab Transfer Function Model | Matlab Tf Model – AJRATW
MATLAB-Simulink based model for current transformer saturation ...
A three-legged MATLAB/SIMULINK transformer model using a fictitious ...
Matlab Transfer Functions - Simplifying Complex Systems😎
Solved 3. Use MATLAB to solve the transfer function, | Chegg.com
Transfer Function - Matlab | PDF | Physics | Electrical Engineering
Figure 7 from A three-legged MATLAB/SIMULINK transformer model using a ...
Figure 13 from A three-legged MATLAB/SIMULINK transformer model using a ...
Network Theorems- Maximum Power Transfer Theorem - File Exchange ...
Convolution Neural Network. MATLAB BKK CENTER | by MATLAB BKK | Medium
how to simulate transformers in matlab part 2 - YouTube
Differential Protection Relays for Busbar, Transformer, and Line MATLAB ...
Solved 2. Use MATLAB to solve the transfer function, | Chegg.com
Protection Transformer and Transmission Line in Power System Based on ...
Transfer-function in MATLAB - YouTube
Determination of the transfer function of passive networks with MATLAB ...
Mastering Matlab Transpose: A Quick User's Guide
Figure 6 from Matlab-Simulink model of solid-state transformer realized ...
Real‐time diagnosis of high‐speed rail traction transformer in ...
Figure 1 from Matlab-Simulink model of solid-state transformer realized ...
Figure I from A three-legged MATLAB/SIMULINK transformer model using a ...
Grid-Connected Transformerless Photovoltaic Inverter using SVPWM Matlab ...
Figure II from A three-legged MATLAB/SIMULINK transformer model using a ...
Interpretable Time Series Forecasting Using a Temporal Fusion ...
transformer-networks-for-time-series-prediction/transformer_demo.mlx at ...
transformer-networks-for-time-series-prediction | Ecosystem Directory ...
Understanding tf Matlab: A Quick Guide to Transfer Functions
独家原创 | Matlab实现CNN-Transformer多变量时间序列预测 - 技术栈
MATLAB-SIMULINK model for the current transformer. | Download ...
Matlab终于能够实现Transformer预测了_matlab transformer-CSDN博客
Figure 4 from Design of high frequency transformers in different shape ...
Ungrounded Electrical Service | Mike Holt's Forum
Transformer分类 Matlab代码 - 知乎
GitHub - Vijayhiga/Transformer-Matlab-Simulation: This project aims to ...
[原创]基于Transformer+SHAP可解释性分析的分类预测 Matlab代码(多输入单输出)_transformer怎么进行shap ...