Showing 120 of 120on this page. Filters & sort apply to loaded results; URL updates for sharing.120 of 120 on this page
L4 3 3 1Small Signal Model Linearizing Diode - YouTube
Figure 1 from Linearizing optical frequency-sweep of a laser diode for ...
Schematic of diode based lineariser | Download Scientific Diagram
LM13700 voltage controlled resistor using linearizing diodes
Exponential and Piecewise-Linear Analysis in Forward-Conducting Diode ...
Figure 6 from Power amplifier linearization using a diode | Semantic ...
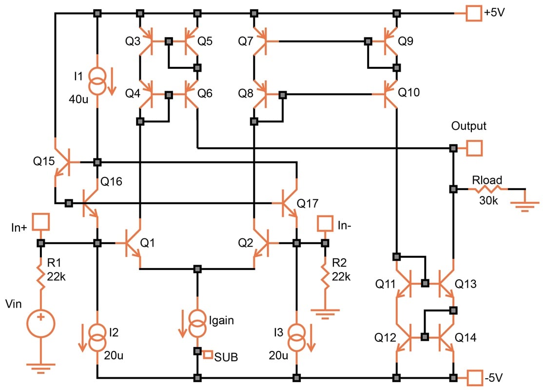
OTA - LM13700, Dual, Linearizing Diodes and Buffers, 16-Pin DIP | CE ...
11.2: Piecewise linearization of the diode I-V characteristics. The ...
A Diode Linearizer for Microwave Power Amplifiers | Microwave Journal
24c: Small signal resistance. We can treat the diode in this case in ...
Figure 2 from Power amplifier linearization using a diode | Semantic ...
5 PCS LM13700MX SOP-16 LM13700 Linearizing Diodes and Buffers IC Chip ...
Comparison of the linearity of the PIN diodes (Diode I, Diode II ...
Linearizing diodes in amp circuits. | diyAudio
Figure 7 from Power amplifier linearization using a diode | Semantic ...
LM13600 Dual Operational Transconductance Amplifiers With Linearizing ...
LM13700/LM13700A Dual Op Amp Datasheet | Linearizing Diodes
Diode Piecewise-Linear, Simplified and Ideal Equivalent Circuits
Piecewise linear diode model with a reverse bias and junction ...
(PDF) Linearization of DFB laser diode by external light-injected cross ...
(PDF) Power Amplifier Linearization Using Diode On Voltage
OTA - AS3080E, Linearizing Diodes, Alfa, 8-Pin DIP | CE Distribution
PPT - Lecture 8 Diode Applications and small signal models PowerPoint ...
Photodiode Vs Diode at Jimmy Coats blog
Figure 1 from PWM Rectifier Imitating Linearization Control for Diode ...
Diode tutorial : construction and working - Gadgetronicx
Linearized version of the circuit from figure 2. The diode is replaced ...
Diode - Large Signal Models - YouTube
Figure 1 from A Novel Linearizing Techniq Based Linearizers for Lightwe ...
5pcs LM13700N Dual Operational Transconductance Amplifiers Linearizing ...
AS13704D - Quad OTA with Linearizing Diodes (SSOP-24) Alfa , Modular ...
Linearizing Graphs In Physics at Jackson James blog
Table 1 from Linearization of Diode Detector Characteristics | Semantic ...
PPT - Diode Circuit Characteristics and Applications PowerPoint ...
LM13700 linearizing diodes increasing distortion? - MOD WIGGLER
Diode power detectors
Varactor Diode In Circuit at Michael Wannamaker blog
Figure 2 from Response linearization of a diode detector type radio ...
Circuit Models of a Diode
(PDF) A diode linearizer for microwave power amplifiers
Figure 2 from A K-band power amplifier with parasitic diode linearizer ...
Wavelength-Tunable Narrow-Linewidth Laser Diode Based on Self-Injection ...
Diode reading for beginners (Easy Guide, 2026)
TVS Diode – 1.5KE250A - Nyereka Tech: Electronic Components One-stop ...
A Millimeter Wave Linearization Method Based on Schottky Diode - Eureka ...
Is Diode A Linear Device at Donald Bryan blog
Linearizing Circuit with Opamps - Electronics Circuits
Schematics of (a) a laser diode and (b) its LI curve. | Download ...
Diode Types And Applications | Types Of Led Diodes – CBYIBF
Figure 5 from A Design of InP-HBT 100-GHz Diode Linearizer Toward 6G ...
Analog simulation - Multisim Live
Analog simulation – Digilent
PPT - Simulation PowerPoint Presentation, free download - ID:4792153
PPT - High Linearity and High Efficiency Power Amplifiers in GaN HEMT ...
Figure 1 from Mixer linearization using dynamic bias circuit with an ...
PPT - A Mirror Predistortion Linear Power Amplifier PowerPoint ...
Voltage_controlled_resistor_with_linearizing_diodes - Power_Supply ...
(PDF) Dynamic linearization of diodes for high speed and peak power ...
(PDF) LM13700/LM13700A Dual Operational Transconductance Amplifiers ...
Design of a Millimeter-Wave Broadband Linearizer Based on an Extended ...
Application of the Operational Transconductance Amplifier (OTA)
Low-power double linearization resistor and diode-connected MOS biasing ...
CA3080 vs LM13700: Exploring the Differences and How to Choose - Avaq
How to linearize f(x)=x/(1+,x^2) at a=1, calculus 1 tutorial - YouTube
Lecture 11: An Electrical Oddity - ppt download
Linearized response of laser diode, optical fiber, and ideal photodiode ...
PPT - 4.4 Linearization and Differentials PowerPoint Presentation, free ...
LM13600 datasheet(11/24 Pages) NSC | Dual Operational Transconductance ...
Figure 1 from Improved feedforward linearization of laser diodes ...
Linear Devices in Electronics and How They Affect Your Signals | PCB ...
Figure 2 from A Novel Analog Predistortion Linearizer Based on a ...
Understanding Electronics (EMM Apr 83)
Bipolar Transconductance Amplifiers | Transconductance Amplifiers ...
Figure 1 from Temperature Behavior and Compensation of Diode-Based Pre ...
Capacitors, Diodes & Rectifiers - EngineeringNotes.net
Linearize DC-DC Converter Model - MATLAB & Simulink
Mos Transistor As A Resistor
Varactor Linearization techniques - Page 1
Single-diode equivalent circuit of the PV. | Download Scientific Diagram
Conquering Rectification: Diodes Power Up Electronics
WHAT_IS_DIODE? DEFINITION, EXAMPLES.pptx
Linearize a Differential Equation - YouTube
Schematic of proposed predistortion linearizer. | Download Scientific ...
Operational Transconductance Amplifier Ti - The inputs include ...
LM13700 datasheet(7/24 Pages) NSC | Dual Operational Transconductance ...
LM13700 datasheet(5/24 Pages) NSC | Dual Operational Transconductance ...
Diodes
LM13700M datasheet(1/32 Pages) TI1 | LM13700 Dual Operational ...
3020Hmwrk4.doc - ECE3020 Homework 4 Reading Intro to linearization ...
LM13700 datasheet(1/24 Pages) NSC | Dual Operational Transconductance ...
Lab 3 - Diodes | Instrumentation LAB
Figure 1 from Transistor Based Source Degeneration: A Calibration-less ...
LM13700M SMD16ขา Dual Operational Transconductance Amplifiers with ...
Arima Lasers Corporation
PPT - Signal Conditioning and Linearization of RTD Sensors PowerPoint ...
Signal Conditioning and Linearization of RTD Sensors Collin
Figure 1 from A 0.25-μm 20-dBm 2.4-GHz CMOS power amplifier with an ...
Different Types Of Diodes And Their Applications Different Types Of
An 18–19.2 GHz Voltage-Controlled Oscillator with a Compact Varactor ...
LM13600 datasheet(22/24 Pages) NSC | Dual Operational Transconductance ...
Diagram of the linearization process | Download Scientific Diagram
LM13700N Dual Transconductance Amplifier: Datasheet, Pinout
Schematic of the proposed linearization analog photonic link based on ...
Equivalent circuit of the Linearizer | Download Scientific Diagram