Showing 120 of 120on this page. Filters & sort apply to loaded results; URL updates for sharing.120 of 120 on this page
LabVIEW #EP16 Optical character recognition (OCR 3/4) Real-time OCR ...
Solved: How can i train OCR characters through labview - NI Community
OCR speech using Labview | PPTX
IMAQ OCR Set Valid Characters VI - LabView NI Vision Documentation
IMAQ GetImagePixelPtr Example - LabView NI Vision Documentation
OCR using Vision in LabVIEW - YouTube
OCR usando MODI con LabVIEW - NI Community
Programmatically Train IMAQ OCR Characters using LabVIEW - NI Community
OCR in Labview - NI Community
How to Calibrate the italic character in the image for ocr in labview ...
IMAQ OCR Rename Character VI - LabView NI Vision Documentation
LabVIEW Vision 之 OCR - 知乎
Ocr Example | PDF
IMAQ OCR Set Reference Character VI - LabView NI Vision Documentation
IMAQ OCR Character Info VI - LabView NI Vision Documentation
IMAQ OCR Write Character Set File VI - LabView NI Vision Documentation
OCR in Labview : LabVIEW
IMAQ OCR Train VI - LabView NI Vision Documentation
OCR using LabVIEW from SCRATCH - YouTube
LabVIEW #EP14 Optical character recognition (OCR 1/4) Training using ...
LabVIEW Vision-NI视觉范例之OCR字符识别 - 哔哩哔哩
LabVIEW #EP17 Optical character recognition (OCR 4/4) Inspection of ...
Optical Character Verification (OCV) in NI LabVIEW - NI
ocr examples - NI Community
Chapter 11: OCR (Optical Character Recognition) - Practical Guide to ...
Optical Character Recognition (OCR) - LabView - YouTube
Figure 3 from Virtual Medical Instrument for OTOROB Based on LabVIEW ...
OCR Definition - What is optical character recognition (OCR)?
What is OCR? Learn How OCR Technology Transforms Business!
What is OCR (Optical Character Recognition)? - Scaler Topics
How to Use OCR in Manufacturing
What is OCR Scanning? - A Beginner Friendly Guide
OCR - Optical Character Recognition - Foundry Tools | Microsoft Learn
GitHub - dwqs/ollama-ocr: A powerful OCR (Optical Character Recognition ...
[LabVIEW] OCR 數字辨識 - CAVEDU教育團隊技術部落格
OCR Data Extraction: Definition, Features, and Methods | Label Your Data
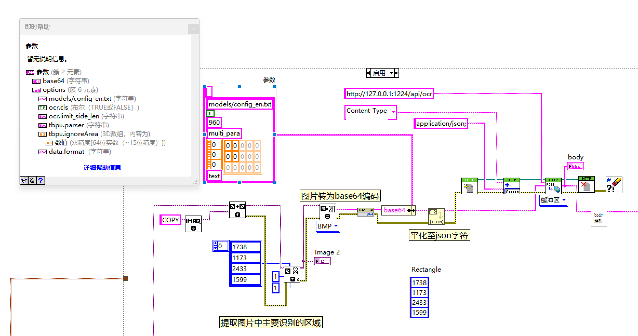
labview 如何实现ocr字符识别?_labviewocr字符识别建立字库-CSDN博客
Tesseract ocr python windows
Labview OCR数字识别_labview识别图片数字-CSDN博客
Premium Vector | Ocr optical character recognition document scan ...
Tesseract OCR Guide: Exploring Capabilities & Performance
OCR (Optical Character Recognition) from Images with Transformers ...
OCR - Optical character recognition. Document scan. Process of ...
What Is OCR Accuracy And How To Measure It
Guide to Using OCR for Receipt Recognition & Data Extraction
Examples - NI LabVIEW Vision Help
optical character recognition - NI Community
Optical Character Recognition (OCR): Definition & How To Guide
Ultimate Guide to Optical Character Recognition (OCR) in 2023
What is Optical Character Recognition (OCR) - The Definite Guide
Ultimate Guide About Optical Character Recognition (OCR)
How To Use Optical Character Recognition (OCR) For Automated Data Entry ...
What is Optical Character Recognition? (OCR) | Lumin PDF Editor
Optical Character Recognition Software
A Comprehensive Guide to Optical Character Recognition (OCR): Part 2
How Does Optical Character Recognition Work | Baeldung on Computer Science
4 Simple steps in building OCR. Optical character recognition (OCR) is ...
Unlocking the Power of Optical Character Recognition
Huawei Cloud Optical Character Recognition(OCR): A Comprehensive Guide ...
A Comprehensive Guide to Optical Character Recognition (OCR): Part 1
Introduction to Optical Character Recognition for Machine Vision
Capabilities and limitations of optical character recognition (OCR ...
How Does Optical Character Recognition (OCR) Work? - YouTube
What is Optical Character Recognition (OCR Process)?
Tsung-Han Hsieh 謝宗翰 » An Automated Machine for Verifying Store Receipts
Step-by-Step Guide to Optical Character Recognition (OCR) with ...
An Introduction to Optical Character Recognition (OCR) | by Sean ...
WinSoft Delphi & C++ Optical Character Recognition – i-Solutions Online ...
Optical Character Recognition Based Speech Synthesis System Using ...
GitHub - SoloistHan/LabVIEW_OCR
直播“遗珠”:LabVIEW开发OCR(光学字符识别)程序的“三三”内容推荐! - 知乎
Optical Character Recognition (OCR) – BERD@NFDI
[PDF] Practical Guide to Machine Vision Software An Introduction with ...
What is Optical Character Recognition (OCR) - Macgence
Introducing the high-speed and highly accurate character recognition AI ...
Introduction to vision systems in lab view | PDF