Showing 119 of 119on this page. Filters & sort apply to loaded results; URL updates for sharing.119 of 119 on this page
Using LabVIEW for Motor and Motion Control - Technical Articles
Top 5 reasons why you need motion control in LabVIEW - TENET ...
Motion Control Labview at Jeremy Fenner blog
Motion Control With Labview at Leslie Perry blog
How to use LabVIEW for motion control in 2021 - GECO Motion 3 Icon Demo ...
Motion Control with LabVIEW and SOLIDWORKS | PPTX
LabVIEW application for motion control using an embedded 3,5 ...
EtherCAT Motion Control Card and LabVIEW Build Intelligent Equipment ...
LabVIEW Motion Control VIs - EXAMPLES PDF | PDF | Analog To Digital ...
Develop EtherCAT Motion Control by LabView - DEV Community
Motion Control With Labview | PDF | Control Theory | Subroutine
TENET EMotion getting started | LabVIEW motion control - YouTube
(PDF) LabVIEW based remote laboratory for advanced motion control
Motion Control with LabVIEW | LinkedIn
LabVIEW and Motion Control Automate Igniter Testing and Sorting | Bloomy
Velocity_Profile.vi - LabView Motion Control Velocity Profile Documentation
Generate a vibration signal using Labview - Forum: Motion Control ...
LabVIEW and Python for Motion Control GUI | Seyed Mohammad Sajadi ...
(PDF) Linear Motor Motion Control Experiment System Design Based on LabVIEW
High-Speed Motion Control for Aerospace with LabVIEW FPGA | DMC, Inc.
(PDF) Motion Control with LabVIEW and SOLIDWORKS - DOKUMEN.TIPS
Upgrade your LabVIEW test and measurement with motion control
Current Motion Control System Figure 2: LabVIEW RT based System ...
(PDF) LabVIEW Model of Voice Commands for Mobile Robot Motion Control ...
The LabVIEW block diagram of the head stage motion controller (running ...
Labview Stepper Motor Control Vi at Emerita Yamamoto blog
National Instruments Simplifies Advanced Motion Control
Speed Control Based on Analog Feedback LabVIEW Diagram - NI-Motion ...
Torque Control Using Monitoring Force LabVIEW Diagram - NI-Motion ...
RMCU - Railway Motion Control Units - Inertial Labs
Power Device Corportation - Motion Feedback LabVIEW SDK
Motion Sensor Alarm with LabVIEW - YouTube
Figure 1 from LabVIEW based remote laboratory for advanced motion ...
LabVIEW | How to Scan Text in LabVIEW | Vision and Motion Series - YouTube
Plotting Motion Table Positions with LabVIEW - NI Community
LabVIEW PIR motion block diagram. | Download Scientific Diagram
Figure 4 from Design of a Multi-axis Motion Control Platform Based on ...
A LabVIEW based programming sequence using 3D Picture Control Functions ...
Figure 1 from LabVIEW-based cost effective Multi-Axis Motion Control ...
ME 144L: A motion measurement VI using LabVIEW vision and applying open ...
Labview softmotion pid control - erocape
labview vision and motion distance measurement - YouTube
Motion Control Software from PI
LabVIEW Driver Development for Motion Controller | DMC, Inc.
Labview Control Design and Simulation 5 read-write data outside ...
Proportional Control Labview
Rotary stage 3 or 4 axis motion controller Labview programmable - RobotDigg
Control software GUI in LABVIEW In this method, the position command ...
Zmotion Motion Control | EtherCAT Motion Controller…
An Introduction to Precision Motion Control | PDF
The Motion VI Library
Labview Meter at Ray Ratliff blog
Connecting LabVIEW to 3rd Party Software Packages - NI
How to program a motion controller?
Labview
GitHub - bensand495/labview-motion-control: Various Basic Labview Codes ...
how to simulate a mobile robot using labview - NI Community
RMC motion controllers with LabVIEW™ software - YouTube
Labview overview tutorial 1 - YouTube
LabVIEW diagram for the command regimes in speed open-loop. The vast ...
Labview Ni Softmotion Module - fasrwet
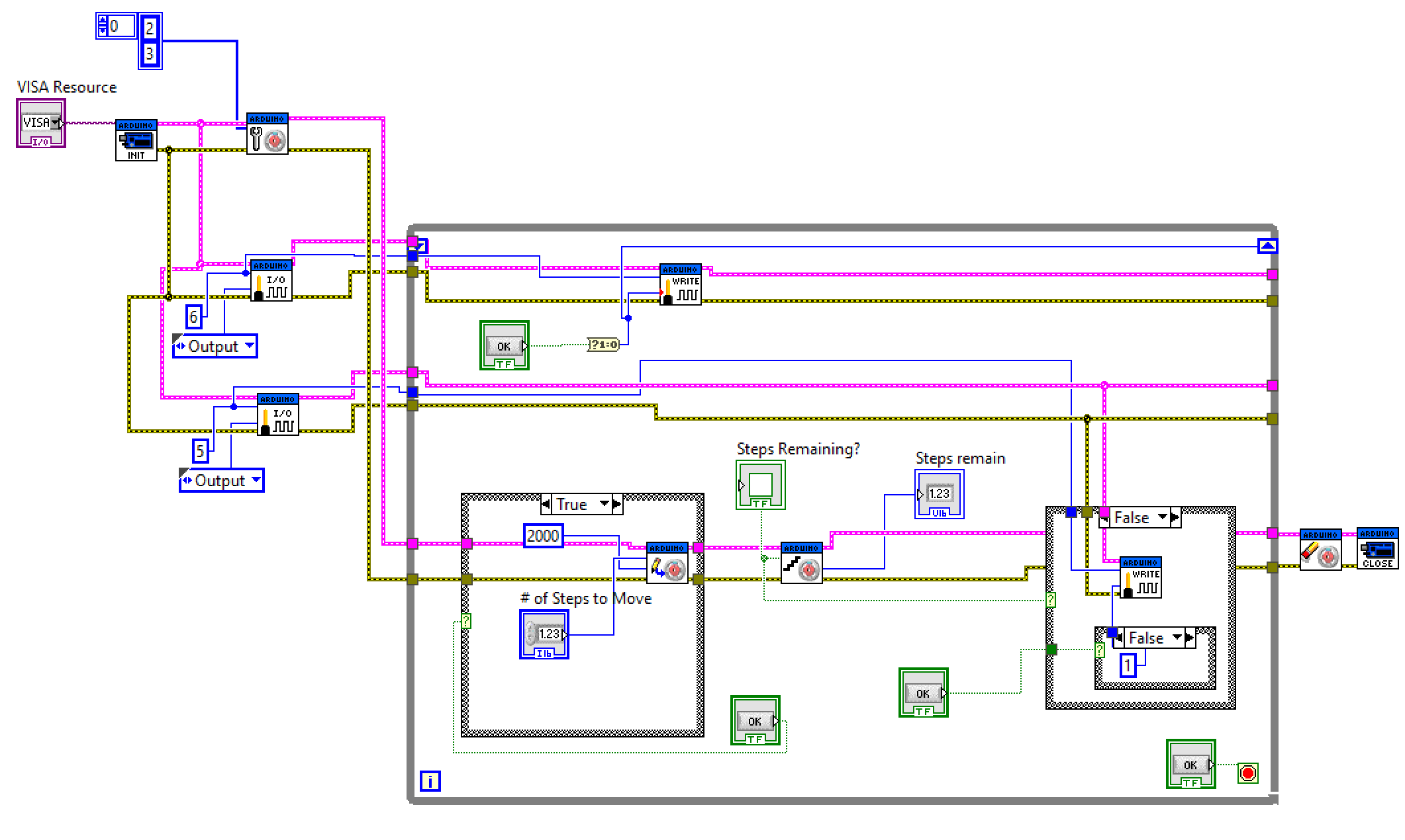
#433 Arduino meets LabVIEW: Varying the Speed of DC Motor using LabVIEW ...
NI LabVIEW NI SoftMotion Module | Automation World
Design & Test Technology, Inc - LabVIEW Programming Services
Dc Motor Simulation In Labview Exle - Infoupdate.org
LabVIEW program (left) that is used to communicate with SPiiPlus ...
depicts a part of the LabVIEW code, which establishes a RS-232 ...
LabVIEW Diagnostics Screen for MC73110 | Download Scientific Diagram
#motioncontrol #labview | John Wu, PMP
Labview_motion_control_proceedures
(PDF) Implementation of a LabVIEW-based automated wind tunnel ...
GitHub - EsmaeiliSajjad/Motion-Control-Using-Steper-Motor
From JavaScript to LabVIEW: My Journey into Industrial Automation