Showing 119 of 119on this page. Filters & sort apply to loaded results; URL updates for sharing.119 of 119 on this page
DIY Lab Bench Power Supply from ATX PSU - YouTube
the new DIYSYNTH source - LAB PSU Breakoutboard PCB assembled
DIY LAB PSU 0-30V / 3A. PRAKTICKA ELEKTRONIKA. Schematic and Komitart LAY6.
DIY Lab Bench Power Supply Make Using ATX PSU - YouTube
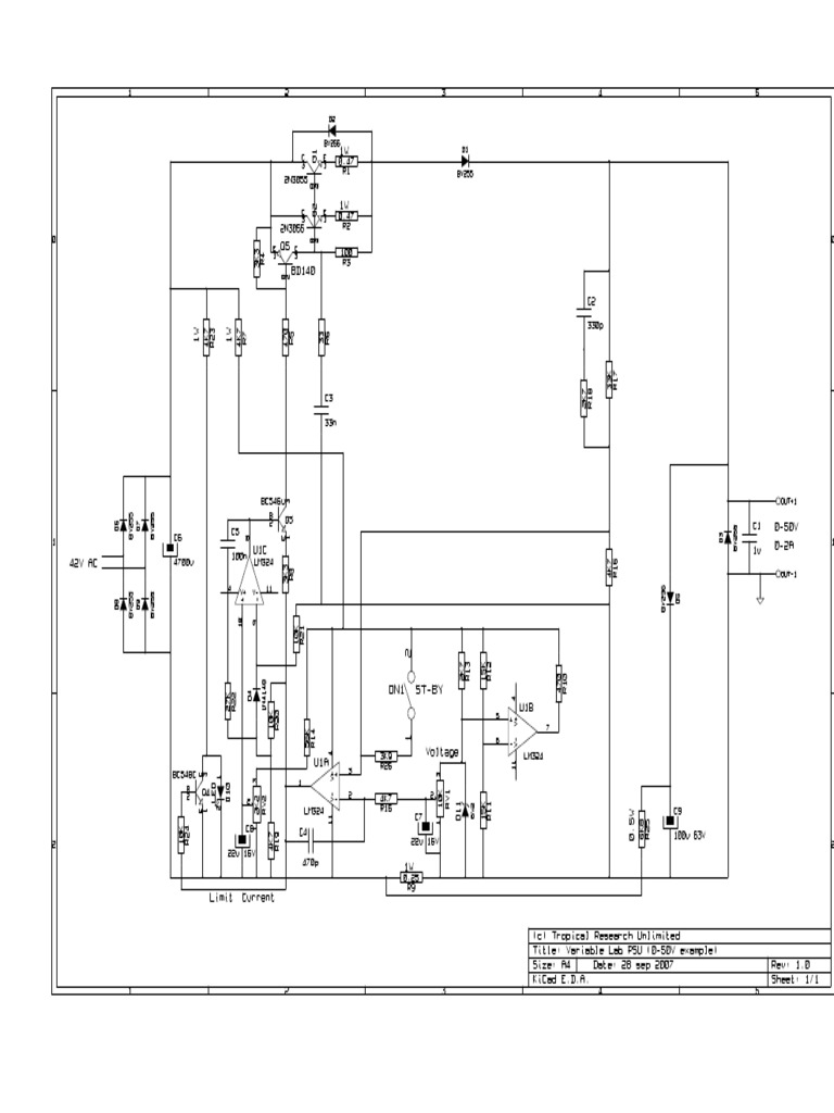
Lab PSU | PDF
Variable voltage lab power supply using psu – Artofit
Lab PSU: Box v1 Top | Top view of my home made lab PSU "Box … | 2Jiggy ...
DIY Converting a Computer PSU into a LAB PSU - YouTube
DIY ATX Wood Lab Bench PSU
DIY Lab PSU
Programmable Lab PSU 0-50V / 0-20A – DPS5020 Review – BasicPI
How to Turn an X-Box 360 PSU Into a 12v Lab PSU : 7 Steps - Instructables
Finalizing the design of my lab PSU - Page 2
Programmable Lab PSU – BasicPI
Dual 0-35V/0-5A Variable Lab PSU – Assembled – BasicPI
New Lab PSU – pt2 – ETek Lab Blog
Lab PSU - Platform for creating and sharing projects - OSHWLab
Variabel Lab PSU by Moritz Multimedia | Download free STL model ...
Lab PSU(Desktop PSU + Laptop PSU) | Hackaday.io
Smart Lab PSU — $10 Open-Source Controller for DC Converters - Hackster.io
9 Best Lab Power Supply[For beginners to professionals 2023]
PSU Archives - Electronics-Lab.com
Accurate 0-30V 0-5A lab power supply
Best Cheap Lab Power Supply at Madison Whittell blog
How to make Advanced Laboratory PSU with RD 6006 W | Hackaday.io
Lab Power Supply 0-40V / 0-2A [120437] - Elektor LABS
Lab Bench Power Supplies | EduLab
Upcycled ATX: Build Your Own Lab Bench Power Supply : 6 Steps (with ...
Knowledgebase - Lab power supply: a short introduction
Instrumentation Essentials: Lab Power Supply - OnElectronTech
Simple and Small Programmable Lab Power Supply : 8 Steps (with Pictures ...
Lab Bench Power Supply 300W Laboratory Switching Power Supply Unit 30V ...
EEVblog #1265 - $53 360W Lab Bench PSU! - YouTube
Simple DIY lab power supply - Bajdi electronics
Lab Bench Power Supply Build at Leslie Hackett blog
Lab Power Supply Linear at Norman Eich blog
Building a Lab Power Supply: A Comprehensive Guide with Schematic Diagrams
Adjustable Lab Power Supply 0-30V 0-3A
Ultimate DIY Laboratory PSU From a Gaming PC PSU : 14 Steps (with ...
How to design a lab power supply at home
TechPowerUp Deploys New PSU Testing Equipment | TechPowerUp
High Precision School Programmable DC Lab Power Supply Adjustable ...
DIY Mini Lab Power Supply : 15 Steps (with Pictures) - Instructables
DC Lab Power Supplies | Laboratory Power Supplies
DIY - Lab Bench Power Supply - YouTube
Laboratory PSU 30V 3A - HiFiStor
$26M START Lab expansion to advance sustainable power and propulsion ...
Lab Power Supply Diagram at Andrew Littlejohn blog
DC Power Supply Variable, 30V 10A Bench Power Supply Lab Adjustable ...
Lab Equipment - Erwin Rol Software Engineering
Build a Variable Lab Bench Power Supply : 22 Steps (with Pictures ...
A Bench Power Supply using computer PSU - Electronics-Lab
DIY Lab Power Supply: Complete Guide
Gallery | How to make Advanced Laboratory PSU with RD 6006 W | Hackaday.io
Superb Lab Power Supply : 15 Steps (with Pictures) - Instructables
Perfect Lab Bench Power Supply : 4 Steps (with Pictures) - Instructables
Stamos Soldering Laboratory Power Supply Bench Power Supply Lab Power 0 ...
START Lab expansion aims to make aviation greener | Penn State University
Professional Lab Power Supply | Elektor Magazine
Xbox One Bench Power Supply (How To Build a Cheap Lab PSU) - YouTube
Final Lab Exam At Virginia Polytechnic Institute And State
Ultimate DIY Laboratory PSU From a Gaming PC PSU - Hackster.io
Full throttle towards the end: PC Power Supply into a Lab Bench Power ...
Lab Power Supply Design at Deeann Perrault blog
Portable power supply with built-in batteries | Embedded Lab
Take a trip to Intel's power supply testing lab | PCWorld
Tiny Lab Power Supply Gets an Upgrade!
GitHub - egillmilan/Linear_Lab_PSU: Linear lab bench power supply project
The Ultimate Guide to Choosing the Perfect PSU for Your Gaming PC
DIY Garden Bench Ideas - Free Plans for Outdoor Benches: Diy Lab Bench ...
Use This for Your lab | 24V 12V 5V 3.3V | Computer ATX Power supply ...
DC laboratory power supplies
LABORATORY POWER SUPPLY UT-P3303 UNI-T - Laboratory Power Supplies - Delta
Amazon.com: AC110V Bench Power Supply, 0-30V 0-20A Variable Power ...
Laboratory power supply LongWei PS-305D 0-30V 0-5A Botland - Robotic Shop
der Regler | a solder-free benchtop-lab-PSU made from an ATX power ...
Trustees support new Applied Research Laboratory facility at Innovation ...
The Applied Research Laboratory at Penn State University
AC/DC Laboratory Power Supply 0 - 30 V/5 A | PHYWE
0-30V Laboratory Power Supply - Electronics-Lab
» CATALOG PRODUCTS » PROFESSIONAL LABORATORY POWER SUPPLIES » ADAPTERS ...
Laboratory power supply - what is it and what is it used for? - Botland
AC/DC laboratory power supplies
Amazon.com: SKY TOPPOWER DC Power Supply Variable, 60V 5A Adjustable ...
Laboratory Power Supply - TorTech Pty Ltd
Buckhout Laboratory is a building located on the campus of The ...
Laboratory power supply 0-30V 0-10A - elektroda.com
Laboratory power supply – Capteur photoélectrique