Showing 117 of 117on this page. Filters & sort apply to loaded results; URL updates for sharing.117 of 117 on this page
Key SLD For SCG Paper Co | PDF
Electrical KEY SLD | PDF
33 KV Key SLD | PDF
Key SLD - R2 | PDF | Electrical Substation | Infrastructure
Key SLD for Power System Network - YouTube
Key SLD | PDF
Key SLD c2 c3 Master | PDF
Key - SLD - R2 | PDF | Electrical Substation | Transformer
Key Bike SLD Lgnition Switch at ₹ 350/piece in Jodhpur | ID: 2856859358448
SLD Hardware Key Blank | PDF
Understanding Power Systems: Key Components & SLD Importance | Course Hero
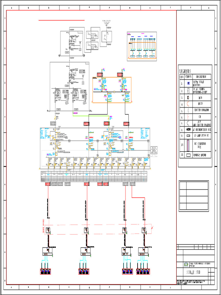
Rev.02 - SLD FOR SOLAR SCHEME KEY UPTO MAIN LT PANEL-Layout1 | PDF ...
Key SLD Lgnition Switch, For Bike at ₹ 350/piece in Jodhpur | ID ...
SLD Single Line Diagrams - A Key Tool in Electrical System Design
Understand SLD in Special Education: Explained with Key Insights
How to Prepare a Key Single Line Diagram (SLD) - YouTube
What is SLD in Electrical Power Systems?
SLD by using Electrical symbols - YouTube
DB Single Line Diagram CAD (DWG) | Distribution Board SLD
Key Hanging Board Supplier – Australia Cardealer-Direct
Best 13 Electrical Busbar explained with SLD (Single Line Diagram – Artofit
25 MW SLD With 66 KV Switch Yard 1 | PDF | Electrical Engineering ...
TYPICAL SLD FOR 132/33kV STATION | PDF
Electrical SLD | Freelancer
SLD of the photovoltaic plant implemented by DIgSILENT. | Download ...
Solenoid Key Release Units: Improving Electrical Safety & Preventing ...
Ph11-8d-15-01-0101-Key SLD | PDF
SLD - 93t-40kva Ups System | PDF
3-As Built SLD For Entire RO Plant | PDF
Single line Diagram(SLD) | 66Kv/11Kv SLD in Kannada | #SUNELECTRICAL ...
3.c411-E-Sld-100a - Key Single Line Diagram For 1x24 Point - r1 | PDF
Electrical SLD of two power source coming to an electrical panel, - YouTube
Electrical SLD Designs in New Delhi
Electrical SLD Bangla Tutorial ( Part 01 Reading ) | #EME_BD | SLD | # ...
sld electrical
Electrical Single Line Diagrams SLD Drawing Services
SLD of the representative DC SPS. | Download Scientific Diagram
Linear Regulator vs Switching Regulator: Key Difference Explained ...
Understanding Electrical SLD: Key Features and Reading Tips - Studocu
AUTOCAD SINGLINE DIAGRAM MECHANICAL INTERLOCK SYSYTEM 3 LOCKS 2 KEY ...
Part 4 one line key diagram of a typical 66kV / 11kV Distribution ...
How to read 11KV switchgear SLD (single line diagram ) - YouTube
(a) Schematic diagram of key distribution scheme based on... | Download ...
Brc-Misc-Ele-Sld-1080zz-00001 - b0 - Fpso Electrical Overall Key Single ...
The Interpretation of SLD | PDF | Switch | Fuse (Electrical)
33/11 KV PSS SLD ( Single Line Diagram) two PTR & one 33 KV incoming ...
33 KV HT Yard Section & SLD SINGLE LINE DIAGRAM 33KV/11KV SUBSTATION ...
online ups sld diagram! online ups sld diagram with explain!! - YouTube
How to read the SLD Drawing of LT panel ? Single Line Diagram - YouTube
NEPSI - Key Interlock System
Mcc 1 Line Diagram How To Read The SLD Drawing Of LT Panel ? Single
SUBSTATION SINGLE LINE DIAGRAM| SLD | POWER SYSTEM GENERATION ...
Basics of Single Line Diagram । Uses of SLD । Symbols used in PSN to ...
M699-SRI-E-1001_Key Sld_R2 | PDF
실무를 말하다 1부~key SLD(Single Line Diagram)보는 법(기초편) - YouTube
What is a Single line diagram, and how can you read and understand one?
Electrical Engineering | Logical Systems, LLC
Single-Line Diagram (SLD) of a Substation - Electrical - Industrial ...
Single-line Diagram
How to design an Single Line Diagram (SLD) of Electrical Low Voltage ...
Mastering Single Line Diagrams: A Guide for Electrical Engineers
Understanding the Single Line Diagram (SLD) of a*33kV/11kV Substation
Single Line Diagram (SLD): A Vital Tool for Electrical System Design ...
What is Interlocking in substations, and what is it for? | EEP
Single Line Diagram (SLD) of the proposed case study | Download ...
Fig1-sld of 66Kv/11Kv Substation Here, the unique busbar arrangement ...
Switchgear interlocking system and arc protection that you MUST ...
Electrical Diagrams and Schematics
A Symbol Recognition System for Single-Line Diagrams Developed Using a ...
Electrical Drawings | Ashwatha Energy
What is a Single Line Diagram (SLD)? | EXPLAINED - YouTube
GALAX RGB Gaming Mouse Slider-03 7200DPI / 7 Programmable Macro Keys ...
One-line Diagrams Solution | ConceptDraw.com
What is a Single line diagram (SLD) for substation ما هو الرسم الخطى ...
Electrical Miracles: Single Line Diagram(SLD)
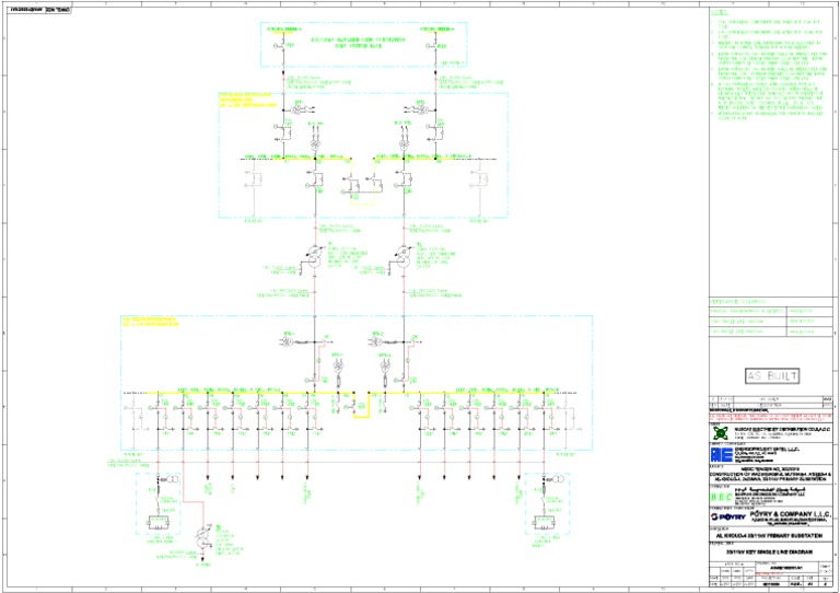
52009-ELE-GNR-SLD-101-R6-KEY SINGLE LINE DIAGRAM | PDF
Power Supply Single Line Diagram at Ebony Dunlop blog
Single Line Diagram (SLD) for Electrical Circuits
Fundamentals of Single-Line Diagrams in the PE Power Exam
The art of a low voltage switchgear design: The case study and ...
Single line diagram (SLD) of 132/33kV Substation | Explained ...
Seven design diagrams that every HV substation engineer MUST understand ...
Electrical Technology - Complete Guide to Electrical Engineering ...
Layout of 33kv Switchyard Rev-C | PDF | Electrical Substation ...
What Is Single Line Diagram In Substation, Symbols Used
How To Read A Substation One Line Diagram » Wiring Work
Modern practice for LV/MV substation and power distribution systems ...
Low Voltage Switchgear Diagram Electrical Distribution System In A
Single Line Diagram (SLD) Preparation Services | Elion India - Energy ...
How to read Single line diagram (SLD) or Relay & Metering Diagram ...
220kV Substation Single Line Diagram (SLD) | Overview ...
Practical experience on substation protection and control systems | EEP
Single Line Diagram (SLD) With Interlocking 132kV Substation Complete ...
Single Line Diagrams
Learn How to Depict Switchgear and Substation Single-Line Diagrams ...
HOW TO READ ELECTRICAL DISTRIBUTION BOARD SINGLE LINE DIAGRAM (SLD ...
You searched for PDF | Page 8 of 69 | EEP - Electrical Engineering Portal
Wiring Diagrams For Street Lamps
Decoding Electrical Single Line Diagram Symbols: A Comprehensive PDF Guide
Electrical single line diagram | 33KV/440V Yard Drawing | इलेक्ट्रिकल ...
How to draw Single Line Diagram|Single line diagram with bus coupler ...
Полное руководство по символам на схемах электропроводки — HUYU ...
The Ultimate Guide to Understanding IEC Single Line Diagram Symbols
Single line diagram, SLD, electrical, drawing , commercial, industrial ...
mouse for laptop wireless gaming mouse gaming mouse GALAX Slider 01 RGB ...
Learn how to interpret and design single-line diagrams (SLD) for ...
How To Draw Single Line Diagram In Word
Can You Really Design a PERFECT Solar Power Plant Using PVsyst in 2026 ...
Wiring Diagram Emergency Stop Button at Jeramy Phillip blog
Accurate Single Line Diagrams (SLDs) are the backbone of efficient ...