Showing 120 of 120on this page. Filters & sort apply to loaded results; URL updates for sharing.120 of 120 on this page
Lecture note of KCL With Matrices - Lecture note KCL With Matrices ...
KCL and KVL relations between incident, tie set and cut set matrices ...
KVL and KCL Equations by Cut Set Matrix and Tie Set Matrix: Step by ...
Incidence Matrix (A) | Properties of Incidence Matrix A | KCL
KCL admittance matrix by Inspection - YouTube
KCL and fundamental cut set matrix - YouTube
Solved Write all the KCL (nodal) equations in matrix form | Chegg.com
Solved (a) Write the KVL and KCL equations in matrix form as | Chegg.com
22.How to Write KCL Equations & Cut-set Matrix From a Given Graph - YouTube
DC 05 KVL KCL Nodal Analysis Explanation and Solved Problems by ...
Ground-state geometrical configurations of KCl 2 ,K 2 Cl, ͑ KCl ͒ 2 ...
Solved Write the KVL and KCL equations for the circuit shown | Chegg.com
Optical density of (a) CdS NCs embedded in KCl single crystal and (b ...
How to make KCL equations for a given circuit ? - YouTube
KCL
KVL & KCL | PPTX
KCL and KVL | PPTX
Solved For the circuit shown : (a) Write the KVL and KCL | Chegg.com
Learn KVL and KCL Equations by Cut Set Matrix and Tie Set Matrix - Mind ...
What is KCL (Kirchhoff's Current Law) - The Engineering Projects
Figure 1 from Ionic behavior of NaCl and KCl in the vicinity of ...
Simulation of KCL and KVL - YouTube
Solid-state CD spectra of R-1 and S-1 in a KCl matrix including 1% (wt ...
How to solve a circuit using KCL and KVL Circuit Analysis - YouTube
How to apply KCL to a circuit - YouTube
Schematic diagram indicating the mechanisms by which KCl cotransport ...
Circuit Equations Tableau Equations KCL KVL EE Resistive
MakeTheBrainHappy: The Lewis Dot Structure for KCl
Using knowledge of the formation of KCl from its elements, constr ...
͑ Color online ͒ Crystal structures of KCl projected on ͑ 200 ͒ planes ...
KCl Lewis Structure: What is the Lewis Structure of KCl?
Explain Kcl With Example at Danielle Haynes blog
Nodal Analysis | Kirchoff Current law. How to apply KCL at a node ...
(a) demonstrates effect of KCl concentration on mitochondrial membrane ...
(a) EBSD scan on a NaCl co-crystal within a matrix of KCl crystal from ...
Pattern formations in response to KCl concentrations. (A) Images of ...
Nodal Analysis - learn about KCL and solve it easily with Matlab
Matrix of SEM images of CA-KCl fibers with the concentration of KCl ...
Location of the shear plane as a function of the outer KCl lattice ...
Kirchhoff's Law, Junction & Loop Rule, Ohm's Law - KCl & KVl Circuit ...
Amino acid transfer as function of KCl concentration for (~) aspartic ...
KCL (Kirchhoff’s Current Law) Explained with Simulator | Electrical ...
Potassium chloride KCl in coesite matrix. a) HAADF image of ...
Change in the lattice constant of the outer KCl layers (black squares ...
Lewis structure KCl | Science | ShowMe
How do you use KVL and KCL to analyze a circuit?
Structure of nacl kcl cscl Chemistry PPT.pptx
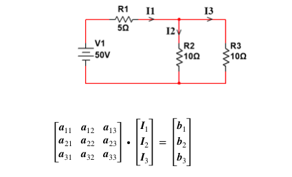
Solved write the node voltage equations using KCL in matrix | Chegg.com
Nomenclature of the patterns a–d, Schematic showing the number of KCl ...
KCL and KVL Real Applications, Examples | Kirchhoff's Law - ETechnoG
circuit analysis - KCL - Writing equation for essential node ...
PPT - KCL PowerPoint Presentation, free download - ID:1529341
Equivalent atomic numbers of KCl solutions. | Download Scientific Diagram
SOLVED: Lewis structure of KCl
Correlation matrix for the TFI-T, SOF and KCL (N = 210). | Download ...
LSV curves in 3 M KCl at v=0.05 V s‐1 for Au‐Cit NP dissolution from ...
KVL and KCL from tie-set matrix - YouTube
Parameters in response to KCl concentrations. | Download Table
KCl Mass: Definition, Formula, Uses, Flame Color & Facts
Kirchhoff's Current Law, KCL and Junction Rule, Solved Problems
(a) Two KCl solutions separated by a combinatorial membrane composed of ...
Standard KCl Solutions | How to prepare KCl solution for calibration of ...
KVL & KCL | PPT
Configuration information of KCl aqueous solutions. | Download ...
Kirchhoff's Laws | KVL And KCL | Questions 6 | Network Theory - YouTube
Problems based on KCL - YouTube
PPT - Simulation PowerPoint Presentation, free download - ID:4792153
PPT - Sinusoidal Steady-State Analysis in AC Circuits PowerPoint ...
Lecture # 3 Formation of tie-set and cut-set matrix and its application ...
Network Topology | PPTX
PPT - EECS 70A: Network Analysis PowerPoint Presentation, free download ...
Graphical representation of distribution network By applying (KCL) to ...
LEWIS STRUCTURES BONDS IONIC BONDING - ppt download
ELEC-201 Electrical Technology - ppt download
PPT - EE40 Lecture 2 Josh Hug PowerPoint Presentation, free download ...
PPT - Electric Current PowerPoint Presentation, free download - ID:409959
Learn Electrical Engineering
Solved Sketch the impedance diagram and the admittance | Chegg.com
PPT - Understanding Ohm’s Law, Power Conservation, and Kirchhoff’s Laws ...
Potassium Chloride Lewis Dot Structure
PPT - Section 5.2— Drawing Molecules PowerPoint Presentation, free ...
Part Two of "KCL admittance matrix by inspection" - YouTube
Potassium Chloride Molecule
(a) Schematic illustration of the space confinement effect induced by ...
Potassium Chloride Dot And Cross Diagram
PPT - Lecture 2: Circuit Elements & Schematics Nilsson 2.1-2.5 ...
Solved Consider the circuit given below: (31 Points) | Chegg.com
PPT - CSE 245: Computer Aided Circuit Simulation and Verification ...
3 - KVL, KCL, Nodal, and Mesh Analysis: Comprehensive Examples and ...
Computer Application in Power system: Chapter two - load flow analysis ...
PPT - Chapter 4 Techniques of Circuit Analysis PowerPoint Presentation ...
kvl kcl- nodal analysis | PPT
Matrices/physics - Mathematics Stack Exchange
Node Voltage Method | Electrical A2Z
PPT - E E 1205 Circuit Analysis PowerPoint Presentation, free download ...
Linear circuit analysis 2 | PPT
Potassium Chloride Structure
Kirchoff Laws (KCL & KVL) - Electrical Learners
Network Equilibrium Equations KVL, KCL, Impedance and Admittance Matrix ...
Table 2 from Crystal structure of potassium chloride monohydrate: water ...
Kirchhoff's laws Formula, Equation, Examples
Basics of RF Oscillators and matrix formation of equivalent circuit ...
Surface plot of LiCl−KCl Regression Kriging model predicting Density ...
【电路理论】KCL、KVL、线性直流电路各大方法、定理详解-CSDN博客
PPT - 基本电路理论 PowerPoint Presentation, free download - ID:5245078
Potassium Chloride (KCl) - Definition, Structure, Properties, Uses ...
PPT - Circuit Analysis III PowerPoint Presentation, free download - ID ...