Showing 104 of 104on this page. Filters & sort apply to loaded results; URL updates for sharing.104 of 104 on this page
Buy CJMCU-333 INA333 Multifunctional 3-Operational-Amplifier Module at ...
INA333 Precision Instrumentation Amplifier Module
Ina333 Instrumentation Amplifier Module
Snapklik.com : INA333 Amplifier Module 3 Operational Amplifier INA333 ...
INA333 Amplifier Module INA333 Instrumentation Amplifier Module - Low ...
Cjmcu-333 Ina333 Module Opérationnel Module Multifonctions Opamp Module ...
INA333 تقویت کننده ابزار دقیق: ویژگی ها ، pinout و طراحی مدار
JESSINIE INA333 Amplifier Module 3 Operational Amplifier INA333 Low ...
Ina333 CJMCU 333 INA333 Multifunctional 3-Operational Module Instrument ...
INA333 Instrumentation Amplifier Pinouts, Features, Alternatives ...
INA333 Instrumentation Amplifier : Pinout, Datasheet & Its Working
INA333 정교 Op Amp 모듈 (INA333 Precision Op Amplifier Module) : 네이버 블로그
INA333 Human Micro Multifunctional Three Op Amp Precision ...
On INA333 - Instrumentation amplifier | All About Circuits
INA333: INA333 confirm schematic - Amplifiers forum - Amplifiers - TI ...
Programmable gain of INA333 provided by digital potentiometer DS1804 ...
INA333: INA333 offset voltage - Amplifiers forum - Amplifiers - TI E2E ...
INA333 wheatstone bridge - Amplifiers forum - Amplifiers - TI E2E ...
Power supply issue with virtual ground for the INA333 and AD630 ...
OPAMP ModuleCJMCU-333 INA333 Multifunctional 3-Operational-Amplifier ...
10Pcs/1pc INA333 Human Micro Signal Multifunctional Three Op Amp ...
MCU-333 INA333 human micro signal multifunctional three op amp ...
WCMCU-333 INA333 Low Power Precision Instrumentation Amplifier :: Micro JPM
Módulo Amplificador Instrumentación INA333 Precisión Zero-drift ...
INA333: INA333 input bias current return path - Amplifiers forum ...
INA333 TI Amplifier Linear Devices - Veswin Electronics
ina333 - Electronics-Lab.com
INA333 - Zero Drift Instrumentation Amplifier | PPT
INA333: INA333 - Amplifiers forum - Amplifiers - TI E2E support forums
Jual BEST INA333 Human Micro Signal Multifunctional Three Op Amp ...
I333* Marking, INA333 Datasheet(PDF) - Texas Instruments
INA333: INA333 for Strain Gauge - Amplifiers forum - Amplifiers - TI ...
Help me debug ina333 load cell wiring (videos included) - General ...
INA333 Low Power Precision Instrumentation Amplifier Three op amp's ...
INA333 | Buy TI Parts | TI.com
INA333 by Texas Instruments Datasheet | DigiKey
operational amplifier - INA333 strange output, it's the same w/ and w/o ...
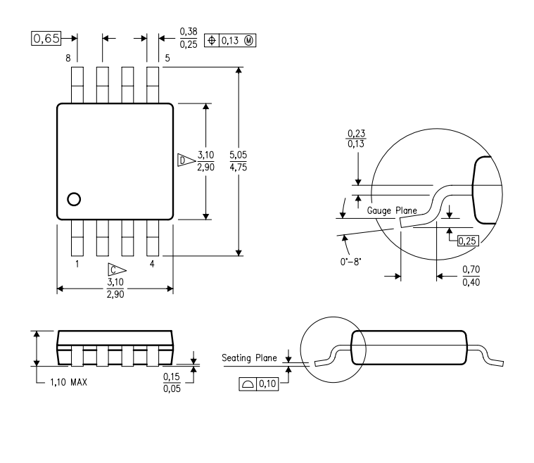
INA333 Datasheet(PDF) - Texas Instruments
INA333 Single Power supply question - Amplifiers forum - Amplifiers ...
INA333 Gain Calculation - Amplifiers forum - Amplifiers - TI E2E ...
INA333 человеческий микро-сигнал многофункциональный три ОП Ампер ...
INA333 放大倍数问题 - 微波EDA网
INA333: Cannot simulate INA333 noise properly - Amplifiers forum ...
INA333 Single supply - Amplifiers forum - Amplifiers - TI E2E support ...
INA333: INA333 ECG - Amplifiers forum - Amplifiers - TI E2E support forums
Sce6befd984484b39911b76dc612d1dc5c.jpg
INA333: CJMCU-333 MCU and Impedance to Ground - Amplifiers forum ...
INA333/INA333-Q1 Instrumentation Amplifiers - TI | Mouser
INA333: Output Range is not as expected - Amplifiers forum - Amplifiers ...
INA333: Unstable voltage at differential inputs with a load cell ...
INA333: INA333-Schematic Check - Amplifiers forum - Amplifiers - TI E2E ...
S6c1f84350528488493157155bf43dcfcx.jpg
INA333: Need to make build my circuit on a breakout board - Amplifiers ...
INA333-HT Rail-to-Rail Out Instrumentation Amplifier (Texas Instruments)
Analog loadcell amplifier INA-333 - Sensors - Arduino Forum
INA333, AMPLIFIER OP AMP MODULE, BIO-MICRO SIGNAL
INA333-HT: HKQ footprint - piout inverted for dead bug package mounting ...
INA333: Single supply in TIDU873A reference design. - Amplifiers forum ...
INA333-Op-3-Op.jpg
Scdeab90c7c9c445da685175c8be9695dk.jpg
INA333-HT Datasheet | Rail-to-Rail Out Instrumentation Amplifier Texas ...
S58edbe5712a6472ca5a2e39844fd640ev.jpg
INA333: Application Inquiry - Amplifiers forum - Amplifiers - TI E2E ...
INA333: 关于INA333差分输入信号接入的问题 - 放大器论坛 - 放大器 - E2E™ 设计支持
Low Power Precision Instrumentation Amplifier Three Op Amp's Multi ...
INA333: Analog Engineer's Calculator VOUT max and VOUT min calculations ...
INA333: 1mV measurement possible? - Amplifiers forum - Amplifiers - TI ...
INA333——低功耗、零漂移、精密仪表放大器
LM358 Op Amp, Thermopile and Arduino - General Guidance - Arduino Forum
INA333-HT by Texas Instruments Datasheet | DigiKey
KIMME Low Power Precision Instrumentation Amplifier Three op amp's ...
INA333: Output oscillating at around 1Hz in my circuit - Amplifiers ...