Showing 120 of 120on this page. Filters & sort apply to loaded results; URL updates for sharing.120 of 120 on this page
5Pcs INA220AIDGSR IC CURRENT MONITOR 1% 10MSOP 220 INA220 #K1995 | eBay
INA220: INA220 circuit || VBUS - Amplifiers forum - Amplifiers - TI E2E ...
Current read on INA220 - Amplifiers forum - Amplifiers - TI E2E support ...
INA220 Datasheet(PDF) - Texas Instruments
INA220 3.3V INA220AIDGST Current Regulator IC | Utmel Electronic.
Ina220 Ina220aidgsr Circuito Integrado Vssop-10 | MercadoLibre
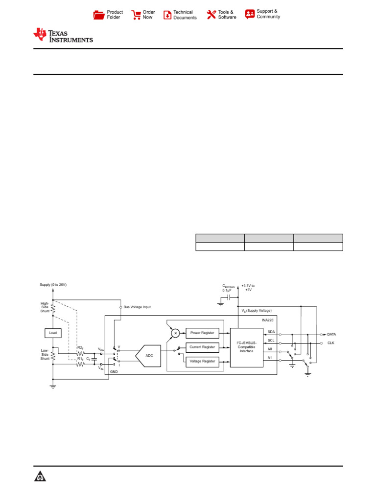
INA220 advanced mathematics - × Power Register Current Register I C ...
INA220 datasheet - Bi-Directional Current/Power Monitor With I2C ...
INA220: Reading Registers of INA220 digital current sense amplifier ...
GitHub - aselectroworks/Arduino-INA220: Texas Instruments INA220 ...
how to use ina220 current monitor - NXP Community
INA220: about INA220 precision - Amplifiers forum - Amplifiers - TI E2E ...
INA220 Datasheet (Bidirectional Current and Power Monitor) | Texas ...
(1PCS) INA220AIDGSR IC CURRENT MONITOR 1% 10MSOP 220 INA220 | eBay
INA220: INA220 readding issue - Amplifiers forum - Amplifiers - TI E2E ...
1PCS INA220 INA220BQDGSRQ1 Silk Printing IPUQ New Import Hot Selling ...
INA220: about INA220 IN- - Amplifiers forum - Amplifiers - TI E2E ...
Material: Stainless Steel INA 219 Module at ₹ 200/piece in Pune | ID ...
INA220: Asking for the INA220 current sensing circuit review ...
INA220: INA220 failing in first few weeks at alarming rate - Amplifiers ...
INA220: about I2C of INA220 - Amplifiers forum - Amplifiers - TI E2E ...
INA220: INA220 AC measurement - Amplifiers forum - Amplifiers - TI E2E ...
INA220: Current measuring problem while using the INA220 - Amplifiers ...
INA220: INA220 - Amplifiers forum - Amplifiers - TI E2E support forums
INA220: Can I use INA220 to monitor 50uA level current? - Amplifiers ...
INA220EVM | Buy TI Parts | TI.com
INA220EVM Texas Instruments | Development Boards, Kits, Programmers ...
INA220-new-original-INA220AIDGSR-Digital-power-monitors-Electronic ...
INA220AIDGSR中文资料_最新报价_数据手册下载_TI(德州仪器)-电流感应放大器-立创商城
Ina220aidgst Electronic Components Ic Chips New Original Integrated ...
INA220-Q1产品参数_功能图_原装现货-IC先生
INA220电流电压采样方案-CSDN博客
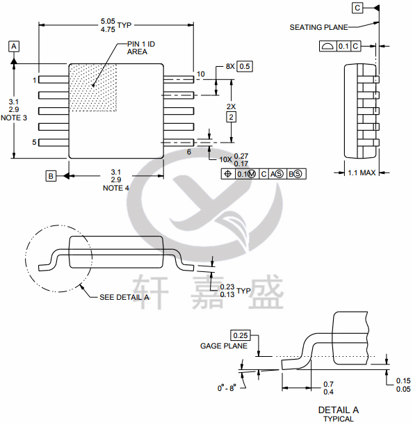
INA220: INA220AIDGSR layout - Amplifiers forum - Amplifiers - TI E2E ...
INA220-Q1 Datasheet PDF - Texas Instruments I2C-Compatible Current ...
INA220: Schematic review of Use only voltage sensing - Amplifiers forum ...
Connecting INA226 via i2C - XIAO - Seeed Studio Forum
INA220-Q1 Datasheet(PDF) - Texas Instruments
INA220: abnormal output when VCC5V drop to 2.2V and recovery ...
INA220AIDGSR Texas Instruments | Mouser
INA220: VBUS connection for High side sensing - Amplifiers forum ...
INA220-Q1 datasheet(1/38 Pages) TI1 | Automotive Grade, 26-V, Bi ...
INA220: INA220AIDR Information - Amplifiers forum - Amplifiers - TI E2E ...
INA220-Q1 Datasheet PDF (I2C-Compatible Current/Power Monitor) | Texas ...
INA220AIDGST中文资料_最新报价_数据手册下载_TI(德州仪器)-电流感应放大器-立创商城
S9a2dadb38eba4637afaf897236435a64i.jpg
INA220-Q1: Requesting Failure Rate - Amplifiers forum - Amplifiers - TI ...
INA220: Current Meter is failed for reading operation during a voltage ...
How to Use INA 226: Pinouts, Specs, and Examples | Cirkit Designer
S63bf09371fd449a094c2515b366d2d59G.jpg
Ina 220 | PDF | Electrostatic Discharge | Analog To Digital Converter
INA220AIDGSR 26V10mA 电流监控器 MSOP-10 TI德州 集成IC
INA220-Q1 datasheet(2/38 Pages) TI1 | Automotive Grade, 26-V, Bi ...
Unlocking the Potential of INA220: Comprehensive Datasheet Breakdown
INA220: Low Current monitoring of MCU and Peripherals - Amplifiers ...
INA220: Failure of current shunt monitor device, potentially do to ...
INA226 Voltage Current Monitor 0-36V 20A Tester IIC Power Monitoring ...
INA220: Schematic design Related - Amplifiers forum - Amplifiers - TI ...
INA220-Q1: Schematic Question! - Amplifiers forum - Amplifiers - TI E2E ...
Store Home Products Feedback
INA220AIDGSR TI Power ICs | Veswin Electronics Limited
INA220: Vin has 0.6V signal without input signal - Amplifiers forum ...
海思平台INA220电压电流模块调试-CSDN博客
INA220: Measurement error between INA220A and INA220B - Amplifiers ...
【选型】国产电流和功率监测芯片TPA620 PTP替代INA220,助力5G小基站供电设计
INA220: current value - Amplifiers forum - Amplifiers - TI E2E support ...
CSD201CMSOP10功率监视器替代INA220与TPA620的新力量
INA220: I2C address and ACK feedback - Amplifiers forum - Amplifiers ...
INA220: INA220BIDGST - Amplifiers forum - Amplifiers - TI E2E support ...
INA220: Figure 31 - Amplifiers forum - Amplifiers - TI E2E support forums
INA226: Need to sense current from 1mA to 1000mA with a resolution of ...
INA220: Bus Voltage Full Scale Range Setting - Amplifiers forum ...
INA220A ADC conversion - Data converters forum - Data converters - TI ...
INA220: 如何精准测量uA级别电流 - 放大器论坛 - 放大器 - E2E™ 设计支持
Sb5b7d2f2487545a098bd3f193b1a8c08r.jpg
Sb83ee223a9ed47329c4685e9d98f00a16.jpg
INA220: overflow issue - Amplifiers forum - Amplifiers - TI E2E support ...
INA220: BUS input impedance and input current - Amplifiers forum ...
INA220: Shunt voltage random values (spikes) when measuring 0mA ...
Modular power monitor prototype for up to 48 devices. | Download ...
INA220: Bus voltage reading showing zero at few instances of time ...
INA220: Maximum detected current - Amplifiers forum - Amplifiers - TI ...