Showing 91 of 91on this page. Filters & sort apply to loaded results; URL updates for sharing.91 of 91 on this page
Machmotion G Code List: Machmotion G Code Tutorial – GCZNU
Code G - Want.net
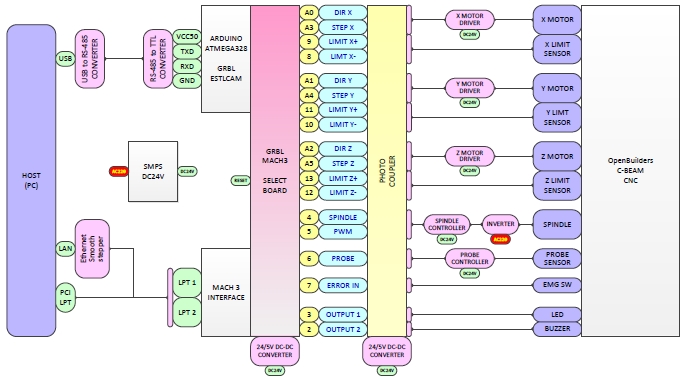
OPENBUILDS MACHINES | OpenBuilds
Enhancement: Grbl defaults for OB machines · Issue #7 · OpenBuilds ...
First Job - OpenBuilds LEAD/WorkBee Laser Upgrade
OpenBuilds LEAD 1010 Review- Desktop CNC - MellowPine
Openbuilds Control
GCode Alert with OpenBuilds CONTROL - Thayne Co
Machine Coordinates for OpenBuilds Control - YouTube
OpenBuilds Quick CNC homing and limits demo - YouTube
Get Moving With New Software From OpenBuilds | Hackaday
OpenBuilds CAM Gcode Creator - Public Beta
OpenBuilds OX CNC Machine | Cnc machine, Cnc, Hobby cnc
OpenBuilds C-Beam® Machine | Cnc machine design, Beams, Cnc
openbuilds gcode generator
openbuilds sterownik soft
OpenBuilds CAM: Online CNC CAM System | AlternativeTo
UGS G-Code Operation | OpenBuilds
OpenBuilds Lead Machine 1515, 40% OFF | www.pinnaxis.com
OpenBuilds Control Automatically Launch at Startup - Thayne Co
open builds gcode generator tutorial | OpenBuilds
OpenBuilds LEAD CNC Machine 1510 (60 x 40') | 3D Warehouse
OPENBUILDS - Materiales y Proyectos (con imágenes) | Cnc, Máquinas cnc ...
OpenBuilds LEAD CNC Machine 1010 (40 X 40) OpenBuilds Part
Black Box CNC OpenBuilds już w Polsce! Sklep V-Slot OpenBuilds Polska
OpenBuilds C-Beam Machine | Cnc machine design, Machine design, Custom ...
OpenBuilds - "I have been toying with the idea of making a 3 axis ...
OpenBuilds Multi Z add-on for the OpenBuilds LEAD CNC Machine 1515 ...
openbuilds CNC 만들기 Part 1 : 네이버 블로그
OpenBuilds CNC modeling V2 - YouTube
CNC G Codes G Codes For CNC (in Marathi) I CNC Course CNC, 46% OFF
Tools Today: Make Your New Project With OpenBuilds 🚀 | Milled
CNC INTERFACE OpenBuilds V-SLOT Česká republika
OpenBuilds CONTROL Tutorial - Thayne Co
OpenBuilds LEAD CNC Machine 1010 (40 x 40) - OpenBuilds Part Store🌟 ...
Gallery | OpenBuilds C-Beam™ Machine Build | Hackaday.io
The OpenBuilds Lead Machine takes us back to the roots of the ...
OpenBuilds Control - OpenBuilds Part Store | Open source hardware ...
1 | OpenBuilds
OpenBuilds CNC 업그레이드 #1 : 네이버 블로그
OpenBuilds Archives - MechBlock
OpenBuilds C-Beam Machine OpenBuilds Part Store, 49% OFF
Build List | OpenBuilds
OpenBuilds Interface: Upload GCODE over Wifi - YouTube
complication de programmation (OpenBuilds CAM Gcode, OpenBuilds ...
DIY low-cost 3-axis CNC router prototype – Part 4: GRBL continued, G ...
Enable self-documentation of 'unknown' $codes · Issue #256 · OpenBuilds ...
gcode · GitHub Topics · GitHub
PDF Plans to G-code
GitHub - s7711/image2cnc: Python program to generate g-code for ...
Arduino CNC Foam Cutting Machine - How To Mechatronics
docs:software:preview-gcode.png [OpenBuilds Documentation]
gcode parameter window size · Issue #13 · OpenBuilds/OpenBuilds-CAM ...
G-code in CNC Programming: What is it? Types, Uses, and List - BOYI
Guide to CAD for CNC: What is G-code?
Machine Bundles – MakerTechStore
GitHub - michaelfranzl/gcode-machine: A simple CNC state machine ...
Build 3d Models With Gcode
An Intro to G-code and How to Generate It Using Inkscape – Norwegian ...
Show machine coordinates · Issue #170 · OpenBuilds/OpenBuilds-CONTROL ...
Display issues · Issue #103 · OpenBuilds/OpenBuilds-CONTROL · GitHub
G-Code Optimization for High-Speed Machining: Look-Ahead, Jerk Control ...
What is G-Code Programming? - Fusion Blog
(ALARM:2) Soft limit alarm. G-code motion target exceeds machine travel ...
The 5 Best G-Code Simulators for Machining and 3D Printing
Self-Made Embroidery Machine (Running on G-Code) - Ink/Stitch
Previewing G-Code using OpenSCAD - Unsupported - Carbide 3D Community Site
S91460b420d7b4aca9fd1369f7d291bfee.jpg
Resume from last gcode line (and ability to start earlier) · Issue #96 ...
Sdf30b9fc6d414aa0a7c1be6f1efaef637.jpg
OpenBuilds® C-Beam™ Machine Build
G-code preview using OpenPythonSCAD - CAD & CAM Tool Chain - Maker Forums
missing Gcode · Issue #10 · OpenBuilds/OpenBuilds-CAM · GitHub
GDevelop: Free, Fast, Easy Game Engine - No-code, Lightweight, Super ...
animation-c-beam-machine-xlarge-version-resize.gif | 3d printing ...