Showing 116 of 116on this page. Filters & sort apply to loaded results; URL updates for sharing.116 of 116 on this page
FIB schematic
Introduction to the Focused Ion Beam (FIB) Principle
Introduction to Focused Ion Beam (FIB) - YouTube
SOLUTION: Focused ion beam fib full presentation - Studypool
focused ion beam system, FIB system | Glossary | JEOL Ltd.
Introduction to the Focused Ion Beam (FIB) Principle - Ledblogs-LED ...
a) Schematic of the FIB device. The ion beam passes through the lenses ...
Figure 1 from Using a Focused Ion Beam ( FIB ) Instrument to ...
FIB (Focus Ion Beam) - Serma Microtech
FIB (Focused Ion Beam) - Semi-Conductor Analysis Company Singapore ...
FIB MEETS THE RUSSIAN FIB MEMBER ASSOCIATION - WORLDBANDY.COM
What the introduction of bispecific antibodies has meant for the ...
Introduction to Immunotherapies Used in NSCLC | Managed Healthcare ...
Introduction of published papers | UNISOKU Co., Ltd.
PPT - The Usage of Focused Ion Beam(FIB) and Other Diagnostic Equipment ...
PPT - Focused ion beam (FIB) PowerPoint Presentation, free download ...
Focused Ion Beam (FIB) | Application | Matsusada Precision
What is Focused Ion Beam (FIB)?
Focused Ion Beams (FIB) — Novel Methodologies and Recent Applications ...
FIB(Focused Ion Beam) 소개 : 네이버 블로그
focused ion beam (FIB) and its applications
(PDF) Focused Ion Beam (FIB) Technology for Micro- and Nanoscale ...
Figure 4 from Examples of Focused Ion Beam (FIB) Milling for Analysing ...
Figure 7 from Focused Ion Beams (FIB) — Novel Methodologies and Recent ...
Focused Ion Beam (FIB) for precise, detailed analysis
Focused Ion Beam (FIB) Analysis Service | MtoZ Biolabs
Dual beam [focused ion beam & electron beam] System (FIB) – Nano ...
(a) Schematic of conventional focused-ion beam (FIB) patterning ...
(a) Focused ion beam (FIB) isometric cross section of the devices. The ...
(Color online) (a) The schematic for the focused ion beam (FIB) process ...
Focused ion beam (FIB)-based preparation routine and improvements in ...
( a ) Schematics of the working principle of a focused ion beam (FIB ...
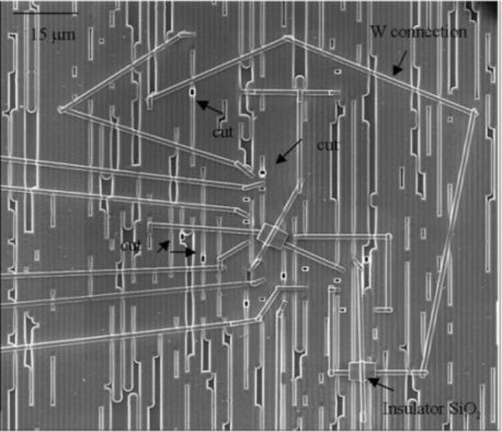
Focused ion beam (FIB) circuit Edit | EAG Laboratories
Focused Ion Beam | Materials Research Institute
Roadmap for focused ion beam technologies | Ferdinand-Braun-Institut
FIB: Preparation and analysis of nanostructures with the Focused Ion ...
of experimental set-up, combining Focused Ion Beam (FIB)... | Download ...
Focused ion beam (FIB) cross-section photographs showing the firstorder ...
[PDF] Implementation of focused ion beam (FIB) system in ...
Facilities and Instrumentation
Figure 8 from Focused Ion Beams (FIB) — Novel Methodologies and Recent ...
什么是FIB(Focused Ion Beam)? 从FIB原理、用途、优势和挑战介绍 - 知乎
Focused ion beam (FIB) imaging for the in situ growth and rotational ...
New Focused Ion Beam System for Device Characterization and Rapid ...
Cross-section sample preparation using focused ion beam system (FIB ...
New cutting edge sample preparation tech to IFM - Linköping University
Focused ion beam (FIB) deposited and scan area | Download Scientific ...
5.2 Focused Ion Beam (FIB) picture of a realized isolation between an ...
Focused ion beam technology: a single tool for a wide range of ...
13:Focused Ion Beam Machining:Theory System,FIB Deposition,Parametric ...
26 Facts About Focused Ion Beam (FIB) System - Facts.net
Focused Ion Beam: Principles and Future Trends
Roadmap for focused ion beam technologies | Applied Physics Reviews ...
Frontiers | Development and validation of a machine learning–based ...
Frontiers | The application and mechanism of Chinese medicine in the ...
McMaster University - PRL - Focused Ion Beam (FIB)
FINALLY!!! PROOF PFIZER LIED!!!! HALLELUJAH IT'S A MIRACLE ...
How Do Doctors Detect AFib? - Advance Study
FIB(Focus Ion Beam) - YouTube
User Manual Kinetik TMB-1775-A - 15 pages | manualsFile
Ford F-150 Lightning EV Review
Buy Apismart 5 mg Tablet Online: View Uses, Side Effects, Price ...
Patient perspectives on same-day discharge following catheter ablation ...
NOAC Antidotes
Aion 2 Guide: Exploring the New Abyss Map – Chaotic Middle Reshanta
Polycut-Legacy fully automated microtome-Nanjing Tansi Technology Co., Ltd.
"#bobgnarly" - Results on X | Live Posts & Updates
Quantitative Imaging in Cardiac Electrophysiology | Springer Nature Link
Une maladie de Basedow bien compliquée… - EM consulte