Showing 120 of 120on this page. Filters & sort apply to loaded results; URL updates for sharing.120 of 120 on this page
SIEMENS PID BLOCK | SFB41 FB41 | PID COTROLLER | CONT_C | CLOSE LOOP ...
Siemens S7 PID Control with FB41 – Beginner to Expert in One Video ...
PID FB41 SIEMENS - YouTube
Simatic Step7 - FB41 Cont_C - применение пид регулятора - YouTube
PID Control || FCV || FB41 || CONT_C || STEP 7 || CLOSED LOOP CONTROL ...
FB41 SAP Tcode: Post Tax Payable
FB41 Tax Payable PDF | PDF
FB41 SAP tcode for - Post Tax Payable
Ives - FB41 Automatic Flush Bolt for Wood Doors – US Lock Supply
Yahoo!オークション - 日立 HITACHI 電気かんな FB41 現状品 KJ11.019 ...
Demostración Control PID Continuo FB41 en Step 7 - YouTube
Yahoo!オークション - FB41 日立 電気かんな 電動工具 日立工機 HITACH...
Yahoo!オークション - 日立 HITACHI ヒタチ 軽快かんな FB41 カンナ ...
PID Control Block FB41 Explained | Siemens SIMATIC Manager PID ...
fb41 怎么不运行-技成培训网
S4 HANA手工记账Tax Payable – FB41
PID Control using FB41 for Siemens S7-300 PLC | Automation & Control ...
Kệ Sách Gỗ Phòng Khách Thanh Ngang FB41 FIVO, Thiết Kế Âm Tường, Tặng ...
Yahoo!オークション - 日立 軽快かんな FB41 中古
14. Lập trình PID với khối FB41 _ PID Controller _ PLC S7-300 - YouTube
FB41 | PDF
Yahoo!オークション - ポルテ NNP10 左右サンバイザー トリム FB41
Kệ Sách Gỗ Âm Tường Decor Phòng Khách Thanh Ngang FB41 FIVO, Tặng Kèm ...
Gallardo FB41 - Extreme Friesian Stables
西门子PID功能块FB41(CONT_C)高级功能 | 学自动化
FB41基本使用 | PDF
Working principle chart of FB41. | Download Scientific Diagram
西门子PID功能块FB41(CONT_C)基本应用 | 学自动化
FB41中的COM_RST该如何使用-技成培训网
FB41基本使用-SIMATIC S7-300/400编程组态-PLC-西门子下载中心常见问题大全
S7-300学习PID控制之前,首先要了解并掌握FB41的功能及用法 - 液压汇
西门子PID功能块FB43(PULSEGEN)基本功能 | 学自动化
Programmable PID control function block (FB41) and its input and output ...
用S7-300PLC进行PID控制——功能块FB41的功能及用法介绍 - 每日头条
西门子S7-300PLC,我们可以使用模块FB41 来实现PID 控制_西门子300pid实例-CSDN博客
功能块FB41的功能及用法 - 西门子plc_电工电气学习网
詳細分析STEP7中SFB41/FB41如何進行數據處理及PID控制(一) - 每日頭條
西门子S7-300中PID(FB41)程序块如何使用?_腾讯视频
CPX-M-FB41 - Automation components (Festo) - Heitek Automation ...
用S7-300PLC進行PID控制——功能塊FB41的功能及用法介紹 - 每日頭條
FB41背景数据块参数设置 及PID简介.docx
Modular Smart Switches in Soft Push Style | Smarteefi
功能块FB41的功能及用法-PLC学习-工控论坛
Alibi ALI-FB41-UZA Vigilant Flex Series 4MP Starlight 164 IR Varifocal ...
Adding custom field in F-02,FBB1,FB41 & FB50L - SAP Community
SGT-3/700-FB41 OMEGA, Strain Gauge, 700 ohm, 3.4 mm, 1.9 mm, Solder ...
fb41输出带调节阀的问题-技成培训网
Step7使用FB41控制薄膜調節閥 - 每日頭條
PID Generic Versus FB41(SIEMENS)
【PLC学习十二】西门子PID功能块(FB41)与PID函数块(PID_compact)的区别与共性_pid compact-CSDN博客
SGT-2/350-FB41 OMEGA, Strain Gauge, 350 ohm, 2 mm | element14 India
【PID專題】SFB41/FB41的控制器輸出值的「標準」處理流程 - 每日頭條
FB41块中的Cycle设定时间和HW_Config中的循环中断时间设定的关系?-技成培训网
PID控制FB41的参数设置-技成培训网
西门子Step-7中FB41 PID模块详细调用与参数设置指南 - CSDN文库
西门子S7-300 PID所使用的程序块:OB35,FB41,FC105,FC106_西门子300+fc105-CSDN博客
如何保存FB41功能块的背景数据块中的P、I、D参数 | 找知识-找PLC
Ives Automatic Flush Bolts FB31-FB41 Data | PDF
S7-300中PID模块FB41中的MAN引脚,SP-IN等的下限范围为什么是-100.0? | 找知识-找PLC
PID指令(FB41)输出为零的5大原因 - PLC论坛_电工电气学习网
FB41参数设置_word文档在线阅读与下载_无忧文档
Non Modular Smart Switch boards in 6M and 8M size in Black Acrylic ...
PID功能块FB41的程序怎么这么难看的懂呢? - 工控人家园
S7300/400 PID控制塊FB41怎麼樣? - 每日頭條
S7300/400 PID控制块FB41怎么样?-PLC-工控课堂 - www.gkket.com
FB41无输出,怎么回事?-技成培训网
Germany / Allied Occupation / Baden 1949 (24 Feb) SG.FB38-FB41 M/M
FB41全参数设置
Yahoo!オークション - ポルテ G NCP141 レザー ステアリング トヨタ ...
Alibi ALI-FB41-UA Vigilant Flex Series 4MP Starlight IP Mini Bullet Ca ...
GitHub - tomaszkudla/SiemensPID: PID controller from Siemens Step 7 ...
关于fb41背景数据块-技成培训网
调用FB41 无值输出 -技成培训网
SGT-3F/350-FB41 Force Sensor by OMEGA ENGINEERING
Structuring PLC Applications: Rockwell vs. Siemens TIA Portal
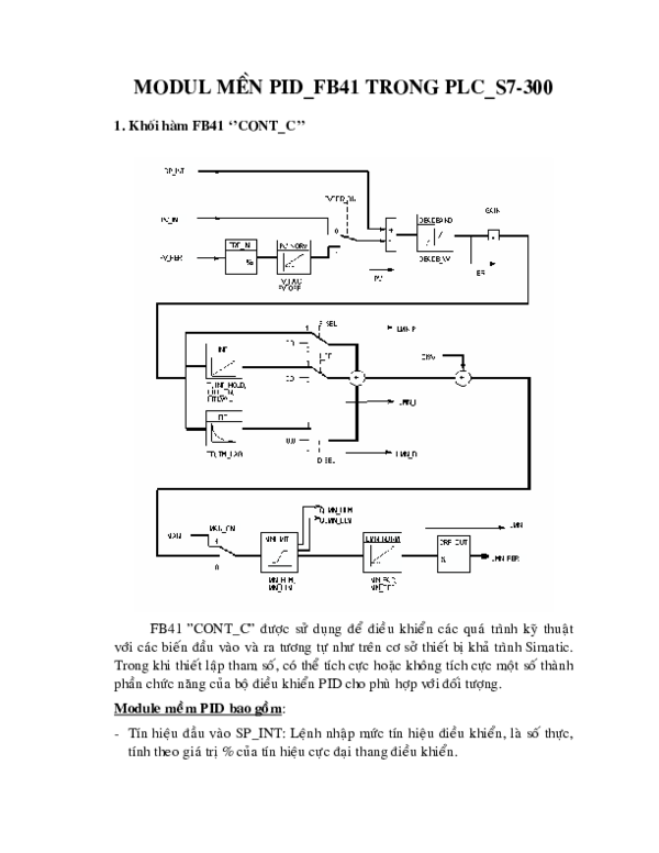
(PDF) Modul mÒn PID_FB41 trong PLC_S7-300
液位PID控制系统的PLC 与HMI仿真联调 - 知乎