Showing 120 of 120on this page. Filters & sort apply to loaded results; URL updates for sharing.120 of 120 on this page
Download 330 Autocad Commands PDF With Example for Enhanced Design ...
AUTOCAD Example | PDF
Autocad commands pdf with example free download - ultraroute
Example Autocad Table | PDF
Creating 3D Pdf From Autocad : How to create a 3D PDF from an Autocad ...
PDF Enhancements in AutoCAD 2016 | AutoCAD Blog
How to export autocad drawing in pdf i real scale? | GrabCAD Tutorials
Autocad Basic Drawing Exercises Pdf at PaintingValley.com | Explore ...
PDF to AutoCAD (DWG and DXF) Explained: Step-by-step Guide
Quick Start - PDFin For PDF Import And Edit In AutoCAD
Autocad Examples PDF | PDF
Tutorial autocad | PDF
Autocad Basic Drawing Exercises Pdf at GetDrawings | Free download
PDF Setup > PDF Publishers > AutoCAD | Docs
Drawing Mechanical Autocad Drawings Engineering Exercises Pdf 3d ...
AutoCAD Print Setup ( sheets, scale, export to PDF ) Tutorial - YouTube
Create AutoCAD File to PDF with Layer - YouTube
AutoCAD Basic Tutorial with Sample Drawings | PDF
AutoCAD Examples: PDF
Import a PDF into AutoCAD | Step by Step Tutorial
Creating PDF Files in AutoCAD 2010 – Out of the Box | CADDManager Blog
Autocad Tutorial - pdf
Intro to AutoCAD | PDF
Autocad 2d drawing pdf file - countwes
AutoCad Notes | PDF
AutoCAD | PDF Import and DWG Data | Guidance
Autocad Workbook 2D PDF | PDF
How to create smallest PDF file in AutoCAD produtcs
Adding PDF to AutoCAD as DWG file with correct scale - YouTube
Autocad House Design Tutorial Pdf Residential House Dwg Section For ...
Autocad For Beginners | PDF
Insert Pdf File In AutoCAD as Drawing File - Part 1 of 2 | CAD CAREER ...
How To Make Autocad Drawing To Pdf - 2024 - 2025 Calendar Printable ...
Convert CAD to PDF Easily With These Amazing AutoCAD to PDF Converters
AutoCAD tutorial for beginners pdf Free Download
Autocad 2007 Workbook Tutorial | PDF
Unlock the Power of PDF to AutoCAD Conversion: Transform Your Design ...
AutoCAD PDF Attach and Import - A How To Guide - YouTube
How to Convert PDF to AutoCAD (DWG/DXF) | A Guide | TrueCADD
AutoCad Tutorial: How to Create a PDF - YouTube
Pdf Autocad Projects :: Photos, videos, logos, illustrations and ...
2d Autocad Drawings Drawing Practice Cad Learn Mechanical Bacis Pdf ...
Autocad Practice 150 Examples | PDF | Art
AutoCAD User Guide and Tutorial PDF | PDF
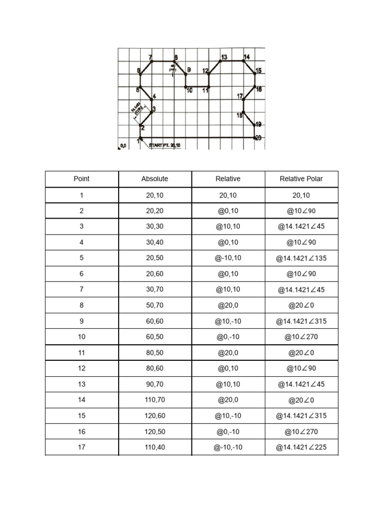
AutoCAD Beginners | PDF | Cartesian Coordinate System | Auto Cad
export - AutoCad - one layout to multiple pages PDF - Stack Overflow
How to Create a 3D PDF from AutoCAD | Spatial
Electrical Design Autocad Electrical Design Tutorial Pdf
Cara Mengubah Autocad Ke Pdf Dengan Cepat Ilmu Drafter
Autocad | PDF
AutoCAD tutorials PDF | Tutorial AutoCAD
AutoCAD Basics | PDF
AutoCAD practice drawings with PDF eBook | Autocad, Autocad tutorial ...
What’s New in AutoCAD 2018? PDF Enhancements | AutoCAD Blog | Autodesk
Autocad Drawing Sample 7 | PDF
Creating PDF from AutoCAD DWG Tutorial
Mechanical PDF Practice Drawing Sheets for AutoCAD, CATIA, NX ...
How to export your file to PDF in AutoCAD? | GrabCAD Tutorials
Autocad examples – Artofit
Convert PDFs with technical drawings to CAD / AutoCad / DXF
Autocad 2d Drawing Samples AutoCAD 2D Drawings, Convert PDF, Sketch Or
AutoCAD: options when working with attached PDF files
Mechanical Drawing Board And Cad Techniques Pdf at Anthony Santiago blog
AutoCAD Exercises (free eBook) - Tutorial45
Autocad Practice Drawings LEARN CAD | AutoCAD 3D Practice Exercise 79
5 Free Tools to Convert PDF to DWG File in 2026 | UPDF
Autocad Mechanical Drawing Samples at GetDrawings | Free download
CAD Work Examples | PDF
1: Chapter 1. Introduction of AutoCAD - Workforce LibreTexts
Autocad Template Package
cad drawings for practice pdf - Woodworking Challenge
Templates Autocad ISO A3 CAD Sheet Package | The Solo Architect
Autocad 2010 Examples – Autocad 2010 Sample File – BLKXFS
AutoCAD 3D Practice Exercise 52 | Mechanical Exercise 52 | Autocad 3D ...
Basic knowledge AUTOCAD 📕-1.pdf
cad drawings pdf - Woodworking Challenge
Civil Autocad Drawings Bridge Layout Plan, Elevation And Cross Section
Autocad Mechanical Drawings Free Download
Convert PDF to AutoCAD: Hướng Dẫn Chi Tiết Chuyển Đổi Nhanh Chóng và ...
autocad 3d practice work examples class-1 - YouTube
Structural Details dwg AutoCAD Drawing Download
Modern House Plan AutoCAD File Free Download
Engineering Graphics Essentials with AutoCAD 2026 Instruction, Book ...
AutoCAD Examples - William Thomas Portfolio
Cad Drawing Examples - Design Talk
gseprime - Blog