Showing 119 of 119on this page. Filters & sort apply to loaded results; URL updates for sharing.119 of 119 on this page
arduino - ESP-WROOM32E + ES8388 codec hook up problem - Electrical ...
GitHub - vanbwodonk/es8388arduino: Arduino library for ES8388 audio ...
ESP32 ES8388 Audio Codec Interfacing - PCB Artists
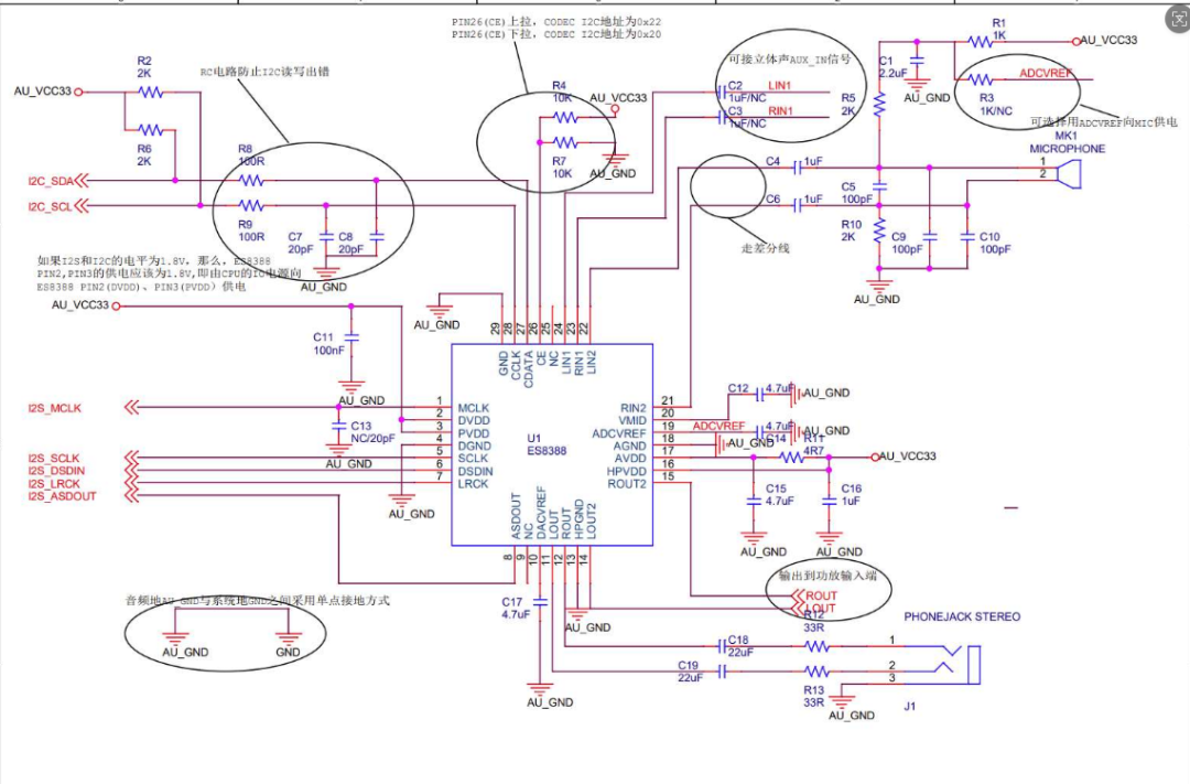
ES8388 - 立创EDA开源硬件平台
Audio module with ES8388 codec - STM32G030 - for M5Core development ...
ES8388 音频编解码芯片验证板设计 - impressionyang的个人博客
Connecting ES8388 with ESP32-C3 for Audio Applications
M5Stack Audio Module STM32G030 + ES8388 - buy at Digitec
ES8388 codec bring up question on orin nano r36.3 - Jetson Orin Nano ...
ES8311 and ES8388 codec IC
ES8388 Audio Codec Module Datasheet - Ovaga Technologies
ES8388 Audio Codec Module - PCB Artists
ES8388 —— 带耳机放大器的低功耗立体声音频编解码器(2)_es8388原理图-CSDN博客
Es8388 Datasheet: Specifications, Features, and Applications
ESP32 S3 and ES8388 · pschatzmann arduino-audio-driver · Discussion #2 ...
ESP32 Bluetooth Audio Player with ES8388 Module - PCB Artists
ES8388 produces noise only at certain volume levels · Issue #1719 ...
1Pcs Esp32-audio-kit WiFi+ BT module ESP32 serial port Anco ES8388 ...
ESP32 Audio Processing with PCB Artists ES8388 - YouTube
es8388 驱动详解-CSDN博客
ESP32-S in Arduino Form Factor - Maker and IOT Ideas
M5Stack Audio Module STM32G030 + ES8388 - Bastelgarage Elektronik ...
GitHub - simmunity/arduino-audiokit-esp32: Arduino ADF/Audiokit HAL ...
ES8388 CODEC DE AUDIO DIGITAL ESTEREO AMPLIFICADOR ESP32
Configuration Issues with ES8388 Audio Chip on Nvidia Jetson Orin Nano ...
全新原装 ES8388 8388 音频解码芯片 编解码IC 集成 贴片QFN28-阿里巴巴
Compatibility with Espressif ESP32-LyraT dev board / ES8388 codec ...
ES8388 EVEREST Other Components - Veswin Electronics
Esp32-audio-kit with ES8388 - Development Board for Audio
ESP32S2+ES8388移植过程及问题_es8388参考电路-CSDN博客
S4799106e89cb40139f5a42e5eb3080ec1.jpg
ES8388: ESP-ADF Audio Codec Module for ESP32 - PCB Artists
ES8388,WM8988的替代品CJC8988音频编解码器 - OFweek电子工程网
Radio and Electronic Homebrow Experiment : Stand alone SDR SSB Radio HF ...
【完全开源】小安派-Audio 外置音频开发板_es8388对讲-CSDN博客
RV1106+es8388音频采集和播放调试 - 技术栈
rk3568 es8388声卡调试-CSDN博客
RK3588V2--ES8388声卡适配记录_rk3588 es8388-CSDN博客
ESP32 Audio Kit AC101 codec failure - Get synthesizer projects working ...
从ESP32看ES8388低功耗音频芯片_es8388 芯片手册-CSDN博客
es8388音频芯片驱动之二:特征与功能介绍-电子工程专辑
ES8388: ES8388是低功耗,立体声音频CODEC - Pawpaw Technology | Professional Audio ...
ES8388S CODEC DE AUDIO DIGITAL ESTEREO ESP32
Codec initialization fails · Issue #26 · Ai-Thinker-Open/ESP32-A1S ...
ES8388音频CodeC芯片用户手册资源-CSDN下载
RK android14 调试ES8388音频编解码器_es8388 调试-CSDN博客
Radio and Electronic Homebrow Experiment
M5Stack Audio Module (ES8388) | m5stack-store
OSH Park
es8388配置成单声道 pam8403 单声道_mob64ca1418e88d的技术博客_51CTO博客
Audio circuits / Integrated Circuits | Micros
es8388音频芯片驱动之三:ADC链路介绍-电子工程专辑
RK 平台顺芯系列声卡(ES8388/ES8323)调试指南:从硬件到驱动,避坑全攻略 - 知乎
Sb37199f07d514ddb858f7c638b3d534a7.jpg
Codec upgrade advice needed | Teensy Forum
MCU(RK3588J)关于音频芯片ES8388与四段式耳机PJ393-8P调试_es8388耳机检测-CSDN博客
GitHub - MarcelHbg/micropython-es8388-driver: Micropython ...
ES8388: ES8388是低功耗,立体声音频CODEC - 木瓜科技 | 专业音频方案
ES8388单端输入_laojean的技术博客_51CTO博客
es8388怎么单声道输出_mob6454cc6c6291的技术博客_51CTO博客
ESPHome: esphome::es8388::ADCInputMicSelect Class Reference
RK3288_Android7.1:调试es8388(es8323)_es8388原理图-CSDN博客
Notes on Using LVGL with ESP32