Showing 120 of 120on this page. Filters & sort apply to loaded results; URL updates for sharing.120 of 120 on this page
Smart Home Controller using DWIN HMI LCD Display & ESP32 (Display ...
Arduino Bluetooth Lcd Display Controller
Designing a custom LCD display controller - Embedded.com
What Is The Function Of Video Display Controller at Chloe Snider blog
LED Display Controller & Processor Hardware Explained
A simple display controller | Download Scientific Diagram
Display Controller - automated display control via IP, RS-232, IR, or ...
DC8200 Display Controller
LED display controller system - Tepixel
LED Display Controller Interfaces Guide: Types, Uses, and Tips
Dual Display Controller logic | Download Scientific Diagram
LCD Configuration and Programming Liquid Crystal Display LCD
GitHub - projf/display_controller: FPGA display controller with support ...
X8 LED display controller card software using tutorial - YouTube
Display Controller - Setup Video - YouTube
Enhance Your Display with 4K 3x3 Video Wall Controller - Transform a ...
Display Controller - TES Electronic Solutions
Figure 6 from Design of Image Display Controller Component for VGA ...
Video display controller - Wikipedia
DC24V Programmable PLC Controller With 5 Inch HMI Display Monitor QM3G ...
Huidu Dual-mode A Series LED Display Controller HD-A8 A7 A6L A5L A4L ...
Plc Controller Programming
Display Processor & Video Controller - YouTube
8279 Programmable Keyboard / Display Controller Block Diagram ...
LCD Display & controller with IDE suggestions : r/embedded
Design of multi-function LCD display controller based on FPGA - FPGA ...
LCD graphical display controller and control method - Eureka | Patsnap
Display Controller Series for Small to Medium-Sized TFT LCD
Controller programming | ebike-solutions.com
Products Displays Services Customized Display Controller — BECK ...
11-03 Embedded Systems Programming - LCD Controller - YouTube
LED Display Controller — Buy/Order Digital USB/Ethernet Programmable ...
LED Display controller - Control_Circuit - Circuit Diagram - SeekIC.com
How to Interface LCD Display to a Microcontroller - Microsystems
8279 Programmable Keyboard/Display Controller
LED Display Programming: A Detailed Guide - HOLA LED
Lcd interfaing using 8051 and assambly language programming | PPTX
How To Control Lcd Display at Teresa Corcoran blog
Control LCD Display Using Arduino | Arduino LCD Tutorial. - YouTube
Controller Programming: LCD Program in Bascom Basics
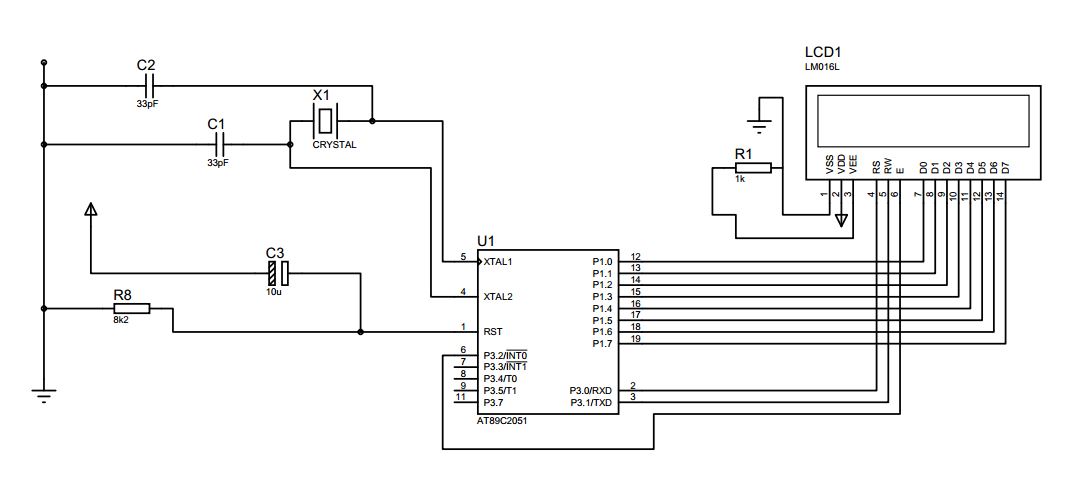
Interfacing LCD display controller.
LED display controller: Core of LED display - ddwdisplay
Display Controller, Video Signal Transmitting Method and System ...
Embedded Display Control Applications Using FPGAs
The LCD Interfacing and Programming | IntechOpen
PLC Programming Fundamentals of PLC or DCS Control System – Agein ...
Display Controllers & Processors Verilog IP – Digital Blocks
LCD Controller - Circuit-Zone.com
The Ultimate Guide to LED Display Controllers: Understanding Boards ...
Display control apparatus, display control method and display control ...
LCD Display Controller-Digital Systems Design-Lecture 07 Slides ...
HP Display Control, Program to Configure and Calibrate the PC Screen
Display Control.html at Shannon London blog
TFT-LCD Display Controllers - Epson
Understand Embedded Graphics | Topway Display
Graphical Programming Kit for Learn Coding with Arduino IDE16 – Using ...
Mastering Inter-Integrated Circuit (I2C) LCD Display Control with ...
PPT - CPE 323 Introduction to Embedded Computer Systems: DMA Controller ...
Display control device and display control method - Eureka | Patsnap
Interface LCD with microcontroller, write embedded C program to display ...
How to Program LED Display Boards Like a Pro: A Complete Tutorial
KEYBOARD/DISPLAY CONTROLLER INTEL 8279.pptx
How To Program An Lcd Display with Arduino? - Kelai
embedded - What are LCD Display Drivers & LCD Display Controllers? What ...
A Remote Wireless Connected Colour Nextion Display | Arduino Project Hub
LED Display Screen Controller,Video Processor,LED Accessories & Parts ...
Onboard display device, control method for onboard display device, and ...
Display apparatus, display control program, and display control method ...
How To Use LCD Display with Microcontroller? - Kelai
Display control circuit and display control method - Eureka | Patsnap
Display control device, display control method, and display control ...
LCD Controller Boards: Everything You Need to Know
Getting Started With Stone HMI TFT LCD Display - IoT Projects Ideas
Programmable DC Motor Controller with an LCD
Keyboard/Display Controller 8279(हिन्दी ) - YouTube
Display control device, display control method, and program - Eureka ...
How To Program A Lcd Display In C - celestialxx
Led Display Panel Software
Display control device, display control method and program - Eureka ...
Led Display Control Software at Richard Harvey blog
customized LED display
Display equipment, display method, and recording medium for recording ...
Block diagram of LED display control system based on ARM and FPGA ...
Display & Control redesign on Behance
LCD Controllers - OSIYA Group - India's No.1 Digital Display Solutions
Character Display Control
Display control device, method for operating display control device ...
Digital Display and control Faders on Professional Lighting Designers ...
GitHub - tharunsuresh/display-controller: Embedded project: controlling ...
Lab 20: Interfacing a KS0108 based Graphics LCD (Part 1) | Embedded Lab
DP703 Block Diagram 20131017
ORION Programmable Display/Controller - Contemporary Controls (EMEA)
PPT - LCD products Basics PowerPoint Presentation, free download - ID ...
LED Screen Control Software
LCD-DisplayController | Hackaday.io
Laser_Display
LCD Drive Tutarial: Principle, Registers, Program Code - OLED/LCD Supplier
GitHub - upiir/arduino_oled_menu: Simple menu using Arduino UNO ...
LCD-DisplayController - Hackster.io
NovaStar LED Driver IC Solution Ultimate Guide
Understanding Programmable Logic Controllers – peerdh.com
How To Build Programmable Lcd Display? - Kelai
Stunning GUI microcontroller displays - YouTube