Showing 120 of 120on this page. Filters & sort apply to loaded results; URL updates for sharing.120 of 120 on this page
Geometrical parameters for the fillet foundation deflection [3 ...
Geometrical parameters for fillet foundation deflection [1]. | Download ...
Deflection trochoidal fillet result: deflection = 0.033851 mm ...
Load vs mid span deflection for beam of different fillet radius ...
Bridge Overhang Fillet Calculations | Hildebranski.com
Geometrical parameters for the fillet-foundation deflection [28 ...
Geometrical parameters for the fillet-foundation deflection [3,4 ...
A teaching-free welding position guidance method for fillet weld based ...
Geometrical parameters for fillet foundation deflection. | Download ...
Geometric parameters of fillet foundation deflection. | Download ...
Drywall Deflection Limits at Samantha Atherton blog
a) points used to control the fillet shape and their displacement; b ...
Geometrical parameters for the filletfoundation deflection [9 ...
Deflection - Excel Sheets
What Is A Fillet Weld? [All You Need To Know] - Structural Basics
Beam Deflection Formula Beam Columns | Engineering Library
Calculating the Stress and Deflection for a Cantilever Beam - The ...
Partition Deflection Head at Nathan Dwyer blog
beam deflection formula – elastic beam deflection formula – OAJX
A three-dimensional model of needle deflection under a constant normal ...
Metal Stud Deflection Track at Joann Lucretia blog
What Is Beam Deflection at JENENGE blog
Solved Determine the maximum deflection and stress values | Chegg.com
Formula To Calculate Deflection Of Simply Supported Beam - The Best ...
Cantilever Beam Deflection Distributed Load
Deflection Head Details - KOROK Fire and Acoustic Wall Systems
Allowable Steel Beam Deflection Limits - Infoupdate.org
What Is A Deflection Joint at Anthony Monroy blog
Fillet Machining: Key Functions & Design Consideration
Dimensions (in mm) of chosen large deflection flexures (a) Corner ...
Fillet deformation as the inner pressure increases: (a) fillet ...
Cantilever Beam Deflection Formula Pdf - Design Talk
Floor Plate Deflection Calculator | Viewfloor.co
Modelling of crack propagation and crack deflection in the developed ...
Effects of Blade Fillet Structures on Flow Field and Surface Heat ...
Fillet Vs Chamfer: Things You Need To Know - Premium Parts
Simple Beam Deflection Formulas - Infoupdate.org
Figure 1 from Impact of underfill fillet geometry on interfacial ...
Plates - Deflection and Stress (MITCalc-19) - YouTube
Geometry used in the model for fillet formation. a) Fillet geometry as ...
Deflection in Simple Beams – Basic Concepts of Structural Design for ...
The Ultimate Guide to Fillet Machining: Everything You Need to Know ...
What Is Deflection In Engineering at Windy Lawson blog
13 Beam Deflection Formulas
What is Beam Deflection (Deflection Definition) ? - Civil Engineering
Steel I Beam Deflection Chart at Margaret Carlin blog
Quality assurance with Knauf Deflection Head Fire Seal | Specification ...
Directional Method for Dimensioning Fillet Weld | Eurocode 1993-1-8 ...
"a… The plane strain FE model of a half single fillet subjected to a ...
Beam Deflection Formula's - Example solved - YouTube
Deflection on flat filament after heating. | Download Scientific Diagram
Creating a fillet surface
Figure 1 from Research on the Influence of Turbine Blade Fillet ...
3D fillet model under tension | Download Scientific Diagram
Deflection Heads Explained: A Key Element in Building Stability ...
Essex Apartments: UL Rated Deflection Assembly | Trim-Tex
Test specimen #2 – direction of the fillet weld is perpendicular to the ...
Surface Fillet
Illustration of the influence of micro-end-mill deflection on the chip ...
Fusion Weld Vs Fillet Weld at Jessica Zelman blog
Long-Term Deflection Analysis of Large-Span Continuous Prestressed ...
Fillet profile generated by different tip radius | Download Scientific ...
What Is Deflection Formula - Infoupdate.org
Deflections in simply supported beams – beam deflection diagram | XAKY
(a) Micro-fillet 3D image, (b) multilinear roughness measurement and ...
Everything You Need to Know About DogBone Fillets | Bricsys Blog
How To Mere Floor Deflections Work - Infoupdate.org
Geometrical parameters for the fillet-foundation deflection. | Download ...
Root_Fillet_Deflection | PDF | Finite Element Method | Gear
Answered: Question 4 = A 6 KN force is applied at… | bartleby
Chamfer vs Fillet: Understanding Their Differences And How to Use
Optimisation of Planning Parameters for Machining Blade Electrode Micro ...
Enlarged section of axially loaded single lap joints with fillets and ...
Technical Guide: DFM for CNC Machining | Precision CNC Machining
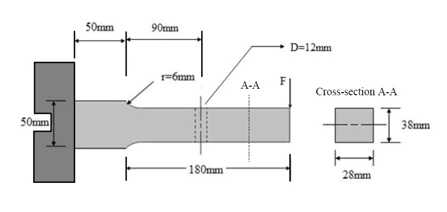
50mm 50mm 90mm D=12mm r=6mm A-A F Cross-section A-A 38mm 180mm 28mm
(PDF) Cutting force prediction considering force-deflection coupling in ...
Why does the parameter 'W' in the function of the fillet-foundation ...
Beam Stress and Strain: A Lesson in Statics
The impact of variable fillets on corner separation in a liner ...
PGSplice: Deflections
Cutting force prediction considering force–deflection coupling in five ...
MasterSeries - Structural Engineering Software on LinkedIn: How to ...
Figure C-4: Cantilever beam model for the pyramid adaptor mount and ...
Hydraulic Characteristics of Lateral Deflectors with Different ...
-Unit cells incorporating 0.3 mm fillets at points where struts join ...
Solved using your answers from problem 2, what is the | Chegg.com
5. Deflections
PPT - Mechanical Design and Failure Analysis of Micro-Mechanical Fish ...