Showing 120 of 120on this page. Filters & sort apply to loaded results; URL updates for sharing.120 of 120 on this page
How to Use Decoder on Node Red : IoT Support
Free Node Decoder Figma Plugin | Figma Elements
Node Decoder | Figma
GitHub - dragino/dragino-end-node-decoder: decoder for dragino end node
This slide helps you learn Node JS String Decoder Module | Neeraj K.
4: The efficient HMM decoder node design. | Download Scientific Diagram
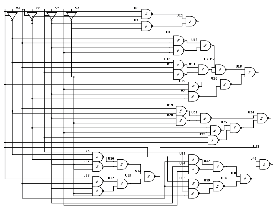
State node transition diagram of the (2,1,8)convolutional code decoder ...
Conceptual scenario for a degree 4 constraint node decoder | Download ...
4 To 16 Decoder Using 3 To 8 Decoder
Binary Decoder used to Decode a Binary Codes
PPT - Decoder Design and Applications PowerPoint Presentation, free ...
NQD Nodestream Decoder User Guide
Base64 Decode Node | Losant Documentation
JSON Decode Node | Losant Documentation
JWT: Decode Node | Losant Documentation
Encoding and Decoding Using Node JS - YouTube
Node j Decoder, with memory and side information. | Download Scientific ...
Decoder Networks
Structure of our decoder which can decode nine codes simultaneously ...
Encoder and Decoder | THE INSTRUMENT GURU
The setup for example 1. Actions can be performed by the decoder ...
Custom Decoder | CompuTec Learn
Decoder structure. The nodes' outputs from time t−1 are supplied as ...
Decoder - Block and Logic diagram, Logic symbol, Function table
[n8n] Processing User-Uploaded CSV Files: The Code Node Solution ...
How To Use A Decoder at Holly Mellott blog
DLD Lecture No 22 Decoder Circuit and Types of Decoder.pptx
Decoder architecture for a regular ( r = 3 , c = 5) -LDPC code. It is ...
String decoder ⚡️ Node.js с примерами кода
Decoder architecture. | Download Scientific Diagram
Complete implementation of the proposed decoder configuration example ...
Formating the Decoder Definition
3) Introduction to Decoder - YouTube
Example decoder architecture. | Download Scientific Diagram
A Sequence Repetition Node-Based Successive Cancellation List Decoder ...
Schematic Diagram Of Decoder
Configure Common Settings on a Decoder
General steps included in decoder construction. In order to conduct ...
decoder
Decoder tree for the altered polar code with the added nodes ...
Decoder and Log Decoder Quick Setup
A node parallel decoding scheme in the layered BP decoder. | Download ...
Decoders - kdb products
GitHub - nodejs/string_decoder: 'string_decoder' module from Node.js core
How To Visualize Your Data at the Edge With Losant and InfluxDB ...
PPT - Documentation Standards PowerPoint Presentation, free download ...
Decoders.pptx
PPT - Decoders PowerPoint Presentation, free download - ID:6012577
PPT - Decoders and Encoders PowerPoint Presentation, free download - ID ...
Overview | Decoders
Attention-based encoder-decoder architecture. The encoder-decoder ...
PPT - Tutorial: ITI1100 PowerPoint Presentation, free download - ID:3419878
Priority Encoders, Encoders and Decoders - Simple explanation & designing
NMRA MER 2016 Tracks to the Triangle LCC (Layout Command & Control ...
Digital Electronics - Decoders-Encoders - EXAMRADAR
Настройка проекта Node.js для GitHub Codespaces - Документация по GitHub
GitHub - deepin-community/node-string-decoder
How to install and Configure the Node.js Project - SS Blog
What is a Decoder? - Utmel
Decoders - Combinational Logic - Digital Principles and Computer ...
Lecture 7 COMBINATIONAL CIRCUITS 1 DECODERS 2 ENCODERS
node-red-contrib-multipart-stream-decoder (node) - Node-RED
Proposed architecture of decoder. | Download Scientific Diagram
Global objects in Node.js - TechVidvan
PPT - Decoders PowerPoint Presentation, free download - ID:5945729
What is a decoder? Operation, types and applications
PPT - Decoders PowerPoint Presentation, free download - ID:6134174
NodeREDGuidUKR/README.md at master · pupenasan/NodeREDGuidUKR · GitHub
Node.js Modules: Core, Local and Third Party | CodeForGeek
DecoderPro® Main Window
Node.js with Docker | IntelliJ IDEA Documentation
node.js - Decoding LoRaWAN packets (Join-Accept) - Stack Overflow
Take Advantage of the Dev Container Feature in VS Code | DevTuts
Encoders/Decoders | CircuitVerse
Node-RED Buffer Parser Guide: Decode Modbus and Industrial Device Data ...
Applications of Decoders - GeeksforGeeks
Decoding convolutional codes – Inventing Codes via Machine Learning
02 ldpc bit flipping_decoding_dark knight | PPTX
Structure of the proposed decoder. | Download Scientific Diagram
Managing and Creating Configuration Files in Node.js | CodeForGeek
Lesson 38 - Decoders - YouTube
IAY0340-Digital Systems Modeling and Synthesis
Run/Debug Configuration: Node.js | IntelliJ IDEA Documentation
Decoders Reference Chapter 3 Moris Mano 4 th
9. General Settings » Custom Decoders — Wanguard User Guide documentation
Encoding and decoding Base64 strings in Node.js
PPT - Decoders PowerPoint Presentation, free download - ID:144702
PPT - Decoders and Trees PowerPoint Presentation, free download - ID ...
Figure 10 from A Sequence Repetition Node-Based Successive Cancellation ...