Showing 120 of 120on this page. Filters & sort apply to loaded results; URL updates for sharing.120 of 120 on this page
COGNEX DATAMAN 50 SERIES REFERENCE MANUAL Pdf Download | ManualsLib
COGNEX DATAMAN 360 SERIES REFERENCE MANUAL Pdf Download | ManualsLib
DataMan 300 Series Reference Manual | PDF | License | Screw
DataMan 280 Series Reference Manual | PDF
COGNEX DATAMAN 280 SERIES REFERENCE MANUAL Pdf Download | ManualsLib
COGNEX DATAMAN 260 SERIES REFERENCE MANUAL Pdf Download | ManualsLib
COGNEX DATAMAN 150 SERIES REFERENCE MANUAL Pdf Download | ManualsLib
Cognex DM-280X Reference Manual - 1D/2D Code Reader | Manualzz
COGNEX DATAMAN 80 SERIES REFERENCE MANUAL Pdf Download | ManualsLib
COGNEX DATAMAN 390 SERIES REFERENCE MANUAL Pdf Download | ManualsLib
COGNEX DATAMAN 370 SERIES REFERENCE MANUAL Pdf Download | ManualsLib
DataMan® 300 Series Reference Manual 15m Breakout Cable, 45% OFF
COGNEX DATAMAN 70 SERIES QUICK REFERENCE MANUAL Pdf Download | ManualsLib
Code reader DataMan 360 Series from Cognex for hard-to-read codes
Cognex DataMan 700 series Quick Reference Manual | Manualzz
COGNEX DATAMAN 380 SERIES REFERENCE MANUAL Pdf Download | ManualsLib
COGNEX DATAMAN 280 SERIES QUICK REFERENCE MANUAL Pdf Download | ManualsLib
DataMan 50 Quick Reference Guide - Cognex / dataman-50-quick-reference ...
Dataman Setup Tool: Reference Manual | PDF | Computer File | Backup
Cognex DataMan 8050 Series – Acrovision
Dataman 50: Quick Reference Guide | PDF | Electromagnetic Interference ...
DataMan 8050 Series - PT. Mitra Surya Solusindo
DataMan 70 Series Reader Dimensions
DM100 Data Man 100 Quick Reference | PDF | Usb | Electromagnetic ...
How Can I Manage my Reference Codes? - Numero Knowledge Base
Scan Map for DataMan 503 Series Readers Using a 16 mm Lens Module
DataMan 50/60 Series - Welcome to ZULTEC Group
DataMan 70 series compact barcode readers
DataMan 8050 Series Handheld Barcode Readers
DataMan 380 Reference Manual
DataMan 475V Series inline barcode verifier
Code Details
DataMan 280 series Fixed-Mount Barcode Readers
COGNEX DATAMAN 370 SERIES PROGRAMMING MANUAL Pdf Download | ManualsLib
COGNEX DATAMAN 475 REFERENCE MANUAL Pdf Download | ManualsLib
Cognex Dataman 380 Series Fixed Mount Barcode Readers, Wired (Corded ...
DataMan 8700 Series - Handheld barcode readers - Bcnvision
Dataman 8050: Reference Manual | PDF | Wi Fi | Usb
DataMan 360 Series Tuning
DataMan 300, 360, 370, and 470 Series Readers External Light Control
DataMan Verifier DataMan 100 Quick Reference Guide | Manualzz
DataMan 8072V Series Barcode Verifiers
Code Readers | Compar AG
COGNEX DM50S DATAMAN 50 Series Fixed Mount Reader | eBay
DATAMAN 470 SERIES - Spencer
Cognex DataMan 500 Series - Proprietary Chip Barcode Readers
How to read date code on electronic components.pdf
DataMan 8700 Series Handheld Barcode Readers
Cognex DataMan 50-60 Séries - Lecteurs de codes-barres
Manual de usuario Cognex DataMan 50 (23 páginas)
Cognex DataMan 50 at best price in Pune | ID: 4954348048
DataMan 50 High-Speed 1-D Barcode Reading - YouTube
COGNEX DATAMAN COMMUNICATIONS AND PROGRAMMING MANUAL Pdf Download ...
DataMan 150-260 Datasheet | PDF | Barcode | Optics
Dataman Configuration Codes: 03/08/2018 Revision: 6.1.0.4 | PDF ...
COGNEX DataMan 50 Powerful Upgrade for Small Laser Barcode Scanner ...
Reader - Configuration - Codes For DATAMAN Cognex | PDF | Barcode | License
DataMan 50 Systems
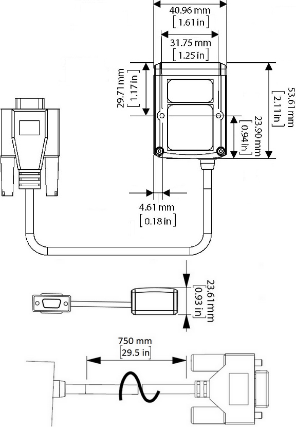
Dimensions
DataMan 50 Service Procedures
Reader Programming Codes
DataMan 50 and 60 Reading Distances and Field of View
cognex dataman setup tool | dataman setup tool マニュアル 日本語 – FBZDK
Reader Configuration Codes | PDF | License | Intellectual Works
Saitech Inc Cognex DMR-50S-00 Dataman 50Series 1D/2D Fixed-Mount ID ...
DataMan 50/60: de nouveaux lecteurs de codes-barres compacts - Lecteur ...
DataMan 360 Datasheet | PDF | Barcode | Computing
DataMan 50 and 60 External Lighting
康耐视读码器Dataman软件设置操作说明和官方手册中文版_康耐视扫码枪调试说明书,dataman软件使用说明书资源-CSDN下载
DataMan 260 Reader Dimensions
DataMan 60 Reader Dimensions
DataMan 50 and 60 External Wiring Examples: Digital Output Lines
Visão geral corporativa | Cognex
Multi-code Reading with DataMan 580 - LogiMat 2023 - YouTube
Cognex Barcode Reader | ORITRONIC - Malaysia Marking and Vision ...
Cognex DataMan Séries - Lecteurs de codes-barres
Cognex DataMan Barcode Readers Want to Help You Accelerate Tracking and ...
DataMan 50 and 60 Discrete I/O Connector
Cognex Dataman Dm374X Barcode Reader 821-10079-1r 830cq-20075-001 ...
AMES DM300 Pocket Digital Multimeter Owner's Manual
DataMan 470 Fixed Mount Barcode Reader - Trade Show Product Demo ...
DataMan 503 Reader Dimensions
Allen-Bradley 5069-IB8S Manuals and User Guides, I/O Systems Manuals ...
DataMan Procedure For Device Backup Codes | Cognex