Showing 120 of 120on this page. Filters & sort apply to loaded results; URL updates for sharing.120 of 120 on this page
DBB system in instrument piping – a cost effective safety solution
Introduction to Double Block and Bleed Valve System
Integral DBB Valve | YDB Double Block & Bleed Valves
DBB Ball Valves Manufacturers, Double Block & Bleed Valve Suppliers
Dual expanding plug valves in DBB and DIB service | Arflu
Double Block and Bleed Valves - Maintenance and handling of DBB Valves
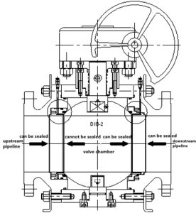
Sampling and injection DBB valve - Imperial Valve (English)
The Advantantage of using a compact DBB Valve in the Oil/Gas industry
How to isolate a process line from process instrument with a DBB valve ...
The Complete Guide to DBB Valves: Types, Benefits, and SBB Comparison ...
Test installation of a DBB piping ball valve at a gas storage facility
Understanding Injection / Sampling DBB Valves
The efficient solution Dialysis System DBB-05 / the-efficient-solution ...
What is DBB Valve The Complete Guide - Dombor
Comprehensive Guide to DBB Valves and DIB Valves | SNBV FLOW
(PDF) Calibration of double ball bar (DBB) system
Double Block and Bleed Valves: Comparing Ball-Type and Needle-Type DBB ...
What are DIB and DBB Ball Valve - Jonloo Valve Company
Experimental setups of double-ball-bar (DBB) system | Download ...
DBB vs. DIB Valves — Is There Really a Difference? - Pioneer Industrial
OmniSeal® Single Valve DBB Solutions
DBB BALL VALVE VS DIB BALL VALVE - Jonloo Valve Company
Double Block & Bleed Valves: Enhancing System Safety with Rubber Seals ...
How DBB valves help meet offshore size and vibration restrictions
Coking.com | » DBB a.k.a. Double Block & Bleed
Modular Double Block & Bleed Dbb Valve-Platinum
1/2 Flanged Stainless Steel Alloy 625 Double Block and Bleed Dbb Valve ...
DBB Valve and DIB Valve - DBB vs DIB | ZECO Valve
Benefits of DBB Flanged Ball Valves in Flow Control Systems
DBB Valves - High Quality & Durable
Integral DBB Valves | INDUSTRIAL VALVES | FloControl Australia
DBB Doble block and bleed ball valves
ABB Deltaplus DBB 23000 09808401 2CMA180840R1000 digital DIN rail ...
DBB vs. DIB Valves: Understanding Double-Block and Double-Isolation
Application fields of Injection / Sampling DBB Valves
Dual Tool - DBB Isolation & Hydro Plug
Subsea GROVE® DBB twin ball valves, Metal seated, in solid Inconel 625 ...
Trunnion Ball Valve DBB Flanged 3 Piece | Oliver Twinsafe
válvula DBB de alta presión, válvula de bola DBB, doble bloque F51 y ...
Everything You Need to Know about DBB Valve - NTGD valve
Features of DBB and DIB Structure Ball Valves
50mm XC DBB Valve | Alco Valves Group
News - Principle and failure analysis of DBB plug valve
DBB Valve High-Pressure Pipeline - Emt Pipe Cleaning Pig
What is difference between DBB and DIB ball valves? | Bosseal
Injection/sampling DBB valve with support collar and significance of ...
Natural gas terminal meets 99% supply availability with DBB valves
How Does a Double Block and Bleed Valve Work?
Introduction to Double Block and Bleed Valve | Jonloo Valve Company
Technical explanation of a Double Block and Bleed Valve
DOUBLE BLOCK AND BLEED VALVE (DBB) - YouTube
Shop The Best Modular Double Block And Bleed Ball Valves At Our Factory
Double Block and Bleed [DBB] Explanation with Diagram – PAKTECHPOINT
Understanding the Differences between Double Block and Bleed (DBB) and ...
What are Isolation Valves? Purpose, Types, and Configurations
What Is A Block And Bleed Valve at Elizabeth Ashworth blog
4 most important mechanical isolation methods of mechanical equipment
How a Double Block and Bleed Valve Works - YouTube
A Tech Authority - Ballbar Systems
Double Block And Bleed Valve (DBB) : A Comprehensive Guides - Piping ...
Double Block & Bleed Ball Valves (DBB) - AIS GROUP
Twin Seal Double Block And Bleed Valves: The Ultimate In Positive Isolation
Delivery Of The Expansion Project For The Central Cooling Circulation ...
Essential Guide to Butterfly Valve and Actuator in Piping Systems
Double Block and Bleed (DBB) Process Interface Valves | Swagelok
What is Double Block and Bleed (DBB) Functionality?
Double Block And Bleed Valve - Indusrtrial Valve Manufacturer
Infographic Archives – Taurus Double Block & Bleed Valve Series
OTC recognizes 2024 Spotlight on New Technology® award winners
What Are the Key Installation Guidelines for Double Block and Bleed ...
Double Block and Bleed Isolation Double block and bleed (DBB) isolation ...
What is a Double Block and Bleed (DBB) Ball Valve?
Stainless Steel Flanged X Threaded Dbb/SBB Ball Valve Chemical ...
Video Library | Precision Engineered Products for Pipes & Tubes
Double Block And Bleed(DBB) Valve Design and Features | Shinjo Valve
Modular Ball Valve Double Block & Bleed Lipseal Bolted Gland | Alco ...
Single Flanged Single Block and Bleed Ball Valve/SBB Valve/Dbb Valve ...
News - C-TechValve
Mechanical Seal Flush vs Quench: What Is the Difference
PPT - DURASEAL Double Block & Bleed Plug Valve PowerPoint Presentation ...
Single Block and Bleed Valve vs Double Block and Bleed | GOWIN
Double Block and Bleed (DBB) Valves | PDF