Showing 120 of 120on this page. Filters & sort apply to loaded results; URL updates for sharing.120 of 120 on this page
Figure 2 from A Dimmable LED Driver With Resistive DAC Feedback Control ...
operational amplifier - DAC controlled LED brightness - Electrical ...
Control preciso de la luminancia de un led | DigiKey
Fritzing Project – PWM -DAC LED CONTROL
Figure 1 from A dimmable LED driver using resistive DAC feedback ...
microcontroller - How can I control LED brightness from an MCU without ...
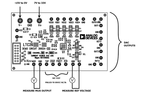
Fun DAC experiment with led control, thought it was cool : r/esp32
Precise LED Luminance Control | DigiKey
Figure 3 from A dimmable LED driver using resistive DAC feedback ...
control systems DAC » Hackatronic
5. DAC Application X-bit DAC based LED current driver | Chegg.com
Dac With Volume Control Remote at John Richard blog
arduino - Help using DAC to control DC-DC Buck converter - Electrical ...
DAC and Volume control with LCD and Touch Screen
Modulate Light Intensity of an LED using DAC on Mbed NXP LPC1768 ...
15. Design of LED light intensity control using | Chegg.com
Bel Canto e.One DAC 2.8 DAC Control Preamp - Analogue Seduction
Figure 14 from A dimmable LED driver using resistive DAC feedback ...
DAC System Rolls Out Smart Control Functionality | TV Tech
EX DAC – DAC Control Preamp - Coherent Systems
Controlling a serial DAC -control the brightness of a LED - YouTube
I2S volume control with external DAC - DIY Products&Projects - Arylic Forum
Up2Stream DAC HD / DIY Project / LED GPIO / Display Options - DIY ...
Simple LED display for DAC freq? | diyAudio
DAC8775: DAC8775 1CH DAC control Iout 0~20mA output fail - Data ...
bel canto Black EX DAC Control Preamp User Guide
DAC - Tone Control - diyaudiocart
Led dimmer and RGB controller for professional lighting systems
The Discrete DAC Features - MSB Technology
DAC controlled constant current source - Electrical Engineering Stack ...
What is Dynamic Access Control (DAC)? | Definition | StrongDM
How To Use Dac In Hilux at Donald Pray blog
Output voltage control of DC/DC converters - fischl.de
DAC controlled LDO as current source - Electrical Engineering Stack ...
Implementing full digital power control for LDOs
LT3092 as a DAC controlled current source - Q&A - Power Management ...
DAC controlled high side current source. - Electrical Engineering
DAC controlled LDO as current source - Pt.2 - Electrical Engineering ...
SPI Protocol and DAC Interfacing - ppt download
1.11 Getting Started with DAC
Working with STM32 and internal DAC: timer trigger DAC with DMA ...
Schematic of current steering DAC unit. | Download Scientific Diagram
DAC Explained: Unlock Better Audio (Digital to Analog Conversion)
PPT - ADC & DAC PowerPoint Presentation, free download - ID:5253142
DAC Flashing Green Light | SD Drain
PC Interface, ADC/DAC, and Control Circuits | Download Scientific Diagram
Current-Output DACs Precise Transducer Control | DigiKey
How To Use An External Dac at Harrison Humphery blog
Gravity: 2-Channel 0-10V I2C Digital to Analog DAC Module - DFRobot
Create a DAC from a microcontroller's ADC - EDN
Gravity - 2-Channel I2C DAC Module 0-10V - DFRobot DFR0971 Botland ...
DIY AUDIO DAC - part 1 | Video 17 - YouTube
Function Generator Using Dac at Amanda Worthen blog
6 Getting Started with DAC
DAC 13 Click
6 Examples of Discretionary Access Control (DAC) - Spectral
what is discretionary access control (DAC) | by Erion Xu | Medium
Top 4 Access Control Models in Cybersecurity (2025): DAC, MAC, RBAC ...
Is it possible to make a constant DAC controlled current source using ...
What Is A Dac In Audio at David Sells blog
Amazon.com: iFi Zen Blue 3 - Hi-Fi Lossless Bluetooth 5.4 DAC ...
Fundamentos de ADC y DAC - Power's Wiki
DAC with symmetrical current output. Two I/U converters and a ...
DAC (PWM) Controlled Triangle/Sawtooth Generator - EDN
Lampizator Baltic 3 Balanced DAC with Volume Control/Preamplifier ...
Basics of ADC and DAC - Power's Wiki
iFi Zen Dac V2 Review - HiFi Oasis
DAC International | Avionics, Test Equipment, and Supplies
LEORY DIY 3D LED Light Cube Kit Wi-Fi Connected AP... – Grandado
How to drive a LED with DAC? | Forum for Electronics
LAIV HARMONY R2R Balanced DAC Black
The controller with DAC signal output circuit | Download Scientific Diagram
DAC Controlled Supply Output | eCircuit Center
DAC – esynic
Arduino controlled Dual Mono AK4490 DAC (Part 3) | Dimdim's Blog
LMR38020: DAC Controlled Programmable Inverting Buck Boost Converter ...
Mandatory Access Control: Complete Guide to MAC vs DAC Security Models ...
I2C DAC Controlled Electronic Load - Battery Performance Tester ...
What Does DAC Mean in a Car? - In The Garage with CarParts.com
PPT - Variable Waveform Driver and Receiver for Sonic Probe PowerPoint ...
Products
Digitally Adjust DC-to-DC Voltage Regulators: A PMBus-Controlled ...
ADA4700 - DAC-controlled dual polarity voltage source - Q&A ...
A "MEDIA TO GET" ALL DATAS IN ELECTRICAL SCIENCE...!!: APPLICATIONS OF ...
What Is a DAC? | Audio46
Designing a DAC-controlled, high-side constant current source
current - 12 V, 7->14 mA output circuit from 3.3 V microcontroller ...
What’s inside a DAC, part 1 @TheHansBeekhuyzenChannel
Authorization là gì? Các loại Authorization phổ biến
electronic load Archives - Electronics-Lab.com
GitHub - naguirre/dac_control: Arduino source code for controlling ...
FriendlyWire - Discover the joy of understanding electronics
Downlights With KNX And Dimming - Koen Serneels Technology Blog
iFi micro iDSD Signature Portable DAC/Amplifier Review - Closer ...
What is a DAC? - Explained - YouTube
Features | Pine Player
Documentation – E155ProjectPortfolio
Cara kerja konverter ADC dan DAC: Semua yang perlu Anda ketahui
HiFiBerry DAC+ Light and DAC+ Pro are Now Supported by Max2Play Images ...