Showing 120 of 120on this page. Filters & sort apply to loaded results; URL updates for sharing.120 of 120 on this page
Current process of detection and prevention of student's learning ...
Schematic of Synchronous Current Detection Method | Download Scientific ...
Nonintrusive overhead‐line current detection using a vertical magnetic ...
Synchronous current reference detection method | Download Scientific ...
Buy Overcurrent Protection AC Current Detection Sensor Module | Makerbazar
Detailed current detection circuit 12,13 [Colour figure can be viewed ...
Power semiconductor device current detector circuit and detection ...
Simulation model of current detection and position detection 3.3.4 ...
Phase current detection method, inverter control method, motor control ...
Current detection method | Download Scientific Diagram
High-precision current detection system | Download Scientific Diagram
Current Detection Circuit at Herman Stpierre blog
Current detection method - Eureka | Patsnap
Various Feature-Based Series Direct Current Arc Fault Detection Methods ...
Inductive current valley detection method and constant current control ...
Digital Eddy Current Detection Method Based on High-Speed Sampling with ...
(PDF) A Pulse Eddy Current Detection Method for Ferromagnetic Material ...
Traditional collector current detection method. | Download Scientific ...
Proposed current detection method | Download Scientific Diagram
PPT - Process Detection PowerPoint Presentation, free download - ID:9170865
Example of a current process controls | Download Scientific Diagram
Overview of current process capturing methods. | Download Scientific ...
The current detection circuit diagram | Download Scientific Diagram
The software running current detection | Download Scientific Diagram
Converter, current detection circuit and current detection method ...
Current detection circuit, current detection system, and method for ...
Overall schematic view of the current detection setup. | Download ...
Current detection circuit. | Download Scientific Diagram
Current Detection Schemes. | Download Scientific Diagram
A Low-Cost Surge Current Detection Sensor with Predictive Lifetime ...
Programmable Current Detection IC
Schematic diagram of current detection based on MA effect. | Download ...
Representative comparison between current detection systems and the ...
Reactive current detection module | Download Scientific Diagram
A Novel Single-Phase Reactive Current Detection Algorithm Based on Fast ...
DC Current Detection Sensor with Display - logoele.com
Current detection method and power detection circuit - Eureka | Patsnap
Current Detection in Brushless Motor Drivers - Faradyi Motors
The current detection algorithm based on instantaneous reactive power ...
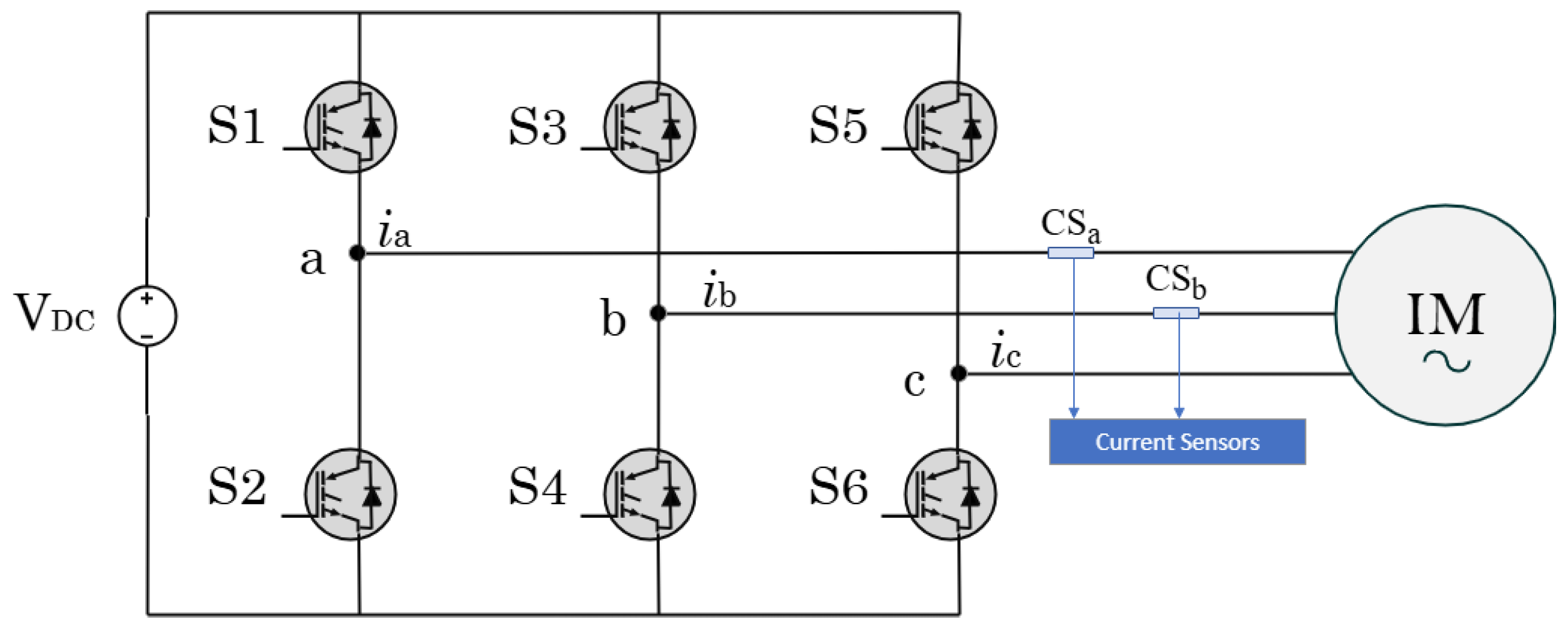
Current Sensor Fault Detection and Identification in AC Motor Drive ...
Improved Reactive Current Detection Method of SVG
Current detection circuit and current detection method - Eureka | Patsnap
AC Current Detection Sensor with Display - logoele.com
Current Detection Circuit The Current Drive Current Sense Circuit
Eddy Current Sensors Optimization for Defect Detection in Parts ...
Current Detection and Measurement
Current detection system and current detection method based on ...
IoT Long Range Wireless AC Current Detection Sensor
Figure 2 from Real time zero current detection with low quiescent ...
Current Detection Scheme Using Time Polarization Multiplexing Instead ...
[PPT] - Covert Channel Detection Using Process Query Systems Annarita ...
AC Current Detection Sensor, Switch & Analog Output - logoele.com
Current Sensor Fault Detection at Leroy Gonzales blog
A Current Spectrum-Based Algorithm for Fault Detection of Electrical ...
Current sensor detection mode.... | Download Scientific Diagram
Current Detection and Synchronization based on digital filtering and ...
Three-phase current detection method and circuit - Eureka | Patsnap
Current detection method based on fault tolerance and alternating ...
Hall DC Current Detection Sensor, Linear Voltage Output - logoele.com
Current Process Vs New Process PowerPoint and Google Slides Template ...
Induced current detection model. | Download Scientific Diagram
Electric current detection method for electric resistance welding ...
Creation of a detection history around the current detection (0 s ...
current detection circuit - Eureka | Patsnap
Current pulse detection circuit - Electrical Engineering Stack Exchange
The Neuron process detection pipeline. | Download Scientific Diagram
Hall DC Current Detection Sensor with Display - logoele.com
Process flow of current research | Download Scientific Diagram
Automated rip current detection system - Eureka | Patsnap
Schematic diagram of current detecting circuit | Download Scientific ...
Current Sensor | Electronics Basics | ROHM
Current Sensing Methods at Aidan Whyte blog
Current Sensor Testing at Sharon Lyons blog
Leakage Current Detector and Warning System Integrated with Electric Meter
Current Sensing Theory | NK Technologies
Tool Condition Monitoring Using Machine Tool Spindle Electric Current ...
Eddy Current Inspection Prevents Industrial Failures — Mectron ...
Eddy Current Testing (ECT) Explained » NDT Method | AME
Schematic diagram of harmonic current detection. | Download Scientific ...
Current Detectors – Electricity – Magnetism
Large-dynamic micro-current detection circuit - Eureka | Patsnap
Prevention and Detection - FMEA and ISO26262
A Method to Simultaneously Detect the Current Sensor Fault and Estimate ...
High temperature (300–500 K) holding voltage and current | Download ...
Physical model of the PD test system based on pulse current method ...
How To Use A Current Detector at Scott Cahill blog
Edge Artificial Intelligence for Electrical Anomaly Detection Based on ...
Current detecting circuit and current detecting method - Eureka | Patsnap
Mini-lessons on topics | Tutorials | Current Sensors | Products | Asahi ...
AC Current Monitoring - Industrial IoT Solutions and Benefits - NCD.io
Current Sense Amplifiers_an engineer鈥檚 guide to current sensing-CSDN博客
Optimizing Equipment Performance and Energy Management Using Current ...
Principle of current flow path detection. | Download Scientific Diagram
Hydrogen Flame Ionization Detection Method (FID)
Current sensing techniques | Semantic Scholar
Exploring Core Concepts in Current Sensing and Measurement - element14 ...
Figure 1 from Design of Optical Current Sensor for Intelligent State ...
What is a Current Probe? | Hioki
PPT - DETECTION OF ATTACKS ON COGNITIVE CHANNELS PowerPoint ...
A Survey of Vision-Based Methods for Surface Defects’ Detection and ...
What Is Detection Engineering? A Complete Guide
Concept of the proposed sensor for current-based attack detection ...
Ieee sensors
What Is NDT? A Complete Guide To Techniques & Benefits
Nondestructive Testing of Metal Cracks: Contemporary Methods and ...
Approximate values of the optimal parameters of each algorithm ...
Flow chart of automatic detection. | Download Scientific Diagram
Process&Detection
What Are Types Of Detection? | Benefits Of Detections