Showing 120 of 120on this page. Filters & sort apply to loaded results; URL updates for sharing.120 of 120 on this page
『立恩樂器』免運分期 美國 DW MCD 爵士鼓 大鼓 踏板(含原廠厚袋) 大鼓踏板 單踏板 多段快調 CPMCD | 蝦皮購物
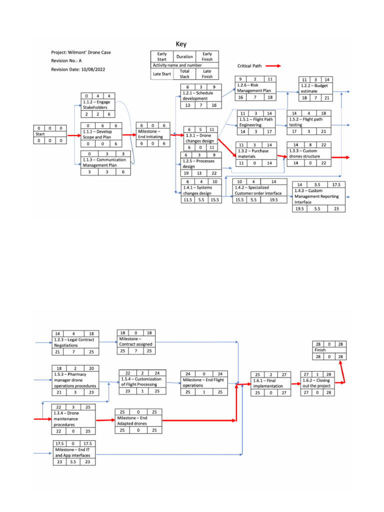
Cpmcd propuesto (solucion) - Diseño y Gestión de Proyectos - USTA - Studocu
DW CPMCD (5 stores) at Klarna • Compare prices now
How to Setup Python on Microsoft Visual Studio 2022 | CPMCD Platform ...
Comprar DW CPMCD Machine Chain Drive
CPMCD Platform - YouTube
SE-1.pptx abcdabcdabcdbabcsjbsdicbbhidssdb | PPTX
Cpmcd-Platform (CPMCD Platform) · GitHub
How to Create Desktop Project Using .Net Framework in Visual Studio ...
CPMCD-clase.pdf
PDF
CPM-GFDM: A Novel Combination of Continuous Phase Modulation and ...
Understanding the Iterative Waterfall Model in Software Development
cPMCD12-025 Thermoplastic & Brass Couplings CPC PMC Series 1/8" Flow ...
Waterfall Project Management Methodology Explained
Tech note belarus-fcp-dept-final | PDF
What is Software Development? - GeeksforGeeks
8 Software Development Life Cycle (SDLC) Methodologies
Decoding CI/CD: Streamlining App Delivery Through Automation
A Process Model for Component-Based Model-Driven Software Development
CPM Critical Path Method Diagram for Efficient Workflow Management
Blood-brain barrier dysfunction in Pediatric Acute Neuropsychiatric ...
Critical Path Method (CPM): Project Scheduling & Planning
Critical Path Method (CPM) in Project Management Explained
Motor Skills and Executive Function in Autism - Autism Research Institute
Development cycle with CPM Remote. | Download Scientific Diagram
Project Evaluation Review Technique and Critical Path Method – IspatGuru
CPM Diagram and Critical Path Analysis | PDF | Systems Science | Analysis
7 Phases of System Development Life Cycle: an Intersection
CDM project lifecycle | Download Scientific Diagram
PPT - MST 326 Lecture 7 Project planning PowerPoint Presentation, free ...
PPT - Chapter 10 PowerPoint Presentation, free download - ID:3260891
Basic classes for the CPMD integration. | Download Scientific Diagram
PPT - The Critical Path – Precedence diagram method PowerPoint ...
Effective Coping Strategies for Sensory Differences and Executive ...
Autism & Aging - Cognition and Well-being - Autism Research Institute
16 Februari 2025 - YouTube
December 11, 2024 - YouTube
My Experience with An STLC in Agile Project. | by Ajay sharma | Medium
PPT - 2/28: More CPM: Crashing PowerPoint Presentation, free download ...
Yahoo!オークション - 4540862063646 【CD】V・A / マスター・オヴ・...
Creating the Project Plan - ppt video online download
Deployment Tools Devops at Minh Boser blog
Many children with autism do not receive early intervention - Autism ...
Theoretical predictions of the Component Process Model (CPM) concerning ...
PPT - Programmatic CDM – How is it different? PowerPoint Presentation ...
精准牧业
An Improved Model for Component Based Software Development [11 ...
Iterative Waterfall Model – Software Engineering | GeeksforGeeks
Women in Autism - Autism Research Institute
PPT - Douglas C. Schmidt schmidt@dre.vanderbilt Vanderbilt University ...
CPC PMC Series 1/8" Flow For 1/16" To 1/4" Tubing - PCM Engineering
CPM Diagram | PDF
CPC塑料接头 大通径3/16" 小通径1/4"穿板快速接头 CPMCD母座截止-阿里巴巴
PPT - Dr. Douglas C. Schmidt d.schmidt@vanderbilt dre.vanderbilt ...
CPM Diagram | QualiWare Center of Excellence
CPM elements in the context of project time and product maturity ...
What Is The Incremental Model In Software Engineering - Design Talk
Skero - YouTube
PPT - CMPT371 – Team 1 PowerPoint Presentation, free download - ID:2513277
Flow diagram of the Complete Process Model (CPM). | Download Scientific ...
The CPM conceptual information model. | Download Scientific Diagram
How to Make a CPM Network Diagram Step-by-Step
The Low-Hanging Fruit: Exploring Monogenic Syndromes with Elevated ...
Pepito 1 - YouTube
CPC PMC12 Series 1/8" Flow Polypropylene - PCM Engineering
Figure 3 from CPM/PDD AS AN INTEGRATED PRODUCT AND PROCESS MODEL FOR A ...
Flowchart of development process of CM CPGs. | Download Scientific Diagram
CPC Quick Connectors | Reliable & Easy-to-Use Fittings | YD Valves
The Invincible Victorious Church We Are pt3| Pastor Jose Carmona Jr ...
Conceptual model of CPMC. | Download Scientific Diagram
How to find the critical path of a project in 6 steps
What is Incremental Development Model? Characteristics, Use, Types ...
Critical Path: Critical Path
Waterfall Model in Software Development Life Cycle
PLCD22004 1/4" Valved Hose Barb Coupling Inserts (CN) | CPC
Development Guidelines | Common Domain Model
Software development activities mapping into the Model Driven ...
MCNEAL Straight Fit Stoffhose mit Viskose-Anteil (marine) online kaufen
The Essentials of CPM Scheduling | Smartsheet
PPT - Creating the Project Plan PowerPoint Presentation - ID:2603310
European Climate Adaptation Award: Support for German Municipalities ...
Kup online MCNEAL Sweter z dzianiny z prążkowanymi wykończeniami (czarny)
geometry dash level requests - YouTube
#nonprofitconsulting #impactdriven #cmc #cmcdigitalproducts # ...
Chy1 spring tracking2 | PPT
Killtec Wendejacke in Stepp-Optik (marine) online kaufen
PPT - E-Business PowerPoint Presentation, free download - ID:5791770
The RED-CPM Systems Development Method | Download Scientific Diagram
Waterfall Model | Different Phases With Advantages & Disadvantages
PPT - 3 RD TOPIC : CONSTRUCTION PLANNING (MONITORING) AND CONTROL ...
Star Academy, le concert événénement - Marine chante "All by myself" de ...
Understanding CI/CD - Open Source For You
Solved Your CPM Chart is well-structured and includes all | Chegg.com
V by Vera Mont Cocktailkleid mit Rundhalsausschnitt (black) online kaufen
Understanding CPM in Software Engineering: A Comprehensive Guide ...
DW CPMCD2 Machined Chain Drive Double Pedal - Blue Πεντάλ Μπότας Διπλά