Showing 118 of 118on this page. Filters & sort apply to loaded results; URL updates for sharing.118 of 118 on this page
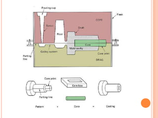
Gating System Parts in Casting Process [Pattern, Mold, Gate, Sprue ...
Detail of the hypothetical common gating linkage showing the common ...
Learn Gating System In Casting Process | Types | Function | Elements Of ...
2. (a-c) Common gating schemes used for controlling electronic and ...
Rate constants for WT and mutant ClC-1 channel common gating at ...
SOLUTION: Mechanical production gating system in casting process ...
Principle of Gating systems in Casting Process | WHAT IS GATING SYSTEM ...
The common gating strategy. Presentation of the common gating strategy ...
CH 1 Gating System | Download Free PDF | Process Engineering | Building ...
Gating Process In Powerpoint And Google Slides Cpb PPT Sample
Oxidation suppresses the ATP inhibition of the common gating of CLC-1 ...
Diagrammatic representation of coupling between fast and common gating ...
a hypothetical common gating linkage crosses the dimerisation interface ...
2 Different Types of Gating System in Casting Process
Types of Gating Systems in Casting
05) Gating System in CAsting of Materials | PDF
U3 p1 gating system | PDF
Gating system :- CASTING PROCESSES | PPTX
Design of gating system | PPTX
Design of gating systems | PPTX
What is gating system in casting | gating system in casting | gating ...
Gating system,characteristics,elementsand types of gating system by ...
The Basics Of Investment Casting Gating System Design
Gating system :- CASTING PROCESSES | PPTX | Geology | Science
Lecture 12.pdf principles of gating design | PDF
GATING SYSTEM IN CASTING | PPTX
Elements of Gating System in Casting | PDF | Casting (Metalworking ...
GATING SYSTEM PPT | PPTX
Casting Process; pattern and types; Gating System | PPTX
Knowledge of Gating system: types of gating system, gating ratio, diagram
Voltage dependence of opening and closing rate constants of the common ...
Lecture-5 ELEMENTS OF GATING SYSTEM.pptx | Chemistry | Science
Gating system | PPT
Gating system | PPTX
Principles of Gating | PDF
GATING SYSTEM IN CASTING | PPTX | Physics | Science
SOLUTION: Gating system , parts of gating system , casting gating ...
Gating System Design Guide | PDF | Metals | Mechanical Engineering
Stage Gate Process Examples at Mason Mackersey blog
Stage-Gate Process Template for PowerPoint and Google Slides - PPT Slides
Lecture-5 ELEMENTS OF GATING SYSTEM.pptx
11 Gating System | PDF
All about Stage-Gate Process for Product Development
Elements of gating system - YouTube
Stage-Gate Process for Product Development + PPT Templates
GATING SYSTEM DESIGN 1 Principle of gating system
Lecture-5 Elements of Gating System | PDF | Materials | Metallurgy
Understanding Gating Systems: Types and Objectives
Gate Process Diagram at Lynda Mabel blog
Gating System in Sand Casting Explained | PDF | Industrial Processes ...
Oregon Stage Gate Process at Bessie Luce blog
Stage Gate Process Template
Unit 1 Lecture 4 Elements of Gating System - YouTube
Elements of Gating System | PDF | Casting (Metalworking) | Industries
WORKING OF GATING SYSTEM AND ITS COMPONENTS !!! - YouTube
5 Types of Gating System in Metal Casting Processes |Omnidex
Gating System (Casting Process) #gatingsystem #NITTTR - YouTube
Gating system: Gating system
PPT - Understanding Gating Mechanisms in Gene Regulation: A ...
Stage Gate Technique – Stage Gate Process Examples – GCZNU
͑ a ͒ Schematic representation of the three stages of the gating ...
Guide to Gating System: Definition, Components, Uses, Purposes, Factors ...
Design of gating systems | PPTX | Physics | Science
Gating System Design | Casting (Metalworking) | Freezing
Gating System: ME 338: Manufacturing Processes II | PDF | Casting ...
Stage-gate Process Timeline Template - SlideModel
Best Stage Gate Process PowerPoint Presentation Template
Stage Gate Process PowerPoint Template Designs - SlideSalad
The Ultimate Guide To the Phase Gate Process | Wrike
How the Stage-Gate Process Improves Project Success Rates | Motion | Motion
Gating System high quality and effective.pptx
Gating process: division of the respiratory signal in different ...
11.GATING SYSTEM (1).pdf
PPT - Final Exam Review PowerPoint Presentation, free download - ID:1206483
PPT - Lecture 7 Chap 9: Registers PowerPoint Presentation, free ...
Manufacturing Processes-I